王湘明,张玮玮,王卫鑫
(沈阳工业大学 信息科学与工程学院,沈阳 110870)
摘 要:为了抑制电网中因非线性负载和电力电子器件的大量使用而产生的谐波,给出了并网逆变器的给定功率和合成谐波阻抗联合控制策略.该策略能够根据给定的有功功率和无功功率控制系统,并且在电流环电压环上加入了谐波阻抗环.Matlab/Simulink结果显示,该控制策略能够在实现并网逆变器并网的同时起到有效抑制电网谐波的作用.仿真结果表明,此方法能够抑制电流谐波,也使得电网电压谐波得到有效抑制,并避免了电网线路上的谐振.
关 键 词:逆变器;电网;PR控制器;功率控制;谐波阻抗;二阶广义积分器;谐波抑制;Matlab/Simulink仿真
随着全球环境污染和能源危机问题的加剧,太阳能、风能等可再生能源的开发利用越来越受到青睐,其中风力发电技术的发展也越来越迅速.作为风力发电系统的核心部件,并网逆变器直接决定着并网电流的质量.由于非线性负载及电力电子器件的使用,并网系统中不可避免存在谐波干扰.但若并网电流中谐波含量过高,将会对电网和用电设备造成严重的危害,因此,在并网同时如何利用网侧逆变器来抑制电网谐波已成为当今风电并网的热门话题[1].
网侧逆变器谐波抑制控制策略主要包括PI控制、无差拍控制、滑膜控制、重复控制以及PR控制等方法.PI控制具有简单、易于控制、方法成熟等优点,是目前逆变器控制中应用最广泛的方式,但它无法对正弦信号进行无静差跟踪,而且其精度、稳定性、抗干扰能力还有待于提高[2];无差拍控制[3]的动态响应快,能有效抑制瞬时扰动,但算法复杂,控制效果的稳定性极大程度上依赖模型的准确程度;滑膜控制[4]对于系统参数及负载有较好的动态特性,但对周期性扰动的抑制效果不理想;重复控制[5]的稳态控制精度高,但其动态性能较差,有一个周期的信号延迟;PR比例谐振积分器算法简单,性能优于传统的PI控制,但由于电网频率会在一定范围内波动,难以满足系统稳定性要求[6-7].更重要的是单一使用上述的方法都不具备谐波抑制功能.
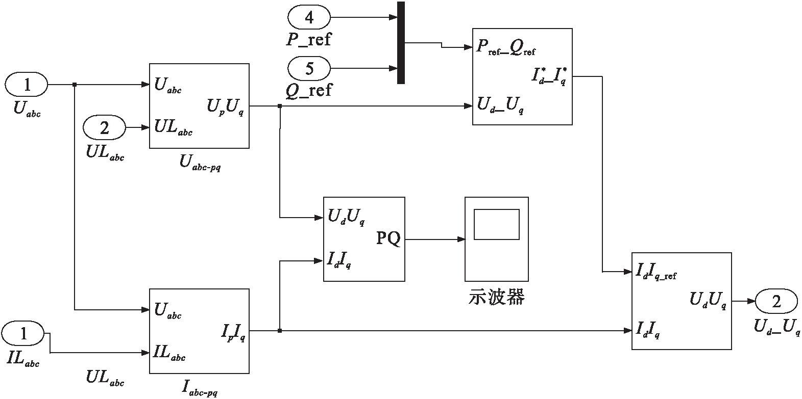
本文综合已有方案,提出基于给定功率控制和合成谐波阻抗的控制策略,该策略能实现按照给定的有功功率和无功功率进行电压电流控制,并实现谐波抑制.其中,在电压环采用准比例谐振控制器进行控制,不但能实现对信号的无静差跟踪,而且具有良好的抗电网频率波动的能力.图1为基于给定功率控制和合成谐波阻抗控制策略的并网逆变器系统框图,其中负载为非线性负载,也代表电网上的谐波源[8].

图1 网侧逆变器控制系统
Fig.1 Control system of grid-side inverter
因为传统的PID控制只能对直流量进行控制,难以实现对正弦交流信号的快速、无静差跟踪,本文在电压控制环引入了PR准比例谐振控制器.
PR控制器是一个针对于控制对象设计的控制器,具体而言就是构造一个传递函数,使其与输入参考信号具有相同的数学模型,从而对参考输入信号进行交流补偿.理想PR比例谐振控制器的传递函数为
![]()
(1)
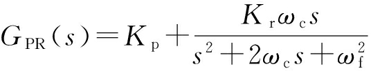
式中:Kp为比例项系数;Kr为谐振项系数;ωf为谐振频率即电网频率.然而,理想PR比例谐振器的带宽过小,在谐振频率处增益无上限,使得系统对参数波动异常敏感,在实践中并不实用.因此,本文引入了准比例谐振控制器,其传递函数为
![]()
(2)
式中,ωc为系统截止角频率.
由式(2)可以看出,准比例谐振控制器的带宽可以通过改变ωc来变宽或变窄,从而有助于减小在电网频率略有变化时系统的敏感性.为了分析三个参数对PR控制器的影响,图2~4分别给出了Kr、ωc、Kp响应波特图.在图2中,令Kp=0,ωc=3,曲线Kr取100、10、1;在图3中,令Kp=0,Kr=100,曲线ωc取20、10、1;在图4中,令Kr=100,ωc=10并保持不变,曲线Kp取50、1、0.1.
由图2~4可以看出,Kr与系统增益相关,起到减小稳态误差作用,Kr增大则系统增益提高;ωc影响谐振频率处的带宽,ωc增大则带宽增大;Kp同时影响系统增益和频率处的带宽,Kp增大则系统增益增大,同时带宽变小.
在系统中,常根据以上原则用“试凑”法确定各参数.先根据经验将其中任意两个参数设定为常量,变换另一个参数,直到系统稳定为止,从而逐渐确定各参数.经试凑,本文中Kr取100,ωc取10,Kp取0.1.

图2 Kr变化
Fig.2 Change of Kr

图3 ωc变化
Fig.3 Change of ωc
本文中功率控制的目的是希望系统能够按照给定的功率运行,并可以根据给定的功率得到系统电压控制环的标准参考电压.

图4 Kp变化
Fig.4 Change of Kp
该控制方式的原理主要是根据给定的有功、无功功率和系统实际电流的有功、无功分量,得到电压环的参考电压值,通过参考电压值进行进一步的调节.具体来说,首先需要测量出实际电压、电流的有功分量和无功分量,然后在给定的有功功率和无功功率下,计算出电流的有功分量和无功分量的理论值,最后将电流的理论值与实际测量值偏差进行调节,即可得到电压环的参考电压值.有功功率和无功功率的表达式为
P=UdId+UqIq
(3)
Q=UqId-UdIq
(4)
式中:P为有功功率;Q为无功功率;Ud、Uq分别为电压的有功分量、无功分量;Id、Iq分别为电流的有功分量、无功分量.
当给定系统的有功功率和无功功率,并测得系统实际电压后,由式(3)、(4)可得
![]()
(5)
![]()
(6)
式中:P*为有功功率额定值;Q*为无功功率额定值;
分别为电流的有功、无功分量的理论值.
式(5)、(6)中的所有有功分量和无功分量都是利用瞬时无功功率的理论检测到的,按上述方法得到的simulink仿真图如图5所示.

图5 Simulink仿真图
Fig.5 Simulation diagram for Simulink
电力系统的谐波阻抗不仅会使电压发生畸变,还可能使系统产生谐振[9],因此,使谐波电流流经重新塑造的谐波阻抗,并反向叠加到电网上就会有效补偿电压的失真.谐波电流可用瞬时无功理论得到.
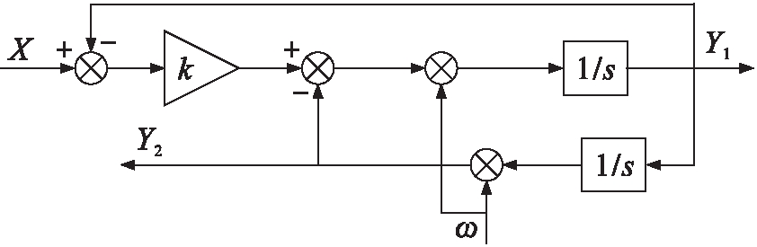
本文的谐波阻抗模型是利用SOGI模型实现的,SOGI模型是一个二阶广义积分器,其结构如图6所示.

图6 SOGI模型结构框图
Fig.6 Structure diagram of SOGI model
根据图6可得该模型的闭环传递函数为
![]()
(7)
![]()
(8)
根据式(7)、(8)可得
![]()
(9)
假设输入信号X为电流信号,Y1(s)是X的基波分量[10],则
Y1(s)=Asin ωt
(10)
式中:A为电流信号的幅值;ω为角频率.由式(9)和式(10)可得
Y2(s)=-Acos ωt
(11)
当阻抗呈纯电感时,则有
![]()
(12)
式中,Lv为虚拟电感值.由式(11)、(12)可得
Zv=ωLvAcos ωt=-ωLvY2
(13)
同理,当阻抗呈纯阻性时,可得
Zv=RvY1
(14)
由以上分析可得基于SOGI模型的虚拟谐波阻抗的结构如图7所示.

图7 谐波阻抗结构框图
Fig.7 Structure diagram of harmonic impedance
采用matlab/simulink对本系统进行仿真,其相关主要仿真参数如表1所示.
表1 系统仿真参数
Tab.1 Simulation parameters for system

未加入具有谐波抑制功能的并网逆变器前,电网的电压波形及其FFT分析如图8所示,由图8b可知,电压谐波含量为0.15%;电流波形及其FFT分析图如图9所示,由图9a可知,由于谐波源的存在,波形畸变严重,由图9b可知,电流谐波含量达到33.62%.

图8 未治理的电压波形及其FFT分析
Fig.8 Voltage waveform without governance and FFT analysis

图9 未治理的电流波形及其FFT分析
Fig.9 Current waveform without governance and FFT analysis
加入本系统并网后,电网电压波形图及其FFT分析如图10所示;电网电流波形图及其FFT分析如图11所示.

图10 电压波形图及其FFT分析
Fig.10 Voltage waveform and FFT analysis

图11 电流波形图及其FFT分析
Fig.11 Current waveform and FFT analysis
由图10和图11可以看出,系统响应较快,0.1 s后即可稳定;稳定后并网电压、电流波形平滑,是理想的正弦波;电压谐波含量下降为0.01%,电流谐波含量下降为2.84%;电压是以标幺值输出,转换为峰值平均约为311 V,电流峰值平均约为34.5 A,与给定的有功功率和无功功率计算得到的电压和电流峰值相吻合,输出功率也基本符合给定功率.由以上分析可以证明:基于给定功率和合成谐波阻抗的并网逆变器的控制策略即能实现并网,又能抑制逆变器输出电压、电流谐波.
本文针对并网逆变器谐波抑制问题,给出了基于合成谐波阻抗和给定功率控制的策略,该控制策略在功率控制基础上增加了谐波阻抗环,并在电压控制环中利用PR准比例谐振控制器代替传统的PID控制器进行控制.通过仿真结果验证了该方法的可行性,得出以下结论:
1) 在电压环中加入PR准谐振比例谐振控制器使得并网逆变器能够快速、无静差跟踪信号;
2) 在功率控制过程加入合成谐波阻抗环,在并网的同时能够有效地抑制谐波,补偿电压失真并避免谐振.
参考文献(References):
[1]李莉华,李宾皑.微电网技术的研究与应用前景 [J].电力与能源,2011,32(2):124-126.
(LI Li-hua,LI Bin-ai.Micro-grid research and application prospects [J].Power and Energy,2011,32(2):124-126.)
[2]吴云亚,谢少军,阚加荣,等.逆变器侧电流反馈的LCL并网逆变器电网电压前馈控制策略 [J].中国电机工程学报,2012,32(1):1-7.
(WU Yun-ya,XIE Shao-jun,KAN Jia-rong,et al.Full grid voltage feed-forward control strategy with inverter-side current feedback for LCL grid-connected inverter [J].Proceedings of the CSEE,2012,32(1):1-7.)
[3]任晓鹏,焦翠坪,张喜军,等.基于Matlab的三相四线制四桥臂有源滤波器控制策略仿真 [J].低压电器,2010(6):48-50.
(REN Xiao-peng,JIAO Cui-ping,ZHANG Xi-jun,et al.Simulation of control strategy of three-phase four-wire four-leg APF based on Matlab [J].Low Voltage Apparatus,2010(6):48-50.)
[4]王迎昌,王毅,邢浩江,等.光伏并网逆变器的谐波电流抑制研究 [J].电力电子技术,2013,47(1):46-48.
(WANG Ying-chang,WANG Yi,XING Hao-jiang,et al.Control strategy for grid-connected inverter to suppress current distortion [J].Power Electronics,2013,47(1):46-48.)
[5]Li Y W,Kao C N.An accurate power control strategy for power-electronics-interfaced distributed generation units operating in a low-voltage multibus microgrid [J].IEEE Transactions on Power Electronics,2009,24(12):2977-2988.
[6]叶鹏,田如冰,滕云.基于双馈风机变桨与变速协调的频率控制 [J].沈阳工业大学学报,2015,37(3):260-267.
(YE Peng,TIAN Ru-bing,TENG Yun.Frequency control based on coordinated variable pitch and variable speed in DFIG [J].Journal of Shenyang University of Technology,2015,37(3):260-267.)
[7]刘鹏飞,卓菡.带 LCL 滤波的并网逆变器的比例谐振控制 [J].电气技术,2013(1):59-61.
(LIU Peng-fei,ZHUO Han.Proportional-resonant control of a grid connected inverter with LCL filter [J].Electric Technology,2013(1):59-61.)
[8]林海雪.电力系统电压波动和闪变标准介绍 [J].电网技术,2011,31(11):1-6.
(LIN Hai-xue.On the standard of voltage fluctuation and flicker in power system [J].Power System Technology,2011,31(11):1-6.)
[9]王湘明,肇文婷.风电并入微网逆变器合成谐波阻抗谐波抑制 [J].沈阳工业大学学报,2014,36(2):143-148.
(WANG Xiang-ming,ZHAO Wen-ting.Synthesis harmonic impedance for harmonic suppression of wind power micro-grid inverter [J].Journal of Shenyang University of Technology,2014,36(2):143-148.)
[10]周晨.基于虚拟阻抗的微电网下垂控制策略及谐波抑制方法研究 [D].成都:西南交通大学,2014:1-70.
(ZHOU Chen.Research on micro-grid droop control strategy and harmonic suppression methods based on virtual impedance [D].Chengdu:Southwest Jiaotong University,2014:1-70.)
(责任编辑:景 勇 英文审校:尹淑英)
WANG Xiang-ming,ZHANG Wei-wei,WANG Wei-xin
(School of Information Science and Engineering,Shenyang University of Technology,Shenyang 110870,China)
Abstract:In order to suppress the harmonics generated by the mass use of nonlinear loads and power electronic devices in the power grid,a combined control strategy of given power and synthetic harmonic impedance for grid connected inverter was proposed.This strategy could control the system according to given active power and reactive power,and the harmonic impedance loop was added to both current loop and voltage loop.The results of Matlab/Simulink simulation show that the proposed control strategy can effectively suppress the power grid harmonics,and realize the grid connection of grid connected inverter at the same time.The simulated results show that the strategy can effectively suppress the current harmonics and voltage harmonics in the power grid,and the resonance on the power grid circuit can be avoided.
Key words:inverter; power grid; PR controller; power control; harmonic impedance; second order generalized integrator; harmonic suppression; Matlab/Simulink simulation
收稿日期:2015-10-23.
基金项目:科技部科技型中小企业技术创新基金资助项目(13C26212101002).
作者简介:王湘明(1963-),男,湖南宁乡人,副教授,主要从事风力发电、自控技术等方面的研究.
doi:10.7688/j.issn.1000-1646.2016.02.02
中图分类号:TP 391.9
文献标志码:A
文章编号:1000-1646(2016)02-0127-06
*本文已于2016-03-02 16∶48在中国知网优先数字出版.网络出版地址:http://www.cnki.net/kcms/detail/21.1189.T.20160302.1648.056.html