预应力混凝土斜拉桥箱梁剪力滞规律 *

李艳凤 1,梁 力 2,罗威力 1

(1.沈阳建筑大学交通工程学院,沈阳 110168;2.东北大学土木工程研究所,沈阳 110004)

摘 要:为了揭示斜拉桥箱梁应力分布情况,对某单索面预应力混凝土斜拉桥箱梁沿纵桥向剪力滞效应的分布规律进行了研究.结果表明:单索面斜拉桥施工阶段不同的位置应采取不同的剪力滞系数进行平面杆系有限元分析,悬臂端索力作用点处该位置用轴力作用的剪力滞系数反映实际受力;索力之间的梁段在索力作用点处,根据弯矩轴力比确定的剪力滞系数反映实际受力;在索力作用点之间跨中的梁段,用弯矩作用的剪力滞系数反映实际受力,索力作用点与跨中之间的梁段,可采用线性插值求得截面剪力滞系数.

关 键 词:单索面;斜拉桥;预应力混凝土箱梁;空间分析;剪力滞效应;数值模拟;施工阶段;斜拉桥索力

单索面斜拉桥主梁一般采用箱型截面形式,在压、弯荷载作用下箱型梁翼缘的剪力滞效应较严重,正应力很复杂 [1-3].剪力滞后是混凝土箱型截面梁产生裂缝的主要原因之一 [4-5],目前,工程中采用有效宽度代替翼缘实际宽度的方法来考虑剪力滞对箱梁的影响,我国桥梁规范规定了对简支梁、连续梁和悬臂梁等特定结构有效宽度的计算方法,但没有明确对斜拉桥设计的规定,本文利用M IDAS/Civil有限元软件,对单索面 PC斜拉桥主梁剪力滞分布规律进行了研究,结果表明,单索面斜拉桥施工阶段不同的位置应采取不同的剪力滞系数进行平面杆系有限元分析,悬臂端索力作用点处,该位置用轴力作用的剪力滞系数反映实际受力;索力之间的梁段,在索力作用点处,根据弯矩轴力比确定的剪力滞系数反映实际受力;在索力作用点之间跨中的梁段,用弯矩作用的剪力滞系数反映实际受力,索力作用点与跨中之间的梁段,采用线性插值求得截面剪力滞系数,本文研究成果对类似工程有一定的参考意义.

1 研究背景

1.1 工程背景

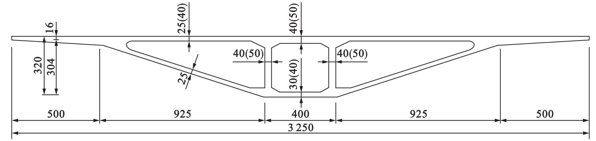
沈阳市某单索面斜拉桥,主桥长为420m,边跨为89 m,中跨为242 m,桥梁布置如图1所示(单位:m).主梁材料为C50混凝土,断面为单箱三室,边跨及中跨尺寸如图2所示(单位:cm).全桥共120根,斜拉索采用镀锌高强钢丝,分别采用151-φ7、211-φ7、241-φ7、301-φ7四种规格.

图1 桥梁布置图
Fig.1 Schematic arrangement of bridge

图2 中(边)跨箱梁横断面
Fig.2 Cross section ofm id-span(side-span)box girder

1.2 剪力滞系数

剪力滞系数为弯曲和轴力共同引起的纵向正应力(考虑剪力滞效应)与按初等梁理论计算的纵向正应力的比值,即λ=σ/ 为剪力滞系数,其中, 为初等梁理论计算出的应力,σ为截面实际的应力 [6-8].

2 有限元模型建立

2.1 计算参数的选取

主梁为C50混凝土,容重取值为26 kN/m 3,泊松比取值为0.1667,弹性模量取值为3.5×10 4MPa.斜拉索的容重取值为82 kN/m 3(考虑了保护层以后的折算容重),泊松比取值为0.3,弹性模量取值为1.95×10 5MPa.

2.2 有限元模型

本文结合主梁受力状态和施工阶段主塔的控制,同时考虑施工方案为滑动模架式,该桥为正装法施工.有限元分析中拉索采用只受拉桁架单元模拟,塔采用梁单元模拟,主梁为实体单元,采用六节点四面体进行划分,全桥受拉桁架单元120个,梁单元54个,实体单元29 787个,节点52 631个.

施工工况为:1)张拉C4(C4′)索力后,施加挂蓝荷载5 100 kN,边界条件为 4号桥墩墩底截面固接,约束X、Y、Z方向的线位移及角位移,5号桥墩梁墩分离,梁底约束 X、Y、Z方向的线位移,5号桥墩梁段右侧 14.85 m处模拟临时支撑,约束 Z方向的线位移;2)张拉C10(C10′)索力后,施加挂蓝荷载5 100 kN,边界条件同工况1;3)边跨合拢,5号墩调索,张拉 C11(C11′)索力后,施加挂蓝荷载5 100 kN,边界条件为拆除临时支撑,4号桥墩墩底及 5号桥墩梁底约束同工况 1,边跨主梁端处约束 Z方向的线位移;4)张拉 C14(C14′)索力后,施加挂蓝荷载5 100 kN,边界条件同工况3;5)张拉C15(C15′)索力后,施加合拢配重1 950 kN,完成中跨合拢,同时卸合拢配重,边界条件为4号桥墩墩底约束条件不变,5号桥墩梁底约束 Z方向的线位移.具体工况下有限元模型如图3所示.

边跨合拢后,为了使主塔根部内力以及主梁悬臂端变形接近,对5 主墩处部分斜拉索进行调整:C9索力调整至7 500 kN,C8索力调整至8 000 kN,C7索力调整至8 000 kN,C6索力调整至8 000 kN.施工桥面铺装前,为了保证全桥主梁内力及变形均匀,对4 主墩处部分斜拉索进行调整:C4索力调整至9 000 kN,C3索力调整至 9 000 kN,C2索力调整至 11 500 kN,C1索力调整至 11 000 kN,C2′索力调整至9 000 kN,C1′索力调整至9 000 kN.对5 主墩处部分斜拉索进行索力调整:C2′索力调整至10 500 kN,C1′索力调整至10 000 kN,C2索力调整至10 000 kN,C1索力调整至10 000 kN.

3 计算结果及分析

3.1 剪力滞系数分析

压弯荷载作用下剪力滞系数的求解,是将压弯荷载分解为弯矩作用和轴力作用的叠加,计算弯矩和轴力单独作用下的主梁正应力,假定轴力由全截面来承担,即轴力所产生的正应力沿截面均匀分布,弯矩产生的正应力按比拟杆法或能量变分法求解,最后将结果线性叠加求出综合剪力滞效应系数,将弯矩产生的剪力滞系数λ M,轴力产生的剪力滞系数λ N分别计入,求解叠加后的剪力滞系数λ,其表达式为

式中: 分别为轴力和弯矩产生的名义正应力;σ N、σ M分别为轴力和弯矩产生的实际正应力 [9-11].

图3 主要施工工况空间有限元模型
Fig.3 Spatial finite element model for main construction operating conditions

3.2 单索面 PC斜拉桥主梁剪力滞效应沿纵桥向有限元结果及分析

为了了解施工阶段主梁截面上缘剪力滞系数沿纵向全长的分布规律,取出了主梁横截面上缘的几个关键节点沿纵向全长的剪力滞系数计算结果,为了叙述方便,将主梁横截面上缘关键部位的点分别用大写的英文字母作标记,A~D点距横向对称线的距离分别为0、-2、-11和-16m,各点的横向位置如图4所示.

由于篇幅有限,本文仅给出工况 1、工况 2主梁剪力滞效应沿纵桥向有限元结果,在自重和索力作用下,工况1主梁截面上翼缘剪力滞系数沿纵桥向分布如图5所示.

图4 主梁横截面各点示意图
Fig.4 Schematic every point in cross section of main girder

图5 上翼缘剪力滞系数沿纵桥向分布(工况1)
Fig.5 Distribution of shear lag coefficient on top flange along longitudinal direction(condition 1)

该工况在自重和索力作用下,单索面PC斜拉桥主梁截面上缘剪力滞效应沿纵桥向变化的主要特点如下:

1)施工阶段在索力的作用下,距离索力作用点较近处,主梁截面上缘表现出索力张拉区域剪力滞效应更为显著的特点,随着主梁截面与索力作用点距离的增大,主梁应力分布较为均匀;

2)C3~C1(C3′~C1′)梁段内,索力作用点处主梁截面上缘表现出张拉区域剪力滞效应突出的特点,在索力作用点之间的梁段应力分布较为均匀,表现出普通弯曲箱梁剪力滞的分布特点;

3)塔根部主梁横截面上缘伸臂端部剪力滞系数变化最为剧烈,在塔根附近表现出由正剪力滞效应转化为负剪力滞效应的现象;

4)受临时支撑的影响,5 桥墩右侧 C1′索力处,剪力滞系数变化较其他索力作用点处较弱,但临时墩反力较小,使得两侧的剪力滞效应依然比较相似.

工况2为最大双悬臂阶段,图6为上翼缘剪力滞系数沿纵桥向分布,由图6可以看出,主梁上翼缘剪力滞系数纵向分布很不均匀,但在悬臂端部、塔根部、其他大部分梁段内表现出与工况1相似的分布规律.

图6 上翼缘剪力滞系数沿纵桥向分布(工况2)
Fig.6 Distribution of shear lag coefficient on top flange along longitudinal direction(condition 2)

4 桥墩处,悬臂端部在张拉 C10(C10′)索力的作用下,A点在此处剪力滞系数达到3.30,B点剪力滞系数达到 2.40.4 桥墩 C9~C1(C9′~C1′)梁段内,索力作用点处A、B点剪力滞系数突出,A点在索力作用点处剪力滞系数变化范围为1.55~2.22,B点在索力作用点处剪力滞系数变化范围为1.33~1.96.在索力作用点之间的梁段应力分布较为均匀,A点剪力滞系数变化范围为1.03~1.33,B点剪力滞系数变化范围为1.03~1.37,C点剪力滞系数变化范围为1.00~1.03.4 桥墩在塔根附近 D点剪力滞系数变化范围为0.90~1.38,较其他梁段,D点剪力滞系数变化明显.

5 桥墩处,悬臂端部在张拉C10(C10′)索力的作用下,A点在此处剪力滞系数达到3.35,B点剪力滞系数达到2.50.5 桥墩 C9~C1(C9′~C1′)梁段内,索力作用点处 A、B点剪力滞系数突出,A点在索力作用点处剪力滞系数变化范围为1.55~2.54,B点在索力作用点处剪力滞系数变化范围为1.41~2.03.在索力作用点之间的梁段应力分布较为均匀,A点剪力滞系数变化范围为1.22~1.35,B点剪力滞系数变化范围为1.06~1.42,C点剪力滞系数变化范围为0.98~1.00.5 桥墩在塔根附近D点剪力滞系数变化范围为0.65~0.98.

工况2在自重和索力作用下,单索面PC斜拉桥主梁截面上缘剪力滞效应沿纵桥向的主要特点同以上工况,并且表现出随着索力的增加,主梁截面剪力滞效应有所降低的趋势.

4 结 论

本文通过对理论结果与有限元结果进行对比分析得到以下结论:

1)施工阶段,悬臂端索力作用点处以承受轴力为主,该位置用轴力作用的剪力滞系数同λ N反映该点的实际受力情况;

2)索力之间的梁段,在索力作用点处可以用理论分析结果,根据弯矩轴力比确定的剪力滞系数λ反映该点的实际受力情况;

3)在索力作用点之间跨中的梁段,用弯矩作用的剪力滞系数反映该点的实际受力情况,索力作用点与跨中之间的梁段,可采用线性插值求得截面剪力滞系数.

参考文献:

References:):

[1]祝明桥.混凝土薄壁连续箱梁剪力滞效应试验研究[J].中南大学学报(自然科学版),2008,39(2):375-379.(ZHU Ming-qiao.Experimental research and analysis on shear lag effect of concrete thin-walled box continuous girder[J].Journal of Central South University(Natural Science),2008,39(2):375-379.)

[2]Luo Q Z,Wu Y M,Li Q S.A finite segment model for shear lag analysis[J].Engineering Structures,2004,26(14):2113-2124.

[3]Romeijn A,Sarkhosh R,David V G.Parametric study on static behaviour of self-anchored suspension bridges[J].International Journal of Steel Structures,2008,8(2):91-108.

[4]Yang T C,Wang B,Wang X H,et al.Wind-induced buffeting response of long span continuous rigid-frame bridge at the longest cantilever construction stage[J].World Bridges,2008(1):34-37.

[5]Kim H K,Kim M Y.Efficient combination of a TCUD method and an initial force method for determining initial shapes of cable-supported bridges[J].International Journal of Steel Structures,2012,12(12):157-174.

[6]Dai Y W,Wang Y Y.A research to cable force optimizing calculation of cable stayed arch bridge[J]. Procedia Engineering,2012,37:155-160.

[7]张元海,王来林,李乔.箱形梁剪滞效应分析的一维有限元法及其应用[J].土木工程学报,2010,43(8):44-50.(ZHANG Yuan-hai,WANG Lai-lin,LIQiao.One dimensional finite element method and its application for the analysis of shear lag effect in box girders[J]. China Civil Engineering Journal,2010,43(8):44-50.)

[8]Zhou S J.Finite beam element considering shear-lag effect in box girder[J].Journal of Engineering Mechanics,2010,136(9):1115-1122.

[9]蔺鹏臻,周世军.基于剪切变形规律的箱梁剪力滞效应研究[J].铁道学报,2011,33(4):100-104.(LIN Peng-zhen,ZHOU Shi-jun.Analysis on shearlag effect of box girders based on flange-slab shear deformation law[J].Journal of the China Railway Society,2011,33(4):100-104.)

[10]张元海,李乔.考虑剪滞变形时箱形梁广义力矩的数值分析[J].工程力学,2010,27(4):30-36.(ZHANG Yuan-hai,LI Qiao.Numerical analysis of generalized moment in box girder considering shear lag deformation[J].Engineering Mechanics,2010,27(4):30-36.)

[11]吴迅,王艺桥,赵柏岩.应力混凝土桥底板纵向裂缝控制[J].沈阳工业大学学报,2012,34(2):215-219.(WU Xun,WANG Yi-qiao,ZHAO Bo-yan.Control for longitudinal crack on bottom plate of pre-stressed concrete bridge[J].Journal of Shenyang University of Technology,2012,34(2):215-219.)

(责任编辑:钟 媛 英文审校:尹淑英)

Law of shear lag effect in box girder of prestressed concrete cable-stayed bridge

LI Yan-feng 1,LIANG Li 2,LUOW ei-li 1
(1.School of Transportation Engineering,Shenyang Jianzhu University,Shenyang 110168,China;2.Institute of Civil Engineering,Northeastern University,Shenyang 110004,China)

Abstract:In order to reveal the stress distribution in box girder of cable-stayed bridge,the distribution law of longitudinal shear lag effect in box girder of a certain prestressed concrete cable-stayed bridge with single cable plane was studied.The results show that different shear lag coefficients should be used for different sites to carry out the finite element analysis for the plane frame system at the construction stage of cable-stayed bridge with single cable plane.At the cable force action point in the cantilever end,the shear lag coefficient with the axial effect is used to reflect the actual force.At the cable force action pointbetween the cable forces,the shear lag coefficient determined with the ratio of bending moment and axial force is used to reflect the actual force.At the girder section in themid-span between the cable force action points,the shear lag coefficient determined with the bending moment is used to reflect the actual force.At the girder section between the cable force action points and mid-span,the shear lag coefficient can be obtained with the linear interpolation.

Key words:single cable plane;cable-stayed bridge;box girder of prestressed concrete;spatial analysis;shear lag effect;numerical simulation;construction stage;cable force for cable-stayed bridge

中图分类号:TU 448

文献标志码:A

文章编号:1000-1646(2016)06-0710-05

doi:10.7688/j.issn.1000-1646.2016.06.20

收稿日期:2015-07-16.

基金项目:辽宁省教育厅科学研究一般计划项目(L2015442);沈阳建筑大学科研基金资助项目(20150500).

作者简介:李艳凤(1980-),女,辽宁盘锦人,副教授,博士,主要从事桥梁结构等方面的研究.

网络出版地址:09-07 16∶06在中国知网优先数字出版.

网络出版地址:http:∥www.cnki.net/kcms/detail/21.1189.T. 20160907.1606.018.htm l