吕 燚,邹 昆,李文生
(电子科技大学中山学院 计算机学院,广东 中山 528402)
摘 要:针对天线线上设备(ALD)安装调试工具普遍存在效率低下、操作繁琐的问题,提出了一种符合AISG协议要求的便携式ALD手持控制器设计方案.该方案采用基于对数放大器的检波方法实现了接收灵敏度可调节的OOK通信电路,分析了AISG协议的设备扫描方式,设计了一种区分ALD设备类型的四叉树扫描算法,实现了对AISG总线上不同类型ALD设备的快速识别.结果表明,本设计方案符合AISG协议规范要求,控制功能完善,具有协议兼容性好和扫描速度快的优点.
关 键 词:天线接口标准组协议;开关键控;天线线上设备;电池管理系统;远程电调天线;塔顶放大器;过流保护;四叉扫描树
伴随着个人移动通讯行业的蓬勃发展,用户量呈现爆发式增长,在不增加基站数量的情况下,通过优化网络覆盖来提高服务质量成为网络运营商提高经济效益的主要途径,用于优化网络覆盖的天线相关设备应用日益广泛.世界知名天线厂家和基站系统厂商为了统一不同网优设备与基站的通讯接口,联合制定了AISG(antenna interface standard group)协议[1-2].天线线上设备(antenna line device,ALD)指AISG协议中规定的用于网络优化的天线相关设备,目前主要包括远程电调天线和塔顶放大器两大类设备,其中电调天线包括可调节下倾角和方位角两种,塔顶放大器包括固定增益式、可调增益式以及带驻波检测放大器等几种类型[3-4].
在ALD安装调试和故障排查过程中,通常需要依赖PC和AISG通信网关来实施,操作繁琐,安装调试效率低,且对施工人员要求也较高.因此,目前国外天线厂家(如RFS、Argus等)已经相继研发出了支持本品牌ALD的手持控制器,但测试结果表明其协议兼容性欠佳,在与其他厂家ALD的协议互操作性测试(IOT,interoperate test)中均存在扫描时间过长,控制功能不完善的缺陷;同时都未能支持OOK通信方式,且电池容量较小,耗能操作待机时间较短.本文基于此市场需求,研发了支持OOK通信方式的便携式ALD控制器,设计并实现了AISG协议栈和高效扫描算法.实际测试及应用表明,该设计方案协议兼容性好,控制功能完善,扫描算法适应性强,能够大大提高ALD安装调试的工作效率.
该系统选用STM32F103C8T6作为控制核心,硬件主要包括AISG通信模块、锂电池管理、人机接口和过流保护等部分,系统结构图如图1所示.其中通讯模块采用了OOK方式的载波通讯方式,同时保留ASIG通信接口;电池管理系统(battery management system,BMS)实现了锂电池充放电保护、充电均衡等功能;人机接口包括矩阵式按键和液晶显示模块;过流保护功能保证了当AISG总线发生短路时手持控制器仍能正常工作;存储模块采用SD卡实现天线配置文件和固件的存储.

图1ALD手持控制器系统结构图
Fig.1SystemstructurediagramofportableALDcontrolequipment
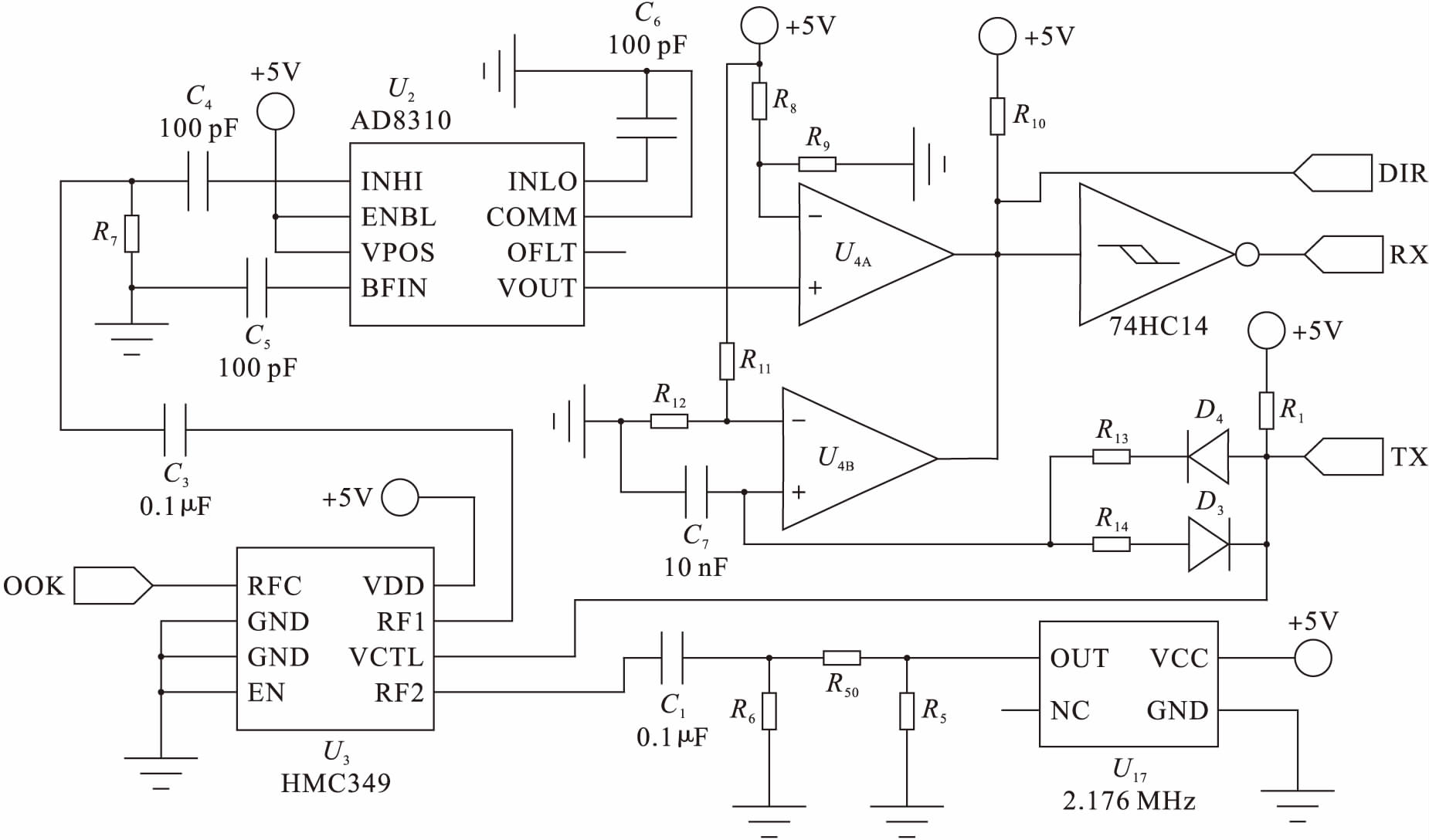
AISG协议物理层支持485通信和OOK载波两种通信方式[5].早期的ALD设备以485方式为主,基站和ALD之间用独立的AISG线缆相连.但是,由于市场竞争和成本等原因,目前越来越多的ALD采用OOK通信方式,使AISG电源、通信信号和基站射频信号共用射频馈线[6],从而显著降低了安装复杂度和系统硬件成本.本设计中保留了两种接口电路,其中OOK调制解调电路如图2所示.

图2OOK调制解调电路
Fig.2OOKmodulation-demodulationcircuit
图2中RX和TX分别与单片机UART模块的RXD和TXD相连,OOK端口为载波信号.STM32单片机的TX引脚工作在开漏模式,通过上拉电阻R1实现高电平输出.U17为源晶振,调制模块采用了射频开关HMC349,数据发送期间,当TX为低电平时,OOK输出2.176 MHz的载波信号,为高电平时,无载波信号输出.信号解调采用了对数放大器AD8310,其VOUT引脚的电平状态直接反映了OOK信号线上否有载波信号,通过开漏输出比较器U4A与阀值检测电压比较检出接收信号,最后通过施密特反相器74HC14得到接收信号RX.为了防止TX端发送的信号绕回到接收端RX,设计了由D3、D4、R13、R14和C7组成的非平衡充放电电路,当TX为低电平时,C7放电电阻小,放电速度快;TX为高电平时,C7的充电速度则要慢得多,从而在TX发送信号期间,比较器U4B的同相端电压低于反相端,拉低其输出信号,保证了在TX发送信号过程中RX始终为空闲状态高电平.
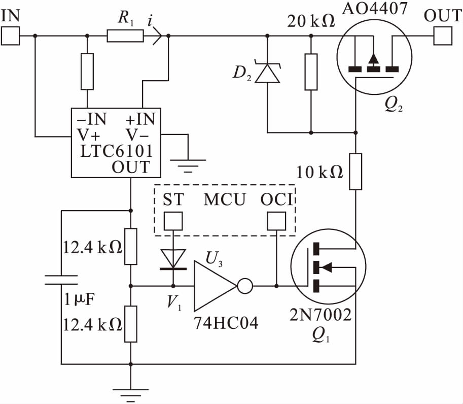
本系统BMS中已经集成了电池放电短路保护,可以有效防止由于ALD设备短路造成的手持器电池损坏.但在实际应用中,当ALD设备短路时,BMS将切断电池输出,使整个手持终端也失去电源,无法正常工作,施工人员通常会误认为手持控制器损坏,无法排查ALD故障,严重影响施工进度.BMS中集成的电流采集功能则需要软件判别,速度慢,发生短路时无法及时切断对外供电[7],因此,本系统设计了硬件自动过流保护电路,电路示意图如图3所示.

图3过流保护电路
Fig.3Overcurrentprotectioncircuit
本设计采用LTC6101作为高边电流检测放大器,当输出电流超过2 A时,V1高于反相器门限电压,OCI为低电平,Q2关断,自动切断对ALD设备的供电.为了避免过流误触发,本电路具备自动重试功能,切断供电后过流现象消失,经过一定的迟滞时间后会重新开启供电.如果ALD设备短路持续存在,OCI口将出现周期性脉冲信号,单片机据此便可判别是否发生了输出短路故障,并通过ST端口输出高电平,彻底切断供电输出,并在液晶上给出ALD短路提示信息.
ALD设备手持终端软件主要包括3大功能模块,分别是AISG协议栈、设备扫描算法和人机交互模块.AISG协议栈为软件部分的基础,主要实现手持控制器与ALD设备的AISG通信和相关操作命令解析;设备扫描算法主要完成对AISG总线上ALD的自动识别,其扫描速度将直接影响系统工作的效率.人机交互模块在驱动层包括液晶显示和按键扫描两部分,应用层采用基于链表的LCD菜单显示系统,通过按键事件触发菜单的切换,实现了在小型LCD上显示多级信息的功能.
AISG协议定义了基站系统与ALD设备通信的物理层、数据链路层和应用层,其协议结构如图4所示.物理层采用OOK Modem或485方式,均为半双工通信方式.数据链路层遵循HDLC协议,采用非平衡通信方式,并支持XID接口,实现了扫描、建立链接、维护链接和广播复位等功能[8],数据的收发通过单片机UART完成.AISG协议规定数据帧字节之间的延迟需小于3 bit传输时间,以115 200 bit/s为例,字节之间的时间间隔需小于260 μs.为了防止因更高优先级中断而导致字节之间间隔过长,本系统中采用DMA发送方式,封装好AISG数据帧之后直接启动DMA发送即可.数据接收也由DMA完成,UART收到数据后自动由DMA存储,单片机定时查询接收数据,这样既保证了不会丢失接收数据也避免了大量数据通信过程中频繁中断CPU.应用层主要由两部分组成,一部分是AISG命令接口,实现液晶菜单系统的命令与AISG命令参数之间的解析;另一部分为抽象AISG命令接口,完成AISG帧中INFO域的封装和解析.本协议栈的设计参考TCP/IP协议的设计模式,严格执行分层设计的理念[9],同时层间数据采用零拷贝技术,保证了协议的执行效率.

图4AISG协议栈设计模型
Fig.4DesignmodelforAISGprotocolstack
AISG协议采用了HDLC的非平衡通信模型,通讯主体有主站和从站之分,ALD属于从站,主站则为基站、ALD控制器等设备.扫描过程是主站自动识别从站数量、类型的过程,扫描算法直接决定了ALD操作的效率,是主站设备的核心算法.AISG协议严格规定了扫描命令的掩码匹配算法和主从设备之间的命令响应机制,但是对扫描算法的具体实现并没有明确规定.相关厂家提出了多种实现方式,主要分为两类:基于ASCII码的序列号匹配算法及基于二叉树的掩码推进算法[8,10].实际测试表明,以上两类算法针对序列号特定编码方式的前提下能够取得比较理想的效果,但是不同厂家的ALD扫描效率较低,甚至会发生“漏扫”的情况.本文提出了一种区分ALD类型的四叉树扫描算法,算法具体描述如下:
1) 通过发送带有4号字段的XID命令识别线上设备类型,并记录设备类型.
2) 初始化扫描队列为空,设置掩码推进位数m为2(四叉树),设备类型码d为1.
3) 根据m和d的值设置首层节点并加入到队列中.
4) 如果队列为非空,取出队头元素,根据掩码字符串和匹配码字符串生成XID扫描帧,并广播发送.
5) 发送XID扫描帧后,主站根据从站的响应情况做进一步处理:
① 可读回应.收到一个正确的回应帧,表明该节点已无未识别的ALD,将存储回应帧中的设备Unique ID,并执行赋地址命令.
② 冲突回应.收到CRC错误或无CRC字段的回应帧,说明该节点后有多个未被识别的ALD,对掩码字符串向左推进m位,得到2m个匹配码,生成2m个节点,入队,并跳转到步骤3).
③ 空闲回应.在规定时间间隔内未收到任何回应帧,说明该节点无未识别的ALD,该节点无需继续扫描.
6) 如果设备类型码d为1,则设置d为2,并跳转到步骤2).
7) 如果队列为空,则结束扫描过程;否则跳转到步骤3).
该扫描算法最大的特点是首先区分ALD设备类型,然后针对同一类设备采用四叉树掩码推进扫描方法,相较于基于ASCII码的匹配方式,减少了空闲回应,相较于二叉树匹配算法,降低了冲突回应的机率,从而提高了扫描效率.
ALD手持控制器的测试主要包括硬件电气性能测试和AISG协议互操作测试.电气性能主要包括了OOK通信测试和能耗操作工作时间测试,OOK模块实测解调灵敏度为-15 dBm,调制发射功率最大为12 dBm,满足AISG规范要求,调制波形如图5所示.图5中上方的波形为单片机输出的TX信号,下方的波形为OOK调制信号.

图5OOK调制波形
Fig.5OOKmodulationwaveform
在AISG协议互操作测试中,选择了华裕、京信、通宇、RFS、Argus和凯瑟琳等厂家的RET和TMA产品进行互操作测试,图6为手持控制器与6个不同厂家RET混合扫描测试情况.
对RET控制功能的测试主要包括扫描、调节下倾角、天线校准、获取告警以及下载配置文件等操作;对TMA的测试项目包括扫描、设置塔放工作状态、获取增益及获取告警等.本文设计的手持控制器完成了与所有被测ALD设备的互操作功能测试,结果表明,该便携式控制器操作简便、控制功能完善,且协议兼容性好.最后进行了不同条件下与其他厂家手持控制器设备扫描的对比测试,选取了实际应用中常见的4种应用场景:3个RET、6个RET、9个RET以及6个RET和6个TMA共存的情况,扫描时间测试结果如图7所示.在这4种情况下,本设计的扫描速度优于华裕和Argus的同类产品,特别当总线上同时存在来自不同厂家的不同类型ALD时,扫描速度优势更为明显.

图6不同RET情况下的混合扫描测试
Fig.6HybridscanningtestunderdifferentRETsituations

图7扫描时间对比测试结果
Fig.7Resultsofcomparisontestinscanningtime
随着移动通信技术的发展,终端用户量呈现爆发式增长,网优任务日益繁重.ALD设备作为增强网络覆盖的有效工具,得到了广范的应用.ALD设备的安装调试与传统微波设备不同,需要手持控制器的配合才能提高工作效率和质量.针对这一需求,本文研发了基于AISG协议的便携式ALD手持器,设计了包括OOK通信模块、硬件短路保护、电池管理系统和人机接口的硬件电路,完成了AISG协议栈、ALD设备扫描算法、人机界面等软件模块.与不同厂家ALD设备的互操作测试以及与同类产品的对比测试结果表明,本设计协议实现完整,控制、保护功能完善,且具有协议兼容性好、扫描速度快的优点.
参考文献(References):
[1] 吴松,葛海平,缪金迪.遥控电调倾角天线及其在网络优化中的应用 [J].电信科学,2007,23(4):91-94.
(WU Song,GE Hai-ping,MIU Jin-di.Remote electrical tilting antenna and its application in network optimization [J].Telecommunication Science,2007,23(4):91-94.)
[2] 李文生,罗仁泽,吕燚,等.电调天线设备控制系统的设计与实现 [J].电讯技术,2011,51(1):68-73.
(LI Wen-sheng,LUO Ren-ze,LÜ Yi,et al.Design and implementation of an antenna line device control system [J].Telecommunication Engineering,2011,51(1):68-73.)
[3] 张晓,薛锋章,赖展军.用于移动通信电调天线的宽频移相器 [J].微波学报,2014,30(4):63-66.
(ZHANG Xiao,XUE Feng-zhang,LAI Zhan-jun.A wideband phase shifter for electrically adjustable antennas in mobile communications [J].Journal of Microwaves,2014,30(4):63-66.)
[4] 吕燚,李文生,邓春健,等.塔顶放大器中嵌入式控制单元的设计与实现 [J].电子技术应用,2011,37(4):70-73.
(LÜ Yi,LI Wen-sheng,DENG Chun-jian,et al.Design and implementation of embedded control unit of tower mounted amplifier [J].Measurement Control Technology and Instruments,2011,37(4):70-73.)
[5] 吕燚,邓春健,邹昆.带驻波检测功能的AISG塔顶放大器控制单元设计 [J].电讯技术,2016,56(10):1134-1139
(LÜ Yi,DENG Chun-jian,ZOU Kun.Design of control unit of AISG tower mounted amplifier with standing wave fault monitoring function [J].Telecommunication Engineering,2016,56(10):1134-1139.)
[6] 刘现锋,邓春健,崔园.基于AISG协议的嵌入式Web服务器的设计 [J].现代电子技术,2016,39(2):69-72.
(LIU Xian-feng,DENG Chun-jian,CUI Yuan.Design of embedded Web server based on AISG protocol [J].Modern Electronics Technique,2016,39(2):69-72.)
[7] 梁君,杨友超,赵岩.总体电路瞬态浪涌抑制 [J].计算机测量与控制,2015,23(4):1394-1400.
(LIANG Jun,YANG You-chao,ZHAO Yan.Method of inrush current restrain for total circuit [J].Computer Measurement & Control,2015,23(4):1394-1400.)
[8] 李文生,罗仁泽,邓春健.基于二叉扫描树的电调天线设备扫描算法 [J].电子科技大学学报,2013,42(4):597-601
(LI Wen-sheng,LUO Ren-ze,DENG Chun-jian.A scanning algorithm for ALDs based on binary scanning tree [J].Journal of University of Electronic Science and Technology of China,2013,42(4):597-601.)
[9] 陈娟,徐力生,徐蒙,等.大坝廊道无线传感器网络节点铺设方法 [J].沈阳工业大学学报,2015,37(1):109-115
(CHEN Juan,XU Li-sheng,XU Meng,et al.Node placement method for wireless sensor network in dam corridor [J].Journal of Shengyang University of Technology,2015,37(1):109-115.)
[10]邓春健,罗仁泽,李文生,等.AISG2.0下的遥控电调倾角天线设备搜索算法 [J].重庆邮电大学学报(自然科学版),2012,24(3):319-325
(DENG Chun-jian,LUO Ren-ze,LI Wen-sheng,et al.Remote electrical tilt antenna device searching algorithm of AISG2.0 [J].Journal of Chongqing University of Posts and Telecommunications (Natural Science Edition),2012,24(3):319-325.)
LÜ Yi, ZOU Kun, LI Wen-sheng
(School of Computer Engineering, University of Electronic Science and Technology of China Zhongshan Institute, Zhongshan 528402, China)
Abstract:Aiming at the low efficiency and complicated operation problems commonly existing in the current installation and debugging tools of antenna line device (ALD), a portable ALD control equipment design scheme conforming to AISG protocol was proposed.A demodulation method based on the logarithmic amplifier was employed to realize the OOK communication circuit with adjustable receiving sensitivity.The device scanning method of AISG protocol was analyzed, and a quaternary tree scanning algorithm for distinguishing the ALD device type was designed, which could realize the rapid identification of ALD devices with different types on the AISG bus.The results show that the proposed design scheme accords with the specification requirement of AISG protocol, exhibits the impeccable control function, and also has the advantages of good protocol compatibility and high device scanning speed.
Key words:antenna interface standard group protocol; on-off keying; antenna line device; battery management system; remote electronic tilting antenna; tower mounted amplifier; over current protection; quaternary scanning tree
收稿日期:2016-09-10.
基金项目:国家自然科学基金资助项目(61502088);广东省科技计划资助项目(2017A010101004);中山市科技计划资助项目(2017B1136).
作者简介:吕 燚(1981-),男,山西大同人,副教授,硕士,主要从事嵌入式系统、可靠性建模和维修决策等方面的研究.
* 本文已于2017-10-25 21∶12在中国知网优先数字出版.网络出版地址:http://kns.cnki.net/kcms/detail/21.1189.T.20171025.2112.032.html
doi:10.7688/j.issn.1000-1646.2018.01.18
中图分类号:TP 393.04
文献标志码:A
文章编号:1000-1646(2018)01-0099-05
(责任编辑:景 勇 英文审校:尹淑英)