李研达
(安阳师范学院 物理与电气工程学院, 河南 安阳 455000)
摘 要: 针对传统非隔离无变压器光伏并网逆变器存在漏电流而影响系统安全稳定运行的问题,提出了一种新型非隔离型六开关(H6)拓扑的光伏并网逆变器.新型H6拓扑在两桥壁之间增加了一条连接线,且删除了两个连接二极管,控制策略采用了直接电流控制的脉宽调制技术.该拓扑在一个电网周期内具有六种工作模式,整个工作过程中具有恒定的共模电压.基于上述理论分析,在Matlab/Simulink环境中建立了仿真模型,并搭建了实验样机.结果表明:所提出的非隔离H6型光伏并网逆变器具有较好的漏电流抑制效果,且能够为电网提供一定的无功支撑.
关 键 词: 光伏并网逆变器; 非隔离型; 六开关; 漏电流; 共模电压; 运行模式; 调制策略; 二极管
近年来,非隔离无变压器光伏并网逆变器因其具有成本低、体积小以及效率高等优势而被广泛应用于单相光伏并网系统[1-3].然而,非隔离无变压器光伏并网系统由于逆变器和电网之间不存在电气隔离,并网系统会产生较大的漏电流,此漏电流在光伏阵列的寄生电容和电网之间流动,带来较大的电磁干扰问题,并且影响光伏并网系统的安全稳定运行[4-6].因此,亟需有效抑制非隔离无变压器光伏并网逆变器的漏电流,进而来提升并网系统安全稳定性.
在抑制漏电流方面,基于半桥拓扑的逆变器虽然能取得一定的效果,但是其具有较低的直流电压利用率.为有效解决漏电流问题,许多专家学者在全桥拓扑逆变器结构方面进行了大量的研究,如五开关(H5)拓扑的光伏并网逆变器[7-8]和HERIC拓扑的光伏并网逆变器[9-10],其中H5拓扑能够抑制漏电流,但是容易发生器件损坏和电磁干扰问题,降低了H5拓扑光伏并网逆变器的使用效率.除此之外,上述提及的全桥拓扑结构光伏并网逆变器均未具备无功输出能力.
本文提出了一种新型非隔离型六开关拓扑光伏并网逆变器,该拓扑逆变器能够有效降低系统的漏电流至安全水平且输出电流谐波小,同时具有较高的运行效率.对该光伏并网逆变器一个周期内不同阶段的运行模式进行了详细地分析,并且通过仿真和实验验证了所提拓扑结构的可行性和有效性.
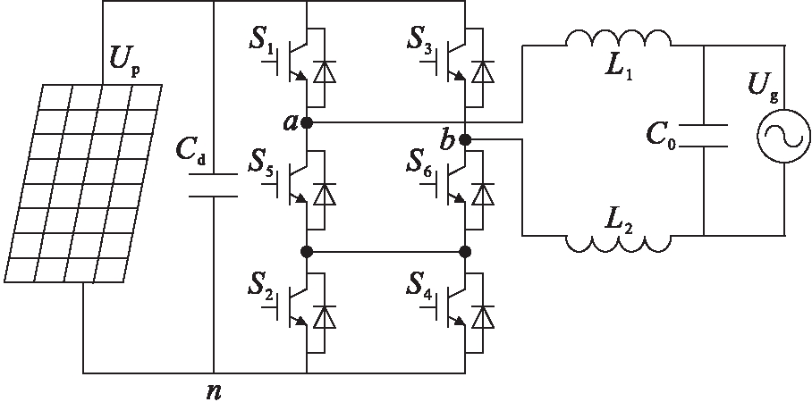
传统的非隔离H6型光伏并网逆变器在负功率区域存在变化的共模电压,且具有较大的共模电流,不利于光伏并网逆变器的安全稳定运行.为此,提出了一种新型非隔离H6型光伏并网逆变器拓扑结构,如图1所示.S1~S6为功率开关管,UP为光伏阵列的直流侧电压,Cd为直流侧的滤波电容,L1和L2分别为交流侧滤波电感,C0为交流侧滤波电容,Ug为电网电压.和传统的H6拓扑结构相比,新型H6拓扑在两桥壁之间增加了一条连接线,且删除了两个连接二极管,有效解决了传统H6拓扑存在的问题.

图1 新型H6逆变器拓扑
Fig.1 Novel H6 inverter topology
所提H6拓扑的控制信号图和运行模式图分别如图2和图3所示,该并网逆变器在一个电网周期内运行在4个阶段和6种工作模式.图2中,T1-T5分别是不同运行状态切换的对应时刻.图3中,灰色的表示开关管和线路是截止状态,黑色的则表示是导通状态.Uan为a点的对地电压,Ubn为b点的对地电压,Udm和Ucm分别是共模电压和差模电压.

图2 新型H6逆变器拓扑的控制信号
Fig.2 Control signal of novel H6 inverter topology
运行过程中各个阶段的描述如下:
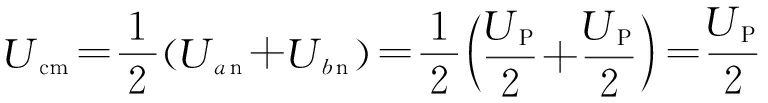
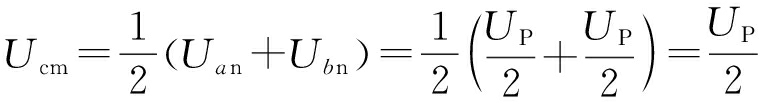
1) 阶段1(T1-T2).该阶段是正功率区域,电网电压和输出电流均处于正半周期,开关管S6一直处于导通状态,开关管S1和S4均根据开关频率进行同步导通和关断,且与S5的驱动信号相反.该阶段的并网逆变器一共有两种运行模式:
运行模式1:该模式是有功运行模式,开关S1和S4导通,电感电流逐渐增加,此模式下的共模电压和差模电压分别为
(1)
Udm=Uan-Ubn=UP-0=UP
(2)
运行模式2:该阶段是负功率区域,模式是续流运行模式,开关S1和S4关闭,电感电流通过S6和S5的反并联二极管逐渐减小,此模式下共模电压和差模电压分别为
(3)
(4)
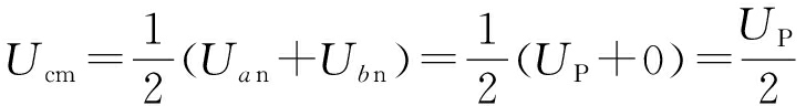
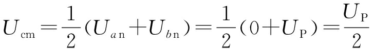
2) 阶段2(T2-T3).该阶段是负功率区域,输出电流处于正半周,电网电压处于负半周,该阶段的并网逆变器只含有一种运行模式.
运行模式3:该模式下S2、S3以及S5是导通的,滤波电感开始放电,由于逆变器输出电压是负的,输出电流是正的,电感电流通过S2、S3以及S5的反并联二极管进行续流.此模式下的共模电压和差模电压分别为
(5)
Udm=Uan-Ubn=0-UP=-UP
(6)

图3 新型H6逆变器拓扑的运行模式
Fig.3 Operation modes of novel H6 inverter topology
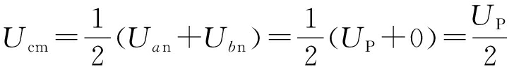
3) 阶段3(T3-T4).该阶段是正功率区域,电网电压和输出电流处于负半周期,S5一直处于导通状态,S2和S3具有相同的驱动信号且与S6的驱动信号相反,根据开关频率信号进行导通和关断.该阶段的并网逆变器含有两种运行模式:
运行模式4:当S2和S3导通时,电感电流逐渐增大,此模式下的共模电压和差模电压分别为
(7)
Udm=Uan-Ubn=0-UP=-UP
(8)
运行模式5:该模式是续流模式,当S2和S3关闭时,电感电流通过S5以及S6的反并联二极管进行续流,此模式下的共模电压和差模电压分别为
(9)
(10)
4) 阶段4(T4-T5).该阶段是负功率区域,输出电流处于负半周,电网电压处于正半周.该阶段的并网逆变器只含有一种运行模式.
运行模式6:该模式下,S1和S4是导通的,输出滤波电感像模式3一样开始放电,由于逆变器输出电压是正的,输出电流是负的,电感电流通过S1、S4以及S6的反并联二极管进行续流.此模式下的共模电压和差模电压分别为
(11)
Udm=Uan-Ubn=UP-0=UP
(12)
根据上述分析可知,本文所提的新型H6光伏并网逆变器的共模电压在不同的阶段和运行模型下都是保持为恒定值,漏电流能够得到有效抑制,且并网逆变器的输出为三电平,具备无功调节能力.
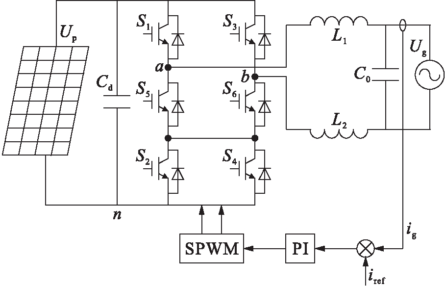
H6逆变器拓扑的控制模式如图4所示,采用直接电流控制策略.对输出电感电流ig采样并与参考电流iref作差,该误差信号通过PI控制器生成调制信号,调制信号再与三角载波比较得到开关管的驱动信号.

图4 新型H6逆变器拓扑的控制策略
Fig.4 Control strategy of novel H6 inverter topology
基于上述理论分析,在Matlab/simulink环境中建立所提拓扑的仿真模型.仿真参数如下:输入电压UP为400 V,电网电压Ug和频率fg分别为230 V和50 Hz,开关频率fs为2 000 kHz,直流母线电容Cp为470 μF,滤波电容C0为2.2 μF,滤波电感L1和L2为3 mH.
图5是所提逆变器拓扑a点和b点相对电压Ua、Ub以及共模电压Ucm的波形,由图5可以看出,Ua和Ub存在一定的互补性,因此,共模电压Ucm为保持恒定不变的200 V,有利于对系统的漏电流进行有效抑制.

图5 电压Uan、Ubn以及共模电压Ucm仿真波形
Fig.5 Simulation waveforms of voltage Uan, Ubn and common-mode voltage Ucm
图6是所提非隔离H6型光伏并网逆变器的输出电流ig、逆变器输出电压Uab以及漏电流i1的波形.由图6可以看出,逆变器输出电流波形质量较好,无畸变现象发生;输出电压是三电平电压,相对于两电平的双极调制而言,并网电流的纹波有效降低;逆变器输出电流和电压之间存在一定的相位偏差,表明该拓扑结构下的逆变器能够为电网提供一定的无功支撑;逆变器并网系统的漏电流为零,表明提出的拓扑结构可有效抑制系统的漏电流.

图6 并网电流ig、逆变器输出电压Uab以及漏电流i1仿真波形
Fig.6 Simulation waveforms of grid-connected current ig,output voltage Uab and leakage current il
为进一步验证理论和仿真分析的正确性,搭建了实验样机,实验样机的拓扑和控制参数与仿真模型一致,采用的核心处理器为TI公司的TMS320F28335,获得的电压Uan、Ubn、共模电压Ucm以及漏电流的实验波形如图7所示.从实验结果可以看出,Uan和Ubn的相位相反,共模电压Ucm也保持恒定,漏电流能够得到有效地抑制.实验结果和仿真结果保持了一致,进一步验证了本文所提拓扑策略的有效性.功率因数为0.9时的并网输出电压、电流以及漏电流波形如图8所示,从图8中可以看出,所提的H6光伏并网逆变器能够有效输出无功功率,且能有效抑制系统的漏电流.

图7 电压Uan、Ubn、共模电压Ucm以及漏电流i1的实验波形
Fig.7 Experiment waveforms of voltage Uan,Ubn,common-mode voltage Ucm and leakage current il

图8 功率因数为0.9时输出电压Uan、电流ig以及漏电流il的实验波形
Fig.8 Experiment waveform of output voltage Uan、output current ig and leakage current il when the power factor is 0.9
本文提出了一种新型单相非隔离型六开关(H6)光伏并网逆变器,详细介绍了其拓扑结构和工作运行模式,并通过仿真和实验进行了验证,得到结论如下:
1) 提出的H6拓扑光伏并网逆变器共模电压保持为恒定,能够有效对漏电流进行抑制;
2) 附加开关承载的电压是直流侧电压值的一半,且电感电流在三个开关管之间续流,能够降低开关损耗和电感损耗;
3) 在一个电网周期内,能够向电网输出或吸收无功功率.
参考文献(References):
[1] 王国峰,王国庆,张洪涛,等.一种新型单相非隔离型光伏并网逆变器研究 [J].电力电子技术,2013,47(3):45-47.
(WANG Guo-feng,WANG Guo-qing,ZHANG Hong-tao,et al.A new single-phase uninsulated photovoltaic grid-connected inverter [J].Power Electronics,2013,47(3):45-47.)
[2] 王建华,嵇保健,赵剑锋.单相非隔离光伏并网逆变器拓扑研究 [J].太阳能学报,2014,35(5):737-743.
(WANG Jian-hua,JI Bao-jian,ZHAO Jian-feng.Research on non-isolated single-phase grid-connected photovoltaic inverter topologies [J].Acta Energiae Solaris Sinica,2014,35(5):737-743.)
[3] 齐仁龙,朱小会,张庆辉.光伏发电系统暂态特性仿真 [J].沈阳工业大学学报,2017,39(2):121-126.
(QI Ren-long,ZHU Xiao-hui,ZHANG Qing-hui.Study on transient performence simulation of photovoltaic power generation system [J].Journal of Shenyang University of Technology,2017,39(2):121-126.)
[4] 高金辉,邢倩.无差拍控制的非隔离型并网逆变器漏电流分析 [J].电力系统保护与控制,2014(9):120-125.
(GAO Jin-hui,XING Qian.Deadbeat control for transformerless PV grid inverter leakage current analysis [J].Power System Protection and Control,2014(9):120-125.)
[5] 梅盼,雷必成,陈跃.3kW光伏并网逆变系统漏电流分析 [J].电测与仪表,2015,52(18):113-117.
(MEI Pan,LEI Bi-cheng,CHEN Yue.Leakage current analysis on 3kW photovoltaic grid-connected inverter system [J].Electrical Measurement & Instrumentation,2015,52(18):113-117.)
[6] 郭小强,李建,魏宝泽,等.无变压器非隔离型三电平光伏逆变器载波调制对系统漏电流影响分析 [J].中国电机工程学报,2015,35(16):4167-4174.
(GUO Xiao-qiang,LI Jian,WEI Bao-ze,et al.Analysis of carrier-based modulation for leakage current in transformerless three-level photovoltaic inverters [J].Proceedings of the CSEE,2015,35(16):4167-4174.)
[7] 康家玉,王旭,曹举,等.基于PR控制的新型单相H5光伏并网逆变器的仿真研究 [J].电器与能效管理技术,2017(9):67-73.
(KANG Jia-yu,WANG Xu,CAO Ju,et al.Research on simulation of a novel single-phase H5 photovoltaic grid-connected inverter based on PR controller [J].Electrical & Energy Management Technology,2017(9):67-73.)
[8] 苏昆仑.无隔离变压器光伏并网逆变器的研究 [D].北京:北京交通大学,2014.
(SU Kun-lun.Research on transformerless grid-connected photovoltaic inverters [D].Beijing:Beijing Jiaotong University,2014.)
[9] 袁颖,马海啸.一种新型HERIC光伏逆变器漏电流抑制技术研究 [J].微型机与应用,2017,36(1):35-37.
(YUAN Ying,MA Hai-xiao.A new HERIC PV inverter for restraining the leakage current [J].Microcomputer & Its Applications,2017,36(1):35-37.)
[10]张纯江,贲冰,李建,等.三相非隔离型Heric光伏逆变器漏电流抑制研究 [J].电工技术学报,2016,31(17):113-120.
(ZHANG Chun-jiang,BEN Bing,LI Jian,et al.Leakage current suppression for three-phase transformerless heric photovoltaic inverter [J].Transactions of China Electrotechnical Society,2016,31(17):113-120.)
LI Yan-da
(School of Physics and Electrical Engineering, Anyang Normal University, Anyang 455000, China)
Abstract: In order to solve the problem that the system secure and stable operation is affected by the leakage current existing in the traditional non-isolated transformerless photovoltaic (PV) grid-connected inverter, a novel non-isolated six-switch (H6) topology photovoltaic grid-connected inverter was proposed. A connection line between two bridge walls was added in the novel H6 topology, and two connecting diodes were removed. In addition, the control strategy adopted the pulse width modulation technology controlled by direct current. The topology had six operating modes in a power grid period, and possessed a constant common-mode voltage throughout the operation. Based on the above-mentioned theoretical analysis, a simulation model was established in the Matlab/Simulink environment, and an experimental prototype was built. The results show that the proposed non-isolated H6 photovoltaic grid-connected inverter has good leakage current suppression effect, and can provide a certain reactive power support for the power grid.
Key words: photovoltaic grid-connected inverter; non-isolated type; six switches; leakage current; common mode voltage; operation mode; modulation strategy; diode
收稿日期: 2017-07-25.
基金项目: 河南省科技攻关计划资助项目(152102210294).
作者简介: 李研达(1982-),男,河南安阳人,讲师,硕士,主要从事光伏发电技术等方面的研究.
* 本文已于2018-05-03 15∶03在中国知网优先数字出版.
网络出版地址:http:∥kns.cnki.net/kcms/detail/21.1189.T.20180503.0844.004.html
doi:10.7688/j.issn.1000-1646.2018.03.03
中图分类号: TM 615
文献标志码:A
文章编号:1000-1646(2018)03-0253-05
(责任编辑:景 勇 英文审校:尹淑英)