电气工程
罗小青, 胡 荣, 陈 艳, 何尚平
(南昌大学 科学技术学院, 南昌 330029)
摘 要: 为了减少DC-AC转换系统中转化器和逆变器开关损耗,设计了一种高效的、由双端降压转换器以及H桥逆变器组成的DC-AC功率转换系统.分别设计了降压转换器控制器以及逆变器控制器来控制双端降压转换器和H桥逆变器,通过双向降压转换器产生逆变器的混合输入电压,并在H桥逆变器添加简单的LC滤波电路,使得逆变器输出电压谐波失真被限制在0.2%以内,满足IEEE 519标准.结果表明,所提出的两级PEI的总开关损耗不足一级PEI的一半.此外,在负载阻抗和输出功率发生变化的情况下,也可以保证稳定的电压与电流控制性能.
关 键 词: DC-AC转换; 双端降压转化器; H桥逆变器; LC滤波电路; 电压谐波失真; 控制器; 混合信号; IEEE 519标准
典型的DC-AC转换系统由一个DC-DC转换器组成,其用于升高/降低直流电压电平,然后馈入电压源型逆变器(voltage source inverter,VSI).转换器为后续阶段提供恒定的直流母线电压,而电压源型逆变器将经过调节的恒定直流电压转换为适当的交流电压输出.为了降低开关损耗,文献[1]提出了一种DC-AC转换系统替代方案,该方案采用双向Buck转换器来产生混合(DC+AC)信号提供给电压源型逆变器.该混合信号既能降低电压源型逆变器开关两端的开关损耗,同时能为逆变器输入提供必要的电压.
目前已经开发了诸多解决方案来减少转换器和逆变器开关中的开关损耗,最为常见的是使用缓冲器或谐振技术[2],目的是确保开关切换时开关两端的电压和或电流为零,也有通过在经典的H桥硬开关解决方案中添加附加的电感器、电容器或使用文献[3-4]中提到的更复杂的开关方案来实现,本文同时采用了两种不同的方法来降低转换器与逆变器的功率损耗.
通常电压源型逆变器的期望输出电压小于或等于其输入电压,虽然在过调制情况下能够打破该限制,但也因此会增加逆变器的谐波失真(total harmonic distortion,THD)[5-6].使用恒定直流输入电压的电压源型逆变器就意味着总线电压必须大于或等于最大输出电压幅度,这种总线电压会形成开关阻断电压,在很大程度上造成了开关损耗[7].通过将该固定直流输入替换为仍满足上述电压要求但小于或等于循环中所有点的直流电压,可以大幅降低损耗.
一种用于降低转换器开关损耗的方法是利用较低的开关频率.电压源型逆变器必须以高开关频率工作来满足谐波失真要求并提高系统动态性能,然而由于转换器级数有所不同,故只要转换器的输出电压满足上述电压要求,则转换器输出任何非理想性的电压都可以由逆变器的控制器进行补偿.
在过去十年中,开关模式转换器和逆变器的闭环调节受到广泛关注,以期在不同类型的负载下实现良好的动态响应.诸如线性控制[8]、基于无源控制[9]、基于李雅普诺夫控制[10]、最优多环线性谐振控制[11]及滑模控制[12-13]等方法已被应用于该问题.本文采用两个后台控制器用于转换器和逆变器级的电压跟踪,通过降压转换控制器确保输出电压跟踪目标符合给定的输入电压和电路参数.降压转换器控制器还包含一个补偿系统中固定的未知干扰的自适应估计器,通过VSI控制器来确保输出电压跟踪与干扰估计.
本文选择一系列电力电子接口(power electronic interfaces,PEI)来组成如图1所示的交流
直流控制系统.双向Buck转换器降低由其控制器确定的直流电源以产生要馈送到VSI期望的混合信号电压.在下一阶段,VSI从具有可接受谐波失真的混合输入电压中产生所需的AC电压,以满足IEEE 519谐波失真限制.

图1 DC-AC转换系统框图
Fig.1 Block diagram of DC-AC conversion system
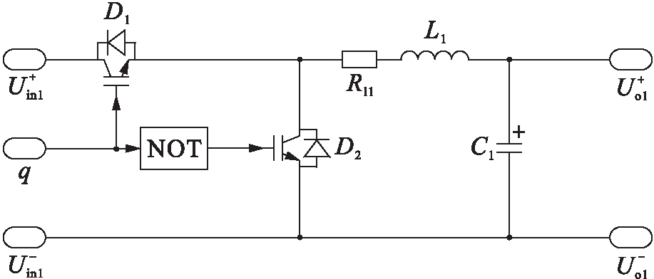
Buck转换器是一种常用的开关电源,其专为降压操作而设计.本文采用了自适应控制设计,自适应控制允许系统补偿未知的扰动,随后的降压转化控制器是以电路模型工作在连续导通模式下的假设为基础设计的,然而,由于混合信号电压轨迹的性质,电感电流可能为零,使电路进入不连续导通模式,从而使假设的系统模型无效.为此,本文提出了一种双向降压转换器拓扑结构,令转换器保持在连续导通模式中,从而使电感电流不为零,双向降压转换器的电路图如图2所示.尽管D1和D2的开关指令是逻辑互补的,但在实际应用中应考虑这两个信号之间的死区时间以防止直通情况.

图2 双向降压转换器
Fig.2 Bidirectional Buck converter
虽然线性控制器能够实现降压转换器的电压跟踪,但其对于双向降压转换器来说是不稳定的[14],尤其是给定混合信号轨迹,因此,本设计提出了一种非线性backstepping控制器.通常双向降压转换器的控制只关注单向功率流,控制分为两种工作模式,sinking和sourcing,然而在该应用中,系统操作的一个周期内可能在两个方向上均具有能量流.本文将设计一个单一的backstepping控制器,该控制器能够在两种运行模式下进行控制转换器.
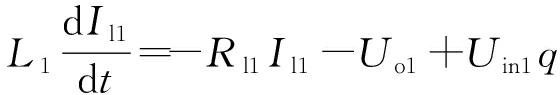
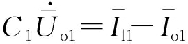
图2中双向降压转换器系统的动态模型可表示为
(1)
(2)
式中:L1为电感;C1为电容;Uin1为输入电源电压;Il1(t)为电感电流;Uo1(t)为输出电压;q(t)∈(0,1)为开关控制信号;Io1(t)为馈送H桥逆变器的输出电流,该模型对于电感电流的正值和负值均有效.
当脉冲宽度调制(PWM)方案用于q(t)时,状态平均方法[11-13]可用于将式(1)、(2)中定义的瞬时模型转换为系统的平均动态模型.PWM开关周期的平均模型可表示为
(3)
(4)
式中:
为平均电源电压;
为平均电感电流;
为平均输出电流;
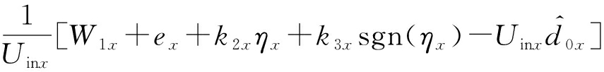
为平均输出电压;D1(t)为控制信号q(t)的占空比.半导体未知扰动d01被认为是控制方案需要考虑的PWM干扰,因此,式(4)可表示为
(5)
本节中双向降压转换器的输出电压Uo1(t)的期望电压轨迹Ud1(t)将被设计成使得VSI中的开关损耗最小的轨迹,逆变器从输入电压产生交流电压.如前所述,只要逆变器的输入电压高于期望输出的绝对值,逆变器即可产生任何瞬时输出电压.这个事实促使向逆变器提供变化的输入,而不是固定的直流电压,以降低系统高开关频率级的开关损耗.图3显示了逆变器输出的交流电压和逆变器的可能输入电压|200sin(2π60t)|.选择该输入的最大值,使得在逆变器级中生成有效幅度调制指数为
以及在转换器级生成最大占空比为200/240=0.83的输出电压.

图3 可能的逆变器输入和输出信号
Fig.3 Possible input and output signals of inverter
Ud1(t)由期望输入的前两个谐波加上常数组成轨迹信号,该常数值使逆变器控制器的输出幅度更加灵活.降压转换器的最终电压轨迹为
Ud1(t)= 125.81+20+83.89sin(2π120t)=145.81+83.89sin(2π120t)
式中:125.81和83.89sin(2π120t)为所需信号的第一与第二谐波;20是添加到轨迹信号的常数值,可以添加更多的谐波到轨迹信号,但这在逆变器的开关损耗减少方面的性能改进是不足的.图4显示了设计的Ud1以及逆变器输出电压的绝对值.

图4 输出交流信号的轨迹信号与绝对值
Fig.4 Trajectory signal and absolute value of output AC signal
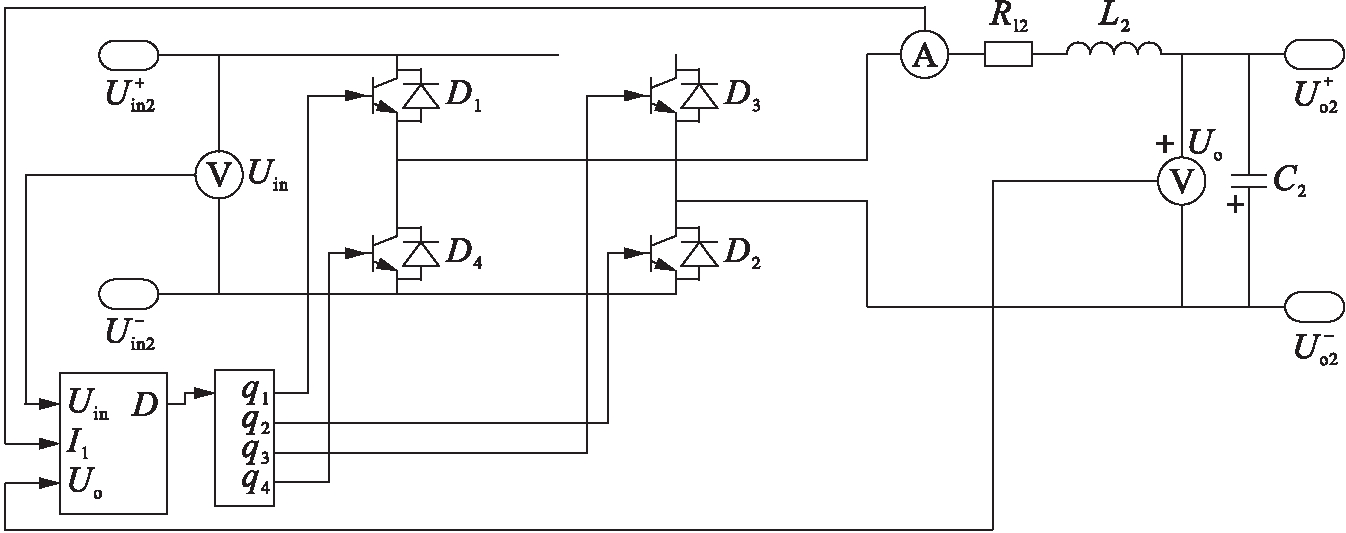
H桥逆变器结构如图5所示.VSI用于通过添加简单的LC滤波器将降压转换器的混合输出电压转换为AC输出电压.为此本文设计选择了单极PWM开关方案,所提出的拓扑结构能有效驱动复杂负载所需的双向电流.为了设计H桥逆变器控制器,文中创建了一个控制分析模型.假设采用PWM的单极开关方案,q4和q3分别是q1和q2的逻辑补码,且反相器在如下3种不同的状态下工作,其中,q1、q2、q3和q4是逻辑IGBT栅极信号.
状态1:对于q1=1和q2=1,LC滤波器的输入电压为Uin.
状态2:对于q1=q2=0,LC滤波器的输入电压为-Uin2.
状态3:对于q1=1,q2=0或q1=0,q2=1,LC滤波器的输入电压为0 V.
考虑到恒定的PWM干扰d02,应用状态平均法,H桥逆变器的平均模型可以表示为
(6)
(7)
式中,D2(t)∈(-1,1)为占空比,正占空比意味着逆变器在状态1和3之间切换;而负占空比意味着逆变器在状态2和状态3之间切换.

图5 H桥逆变器
Fig.5 H-bridge inverter
比较双向降压转换器的动力学模型方程式(3)~(5)与H桥转换器的动力学模型式(6)~(7)可以看出,两个系统均用相同的方程建模,降压转换器的占空比范围是(0,1),H桥转换器的占空比范围为(-1,1),因此,可以为两个转换器设计相同的控制器,这里用下标x∈{1,2}表示参数是属于转换器(x=1),还是逆变器(x=2).为了推广控制器开发,本文在等式中考虑了恒定占空比扰动d0x,并做出以下假设:
1) Ilx(t)、Iox(t)、Uox(t)、Uinx(t)是可测量的;
2) Cx、Lx、Rlx是已知的系统参数;
其中Udx(t)是所需的输出电压轨迹;
4) 占空比扰乱是缓慢变化的,即![]()
5) 输出电流连续,![]()
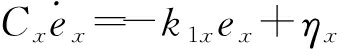
本文的控制目标是设计Dx(t),使得当t→∞时,Uox(t)→Udx(t).
为了满足定义的控制目标,跟踪误差信号ex(t),ηx(t)定义为
ex
Udx-Uox
(8)
ηx
Idx-Ilx
(9)
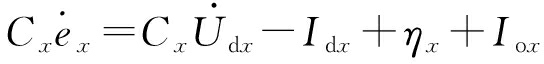
式中,Idx(t)为随后设计的辅助控制信号.将式(8)和式(9)对时间求导数,并结合式(6)和式(7)的平均系统动力学方程,开环误差系统可写为
(10)
(11)
由于占空比扰动d0x是未知的,文中定义的扰动误差
为
![]()

![]()
(12)
式中,
为干扰估计值.
控制输入是基于随后的稳定性分析而开发的,式(10)中的辅助控制输入Idx(t)定义为
Idx
![]()
(13)
式中,k1x为控制增益.将式(13)代入式(10)中,可以得出闭环系统误差为
(14)
根据式(11)可知,Idx的时间导数是必需的,以式(13)的衍生式取代式(11)则有
(15)
式中,
(16)
功率转换器的PWM控制信号的占空比Dx(t)定义为
Dx
![]()
(17)
式中,k2x、k3x为控制增益.
未知扰动的参数更新规则定义为
![]()
-k4xηxUinx
(18)
将式(17)代入式(15)可得η(t)的闭环误差为
(19)
定理 使用式(14)和式(19)建立的闭环误差系统方程式时,式(8)和式(9)中定义的误差信号需满足:当t→∞时,ex(t),ηx(t)→0
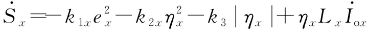
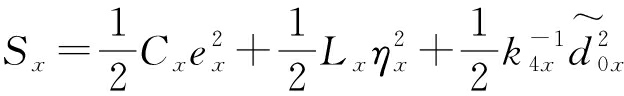
证明 非负标量函数Sx(t)定义为
(20)
将式(20)对时间求导并取代式(14)和式(19)的闭环误差信号可得
(21)
式(21)也可以表示为
(22)
假设所述选择控制增益
则(22)可进一步简化为
(23)
根据式(20)和式(23)可得到
以及ex(t)、ηx(t)∈(L∞∩L2).式(13)中假设
则Idx(t)∈L∞,因此,可看出Ilx(t)∈L∞.从边界语句可以看出,闭环中的所有信号均是有界的.由式(14)和ex(t)、ηx(t)∈L∞可得
由式(16)以及假定
∈L∞可得
由于ex(t)、ηx(t)∈(L∞∩L2)且
根据Barbalat引理可证,当t→∞时,ex(t)、ηx(t)→0.
为了验证系统设计和控制效果,本文进行了数值模拟,采用PLECS工具箱与Matlab/Simulink来模拟每个接口的瞬时电路动态,包括控制方案.
转换器的模拟参数如表1所示.
表1 双向Buck转换器模拟参数
Tab.1 Simulation parameters for bidirectional Buck converter

转换器跟踪性能如图6所示,信号e1(t)和占空比D1(t)分别如图7、8所示.由图6~8可以看出,控制目标得到满足.图9为逆变器输出电压和期望的电压情况,由图9可以看出,逆变器的输出电压与文中的理想电压基本相同.
逆变器的H桥参数如表2所示.逆变器的运行开始于t=0 s,负载阻抗ZLoad=10+j4.8 Ω.在前文中,假设输出电流是连续的,这表明负载阻抗是恒定且不变的.为了模拟负载阻抗的变化,在t=0.1 s时,并联16 Ω电阻到电路中,这种变化对负载阻抗的影响在逆变器和转换器结果中均有说明.

图6 转换器输出电压和期望电压
Fig.6 Output voltage and expected voltage of converter

图7 转换器电压跟踪误差
Fig.7 Voltage tracking error of converter

图8 转换器控制占空比
Fig.8 Control duty ratio of converter

图9 逆变器输出电压和期望电压
Fig.9 Output voltage and expected voltage of inverter
表2 H桥逆变器仿真参数
Tab.2 Simulation parameters for H-bridge inverter

图10~12分别显示了信号e2(t)、D2(t)和Il2(t)随时间的变化情况.由图10~12可知,尽管负载阻抗发生变化,但控制器的性能令人满意.仿真波形显示,设计的电路在闭环控制中运行良好.

图10 逆变器电压跟踪误差
Fig.10 Voltage tracking error of inverter

图11 逆变器控制占空比
Fig.11 Control duty ratio of inverter

图12 逆变器电感电流
Fig.12 Inductor current of inverter
为了评估系统在开关损耗方面的性能,在模拟中使用了商用IGBT英飞凌IKW25N120T2的热模型和参数.表3比较了本文所描述的系统开关(称为两级PEI)损耗与仅使用H桥逆变器从固定的240 V输入直流电压产生交流输出电压系统(称为一级PEI)的损耗.由表3可以看出,所提出的两级PEI的开关损耗不足一级PEI的二分之一.
表3 切换电源损失比较
Tab.3 Comparison in switching power losser W

表4给出了一级和两级PEI系统的前5个谐波的单独电压失真.可以看出,一级和两级PEI的输出电压总谐波失真分别为0.380%和0.149%,方案均满足IEEE 519的总电压失真要求.
表4 谐波失真比较
Tab.4 Comparison in harmonic distortion

本文提出并开发了两级PEI和两个电压跟踪控制器用于高能效的直流到交流电源转换,并对系统性能的稳定性、系统动力学、开关损耗和THD等方面进行仿真验证.系统利用双向降压转换器产生的逆变器混合输入电压,并通过在H桥逆变器添加简单的输出滤波器,使得逆变器输出电压THD被限制在0.2%以内,以满足IEEE 519标准.仿真结果显示,本文所提出的两级PEI的总开关损耗几乎是一级PEI的一半.此外,即使在不同的负载阻抗和输出功率变化情况下,也可以保证稳定的电压与电流控制性能.
参考文献(References):
[1] Qu L,Bo Z,Tang W K S.Sneaking operation modes in zero-current-switching converter [J].Open Electrical & Electronic Engineering Journal,2015,9(1):127-134.
[2] Zhang Z,Pittini R,Andersen M A E,et al.A review and design of power electronics converters for fuel cell hybrid system applications [J].Energy Procedia,2012,20(5):301-310.
[3] 沈学锋,李浩光.基于PWM控制的开关电源设计 [J].自动化与仪器仪表,2017(4):34-35.
(SHEN Xue-feng,LI Hao-guang.Design of switching mode power supply based on PWM control [J].Automation & Instrumentation,2017(4):34-35.)
[4] 赵越.基于电流滞环跟踪PWM逆变器双闭环控制研究 [J].电子科技,2016,29(12):51-54.
(ZHAO Yue.Research on double loop control based on hysteresis current tracking PWM inverter [J].Electronic Science and Technology,2016,29(12):51-54.)
[5] Puerto-Flores D D,Scherpen J M A,Liserre M,et al.Passivity-based control by series/parallel damping of single-phase PWM voltage source converter [J].IEEE Transactions on Control Systems Technology,2014,22(4):1310-1322.
[6] 蔡红专,吴玉平,眸涛,等.单相桥式有源逆变电路在MATLAB中的建模与仿真 [J].电子技术,2016,45(4):1-3.
(CAI Hong-zhuan,WU Yu-ping,MOU Tao,et al.The modeling and simulation of single-phase bridge type inverter circuit based on MATLAB [J].Electronics Technology,2016,45(4):1-3.)
[7] Hasanzadeh A,Edrington C S,Maghsoudlou B,et al.Multi-loop linear resonant voltage source inverter controller design for distorted loads using the linear quadratic regulator method [J].IET Power Electronic,2012,5(6):841-851.
[8] 胡文丽,赵永涛,郑永强.一种新型矩阵式高频链逆变器控制方法 [J].现代电子技术,2012,35(19):188-190.
(HU Wen-li,ZHAO Yong-tao,ZHENG Yong-qiang.A new control method for matrix high frequency link inverter [J].Modern Electronic Technology,2012,35(19):188-190.)
[9] Chang F J,Chang E C,Liang T J,et al.Digital signal processor-based DC/AC inverter with integral-compensation terminal sliding-mode control [J].IET Power Electronic,2011,4(1):159-167.
[10]方芳,卜刚,王赛赛.用于开关电容DC-DC转换器的自动增益跳变技术 [J].电子科技,2017,30(10):19-22.
(FANG Fang,BU Gang,WANG Sai-sai.Automatic gain hopping technology for switched capacitor DC-DC converters [J].Electronic Science and Technology,2017,30(10):19-22.)
[11]雷为民,苗友忠,罗玮,等.电网电压不平衡情况下双馈风力发电变流器控制 [J].沈阳工业大学学报,2017,39(6):612-616.
(LEI Wei-min,MIAO You-zhong,LUO Wei,et al.Control of doubly-fed wind power generation conver-ter under unbalanced grid voltage [J].Journal of Shen-yang University of Technology,2017,39(6):612-616.)
[12]Sira-Ramirez H,Perez-Moreno R,Ortega R,et al.Passivity-based controllers for the stabilisation of DC-to-DC power converters [J].Automatica,2016(5):59-68.
[13]李会.高效电源转换芯片TPS54360及其应用 [J].电子设计工程,2015(2):148-150.
(LI Hui.High efficiency power conversion chip TPS54360 and its application [J].Electronic Design Engineering,2015(2):148-150.)
LUO Xiao-qing, HU Rong, CHEN Yan, HE Shang-ping
(School of Science and Technology, Nanchang University, Nanchang 330029, China)
Abstract: In order to reduce the switching loss of converter and inverter in the DC-AC conversion system, an efficient DC-AC power conversion system consisting of a bidirectional Buck converter and an H-bridge inverter was designed. The Buck converter controller and inverter controller were respectively designed to control the bidirectional Buck converter and H-bridge inverter. The mixed input voltage of inverter was generated with the bidirectional Buck converter, and a simple LC filtering circuit was added to the H-bridge inverter to make the output voltage harmonic distortion of inverter be limited to 0.2% and meet the IEEE 519 standard. The results show that the total switching loss of proposed two-stage PEI is less than half of that of one-stage PEI. In addition, under the condition that the load impedance and output power change, a stable voltage and current control performance can be guaranteed.
Key words: DC-AC conversion; bidirectional Buck converter; H-bridge inverter; LC filtering circuit; voltage harmonic distortion; controller; mixed signal; IEEE 519 standard
中图分类号: TN 432
文献标志码:A
文章编号:1000-1646(2018)04-0361-07
收稿日期: 2017-11-10.
基金项目: 国家自然科学基金资助项目(61563034); 江西省教育厅科学技术研究项目(GJJ151505,GJJ151504); 江西省教育厅科学技术研究项目(重点)(151497).
作者简介: 罗小青(1983-),男,江西新余人,副教授,硕士,主要从事电路理论与设计、分布式发电与微电网及其应用等方面的研究.
* 本文已于2018-06-22 17∶15在中国知网优先数字出版.
网络出版地址: http:∥kns.cnki.net/kcms/detail/21.1189.T.20180622.0838.016.html
doi:10.7688/j.issn.1000-1646.2018.04.01
(责任编辑:景 勇 英文审校:尹淑英)