肖莹慧
(中南财经政法大学 武汉学院, 武汉 430000)
摘 要: 为了满足电池供电设备低功耗、低电压的要求,提出一种用于超低电压和低功率混合信号应用的、基于米勒补偿的两级全差分伪运算跨导放大器(OTA).该放大器电路使用标准的0.18 μm数字CMOS工艺设计,利用PMOS晶体管的衬体偏置减小阈值电压,输入和输出级设计为AB类模式以增大电压摆幅.将输入级用作伪反相器增强了输入跨导,并采用正反馈技术来增强输出跨导,从而增大直流增益.在0.5 V电源电压以及5 pF负载下对放大器进行模拟仿真.仿真结果表明,当单位增益频率为35 kHz时,OTA的直流增益为88 dB,相位裕量为62°.与现有技术相比,所提出的OTA品质因数改善了单位增益频率和转换速率,此外,其功耗仅为0.08 μW,低于其他文献所提到的OTA.
关 键 词: 低电压低功耗; 伪差分两级OTA; 0.18 μm CMOS技术; AB类模式; 米勒补偿; 正反馈技术; 单位增益频率; 转换速率
对于电池供电的应用产品(如生物医学植入式设备、无线传感器网络和微系统),如何降低功耗是极其重要的[1].为了满足低功耗低电压要求,人们通常使用工作在弱反型(或亚阈值)区域中的MOS晶体管[2].随着薄氧化物技术的发展,为了避免击穿并保持器件的可靠性,人们减少了电源电压,短沟道器件的阈值电压(Vth)也相对于电源电压按比例缩小.短沟道器件倾向于短沟道效应(SCE),这种效应降低了放大器的固有增益,使单级放大器难以获得高增益[3-4].MOS晶体管配置的共射共基放大器因有限的电源电压倾向于减小摆动而不能使用.与串联晶体管相比,具有公共栅极的堆叠复合(自共栅)晶体管[5]能够提供较小的输出电压和高电阻值,通过级联多个增益级可实现高增益,但需要额外的补偿电路,且每个增益级需要额外的功率补偿[6-7].
米勒补偿[8-11]是两级运算跨导放大器(OTA)较为简单和流行的补偿技术,嵌套式米勒补偿将包含两级以上放大器,其在两个高阻抗节点之间放置一个补偿电容(CC).由于从输入级到输出节点的前馈路径将产生正(右手平面)零点,这会降低相位裕量并使OTA不稳定.为了改善OTA的稳定性,可以消除零点或将零点置于较高频率处.而为了将零点置于较高频率处,第二级放大器则需要较大的偏置电流,这增加了放大器的总功耗.有两种技术可使正零点无效,一种技术是将米勒电阻(RC)与CC串联;另一种技术则是通过在CC和输出节点之间放置电压(电流)缓冲器来断开正向通路[12-13].但用于低频OTAs和电压(电流)缓冲器中的大量芯片会增加额外的功耗.
近年来,众多低压电路均利用了衬底驱动晶体管,例如差分放大器、电流镜、电压基准和缓冲器等[8-9].衬体驱动晶体管能够工作在低电压条件下,但其衬底跨导、本征增益较小,而输入电容较大.在文献[5]中已实现了基于自级联的OTA,但其品质因数较小;文献[1]中使用三阱CMOS技术实现了伪两级栅极驱动和衬体驱动OTA,但三阱技术的需求和额外的制造步骤导致了成本增加.这些OTAs使用电阻共模反馈电路不仅降低了输出电阻值,且增大了芯片的面积.
本文提出一种低功耗、高增益的伪全差分二级OTA,OTA的输入和输出级处于AB类模式,意味着所有晶体管将驱动输入信号,从而提高压摆性能.OTA的输入级用作伪反相器,其增强了输入跨导(gmⅠ),采用正反馈技术来增强输出跨导(gmⅡ).本文所提出的OTA工作电压为0.5 V,负载电容为5 pF.
单级共源共栅电路拓扑结构中不适合设计工作在低电压下的大摆幅高增益放大器,相反,通常采用多级拓扑结构来实现期望的增益和输出摆动,可通过MOS晶体管的级联以及多个增益的级联来降低输出电导或增加MOSFET的输入跨导,以增加增益值[10].不同增益增强技术均有其优缺点,级联对于低电压电路不可用,多级需要补偿且每级会产生额外功率,电导可通过增加MOSFET的沟道而减小,但其增大了寄生电容.本文所提出的伪运算跨导放大器基于低电源电压,并且通过改善每个级的跨导而不增加分支中的电流来增强增益.此外,本文的OTA设计采用AB类模式以提高电压摆幅与增益.
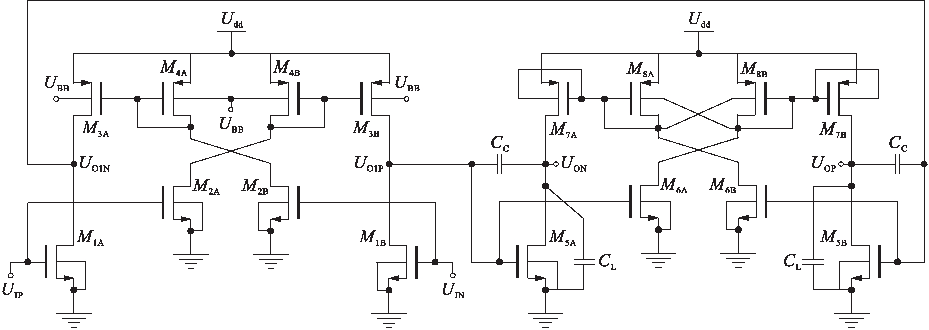
图1为米勒补偿二级伪运算跨导放大器的电路图.图1中,UIN和UIP为反相和同相输入端,UON和UOP为运算跨导放大器的输出节点.放大器第一级由伪差分对M1A-M1B、交叉耦合晶体管M2A与M4B以及M2B与M4A组成,所有晶体管偏置在亚阈值区域.在交叉耦合模式下,电压缓冲电路M2A-M2B,M4A-M4B将输入反馈到M3A-M3B.交叉耦合配置充当电压缓冲器,且其输出反馈到M3A-M3B的栅极,由于耦合配置,输入跨导将得到改善.输入级PMOS晶体管的衬底偏置电压低于衬底电压,以减小阈值电压.输入级的公共输出节点电压等于连接PMOS M4A-M4B晶体管的栅极电压,由于该种配置消除了共模反馈电路(CMFB),为了避免额外的制造步骤,OTA中NMOS晶体管的所有衬底连接到地.
第二级放大器的交叉耦合(M6A-M6B,M8A-M8B)配置与第一级放大器的交叉耦合配置类似.M8A-M8B衬底连接为正反馈模式,作为共源放大器.总输出级跨导等于输出级PMOS M7A-M7B晶体管的跨导乘以交叉耦合共源结构的增益AVCF,这有助于增强增益,并可保持右半复平面(RHP)零点处于较高频率,以提高相位裕量.交叉耦合共源结构的增益为
(1)
式中,gmK、gmbK和gdsK为第K个晶体管的栅极跨导、衬底跨导及漏极电导.图1所示电路中,晶体管MKA的所有参数等于晶体管MKB.

图1 米勒补偿的二级伪运算跨导放大器电路图
Fig.1 Circuit diagram of two-stage pseudo-OTA with Miller compensation
差分模式下伪运算跨导放大器的总增益为
(2)
(3)
gmⅡ= gm5+(gm7+gmb7)·
(4)
对于全差分放大器,其需要共模反馈将输出节点稳定到所需的值,一般等于中间电源电压.这里二极管连接MOS放置在输入和输出级,设置共模电压等于中间电容值.二极管连接的MOS栅极电压等于共模电压,施加的差分信号的输入和输出跨导是单独的MOS跨导的总和.输入有效跨导gmⅠC和输出有效跨导gmⅡC及共模增益AVCM表示为
(5)
gmⅡC= gm5-(gm7+gmb7)·
(6)
(7)
米勒补偿是一种用来补偿两级放大器的技术,使用该技术可以在分裂极点的两个高阻抗节点之间插入补偿电容.由于从输入级到节点的前馈将产生正零点,这降低了相位裕量.本文所提出的运算跨导放大器使用米勒补偿技术来使放大器稳定,这里通过使零点保持在较高频率实现期望的相位裕量.第二级放大器需要较大的跨导,其由正反馈交叉耦合配置得到增强.米勒补偿运算跨导放大器的极点和零点分别为
(8)
Pnd
![]()
(9)
(10)
式中:R1、R2为输入和输出级的输出电阻;Pd、Pnd为主极点和非主极点;PZ为RHP零点.
图1中经过米勒补偿的OTA单位增益频率为
(11)
本文所提出的OTA基于Cadence Virtuoso环境设计,使用UMC 0.18 μm数字CMOS技术进行模拟.为了观察OTA的开环增益和相位性能,设置负载电容(CL)为5 pF来对放大器电路进行模拟.放大器的频率特性模拟结果如图2所示,可以看出,OTA增益为88 dB,单位增益频率为35 kHz,相位裕量为62°.
图3显示了共模和电源抑制响应特性.由图3可以得出,放大器的共模抑制比(CMRR)约为94.5 dB,因为在第二级配置中的正反馈用作共模信号的负反馈,这导致在输出节点处共模增益较小,所提出的OTA对共模和电源信号不敏感.
伪差分OTA的输入参考噪声特性如图4所示,OTA的噪声特性主要取决于输入级跨导,其输入级跨导是常规差分配置放大器的两倍,噪声抑制效果较好.
图5显示了负载电容(CL)为5 pF,电源电压为0.5 V时,本文所提出的伪OTA大信号脉冲响应.当误差为0.1%和0.01%时,建立时间分别为40 μs和160 μs.

图2 频率特性模拟结果
Fig.2 Simulation results of frequency characteristics

图3 共模和电源抑制响应模拟结果
Fig.3 Simulation results of common mode and power supply rejection response

图4 输入噪声响应特性模拟结果
Fig.4 Simulation results of input noise response characteristics
图6为本文所提出的OTA在单位反馈增益模式下的共模范围特性.当输入电压为0.1~0.4 V时,其具有线性范围,完全可以满足低频应用.

图5 单位增益模式下大信号脉冲响应模拟结果
Fig.5 Simulation results of large signal impulse response under unity gain mode

图6 单位增益模式下输入共模范围模拟结果
Fig.6 Simulation results of input common-mode range under unity gain mode
表1对几种OTA的主要参数进行了对比,FOM1表示单位增益品质因数,FOM2表示转换速率品质因数.
由表1可知,本文所提出的放大器在增益、噪声、单位增益频率(UGF)和电源抑制比(PSRR)方面均显示出更优的性能,品质因数(FOM)也高于其他OTA.其中,电源电压为0.5 V,FOM1和FOM2分别为109、231,均为其他OTA的两倍以上.另外,直流增益高达88 dB,而功耗仅为0.08 μW,远远低于其他OTA功耗.
本文提出了一种低电压低功耗CMOS伪差分两级运算跨导放大器(OTA),该放大器基于AB类拓扑结构,其中输入馈送到输入晶体管.为了避免低增益问题,在第二级放大器中采用正反馈技术提高了OTA的增益和稳定性,同时获得较小的电流及较大的跨导.与之前文献所提出的OTA相比,本文提出的OTA显示出更好的品质因数(FOM1和FOM2).同时,文中使用5 pF负载电容和0.5 V电源电压对OTA进行模拟,模拟结果显示,本文提出的OTA在35 kHz的单位增益频率下直流增益高达88 dB,相位裕量为62°.此外,输入参考噪声特性模拟结果显示,该OTA在低频下具有更好的闪烁噪声性能,且在1 kHz下的输入参考噪声有益于在生物医学中应用.该OTA在0.5 V电源电压下功耗为0.08 μW,远小于文献中其他OTA的功耗.
表1 伪OTA与其他文献中的OTA模拟仿真结果对比
Tab.1 Comparison in simulation results of pseudo-OTA and OTA in other literatures

参考文献(References):
[1] Ragheb A N,Kim H W.Ultra-low power OTA based on bias recycling and subthreshold operation with phase margin enhancement [J].Microelectronics Journal,2017,47(3):94-101.
[2] Wang H J,Wang C H,He H Z,et al.A low-power voltage reference source based on sub threshold MOSFETs [J].Microelectronics Journal,2011,41(5):654-657.
[3] Shim J,Yang T,Jeong J.Design of low power CMOS ultra wide band low noise amplifier using noise canceling technique [J].Microelectronics Journal,2013,43(9):821-826.
[4] Akbari M,Hashemipour O.Enhancing transconductance of ultra-low-power two-stage folded cascode OTA [J].Electronics Letters,2014,50(21):1514-1516.
[5] 徐少波.一种基于信号处理的光纤液体温度传感器 [J].沈阳工业大学学报,2005,27(1):77-79.
(XU Shao-bo.An optical fiber liquid temperature sensor based on signal processing [J].Journal of Shenyang University of Technology,2005,27(1):77-79.)
[6] Gomez H,Espinosa G.55 dB DC gain,robust to PVT single-stage fully differential amplifier on 45 nm SOI-CMOS technology [J].Electronics Letters,2014,50(10):737-739.
[7] Garimella A,Furth P M.Frequency compensation techniques for op-amps and LDOs:a tutorial overview [J].Midwest Symposium on Circuits & Systems,2011(7):1-4.
[8] 薛超耀,韩志超,欧健,等.一种恒跨导轨对轨CMOS运算放大器的设计 [J].电子科技,2013,26(9):121-123.
(XUE Chao-yao,HAN Zhi-chao,OU Jian,et al.A design of electronic technology,constant cross rail to rail CMOS operational amplifier [J].Electronic Science and Technology,2013,26(9):121-123.)
[9] Wu D,Gao C,Liu H,et al.A low power double-sampling extended counting ADC with class-AB OTA for sensor arrays [J].IEEE Transactions on Circuits & Systems I:Regular Papers,2015,62(1):29-38.
[10]吴贵能,周玮.一种两级CMOS运算放大器电源抑制比提高技术 [J].重庆邮电大学学报(自然科学版),2010,22(2):209-213.
(WU Gui-neng,ZHOU Wei.PSRR improvement technique for two-stage CMOS operational amplifier [J].Journal of Chongqing University of Posts and Telecommunications(Natural Science Edition),2010,22(2):209-213.)
[11]田锦明,王松林,来新泉,等.一种新颖的OTA结构的数模转换器 [J].电子科技,2006(3):13-16.
(TIAN Jin-ming,WANG Song-lin,LAI Xin-quan,et al.A novel digital to analog converter with OTA structure [J].Electronic Science and Technology,2006(3):13-16.)
[12]Mirvakili A,Koomson V J.Passive frequency compensation for high gain-bandwidth and high slew-rate two-stage OTA [J].Electronics Letters,2014,50(9):657-659.
[13]Valero M,Celma S,Medrano N,et al.An ultra low-power low-voltage class AB CMOS fully differential opamp [J].IEEE International Symposium on Circuits & Systems,2012,57(1):1967-1970.
XIAO Ying-hui
(Wuhan College, Zhongnan University of Economics and Law, Wuhan 430000, China)
Abstract: In order to meet the low-voltage and low-power requirements of battery-powered equipment, a two-stage fully differential pseudo-operational transconductance amplifier (OTA) based on Miller compensation for ultra-low voltage and low-power mixed-signal application was proposed. A standard 0.18 μm digital CMOS process was used in the design of amplifier circuit, and the threshold voltage was reduced with the lining biasing of PMOS transistor. The input and output stages were designed as the class-AB mode to increase the voltage swing. The input transconductance was enhanced by using the input stage as the pseudo-inverter, and the output transconductance was improved with the positive feedback technology to increase the DC gain. The simulation for the OTA was performed at a supply voltage of 0.5 V with a load of 5 pF. The simulation results show that when the unity gain frequency is 35 kHz, the DC gain of OTA is 88 dB, and the phase margin is 62°. Compared with the existing technologies, the proposed OTA merit figure improves the unity gain frequency and slewing rate. Besides, the power consumption is only 0.08 μW, which is lower than that of OTA mentioned in other literatures.
Key words: low-voltage and low-power; pseudo differential two-stage OTA; 0.18 μm CMOS technology; class-AB mode; Miller compensation; positive feedback technology; unit gain frequency; slewing rate
中图分类号: TN 432
文献标志码:A
文章编号:1000-1646(2018)04-0431-05
收稿日期: 2017-05-25.
基金项目: 中国博士后科学基金资助项目(2015T80797).
作者简介: 肖莹慧(1982-),女,湖北武汉人,讲师,硕士,主要从事集成电路与功率集成技术、计算机人工智能以及软件工程等方面的研究.
* 本文已于2018-06-22 15∶17在中国知网优先数字出版.
网络出版地址: http:∥kns.cnki.net/kcms/detail/21.1189.T.20180622.1307.040.html
doi:10.7688/j.issn.1000-1646.2018.04.13
(责任编辑:景 勇 英文审校:尹淑英)