丁屹峰, 宫 成, 马龙飞, 徐 蕙, 邵文君
(国网北京市电力公司 电源中心, 北京 100075)
摘要:针对大量空气源热泵同时启动时,会对电网造成冲击并影响电网安全稳定运行的问题,提出了一种基于非序贯蒙特卡洛模拟的评估方法.基于对定频空气源热泵和变频直流空气源热泵启动特性的研究,使用非序贯蒙特卡洛方法和风险理论模拟并分析了规模化空气源热泵启动时电网的稳定特性和电网风险.对某村落低压配电网的算例研究结果表明,提出的评估方法能有效评估含规模化空气源热泵启动时电网的稳定性和风险指标,为规模化空气源热泵对电网稳定带来的影响提供了有效的分析手段.
关键词:空气源热泵; 风险分析; 电网; 稳定性; 非序贯蒙特卡洛; 低压配电网; 伺服电机; 规模化
近年来,为了实现冬季清洁供暖、改善空气质量,北京市率先开展了“煤改电”工程[1].北京市政府首先在农村地区推广使用空气源热泵[2]一类分布式电采暖设备,该类设备能效较高,单位面积供暖所需的负荷密度较低[3-5].但由于传统空气源热泵采用异步电动机驱动,启动电流大,因而,目前正在逐步推广使用变频空气源热泵替换定频热泵[6].
空气源热泵是一种将空气、土壤、水中不能直接利用的低位热能转化为可以利用的高位热能的节能装置[7-8].众多学者和专家重点研究了空气源热泵的启动、稳态和室内外气温波动时的暂态特性,并主要关注能量转换效率与加热效果[9-10].文献[11]与[12]针对现有空气源热泵的工作对象主要是居民建筑与写字楼的问题,研究了需要考虑保温与通风因素时空气源热泵的加热效率;文献[13]考虑到能源的综合利用效率和供热成本,提出了一种太阳能辅助加热或光伏供电加热的互补运行模式,力图减少电能使用.
北京地区为了减小分布式电采暖规模化应用对电网电量平衡的影响,实施了峰谷电价,在21点开始实施优惠电价,但由于此时大量空气源热泵同时启动,对电网的稳定性造成冲击,影响了电网的安全稳定运行[14-16].本文基于单体定频空气源热泵和变频直流空气源热泵的启动特性,使用非序贯蒙特卡洛方法研究了规模化空气源热泵启动对电网稳定性的影响,并结合风险理论分析了电网风险,为分析规模化空气源热泵对配电网稳定带来的影响提供了有效的手段.
空气源热泵主要由室内外风机电机和换热器构成,可以将空气、土壤、水中不能直接利用的低位热能转化为可利用的高位热能.空气源热泵包括定频空气源热泵和变频空气源热泵,其中定频空气源热泵始终以固定频率运行,并在达到设定温度后自动停机;而变频空气源热泵在运行时可通过改变交流电频率的方式实现交流电控制,并可根据环境温度自动切换制冷、除湿和制热等运行方式[17-18].为了准确模拟规模化空气源热泵的启动特性,本节分别分析了单体定频空气源热泵和变频空气源热泵的启动特性.
定频空气源热泵所连接的机械设备为谷轮空气压缩机,电机类型为异步电动机.其机械特性与电气特性分别表示为
(1)

(2)
式中:TE为电磁转矩;Tm为工作机械转矩;J为转动惯量;Ω为惯性转矩;T0为静止摩擦转矩;p为电动机极对数;U为所加电压;s为转差率;
为转子侧等值电阻;R1为定子侧等值电阻;f1为电网频率;X1为定子侧等值电抗;
为转子侧等值电抗.空气压缩机在启动前转速为零,此时TE应大于电机启动的静止摩擦转矩T0和完成空气压缩所需的转矩Tm.由式(2)中TE与
的关系可知,在异步电动机启动过程中,由于其从静止状态开始运行,定子侧阻抗值较低,因此需要较大的启动电流.
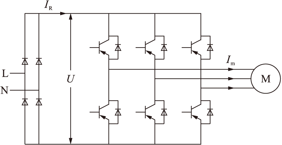
变频空气源热泵的一般驱动结构如图1所示.变频空气源热泵的功率一般为4 kW,由低压电网单相供电,通过交直交驱动器为伺服电机提供电能.在交直变换中一般采用全桥布控整流,通过直流电容来稳定脉动直流电压;而在直交转换中,通过基于IGBT的全控三相功率变换器来直接控制输出电压的幅值与频率,并间接控制电机转速.当室内温度与设定温度偏差较大时,可通过提高转速增大制冷或制热功率;反之则降低转速,减少制冷或制热功率.其中,制冷或制热功率的控制根据用户需求与室内外温差的变化而定.相对于定频空气源热泵断续工作的方式,变频空气源热泵的工作方式减少了电机的启停次数,从而有利于减少电能损耗,增加设备的使用寿命.

图1变频直流空气源热泵驱动器拓扑
Fig.1TopologyofdriverofDCairsourceheatpumpwithvariablefrequency
功率所需无功功率由直流电容器提供,而所需有功功率计算表达式为
(3)
式中:U1和U2分别为启动前与启动时的直流母线电压;Im为电机侧电流;IR为整流器侧电流;T为工作时间;t0为启动时间.变频空气源热泵所采用的伺服电机为电压源型驱动器驱动,由直流电压可控的特点可知,通过降低短暂启动时间内的功率需求能够有效抑制启动电流.
在对前述两种类型空气源热泵启动特性定量分析的基础上,为了更为准确地量化启动特性,对定频和变频空气源热泵工作特性进行了定性分析.
定频空气源热泵的铭牌参数如表1所示,其启动特性如图2所示.图2中的曲线较好地反映了式(1)与式(2)的模型特性.在定频空气源热泵启动时有功功率与无功功率均出现了较大的冲击电流,一方面用于建立磁场,另一方面反映了电机旋转前的堵转电流.由于启动时同时具有有功功率与无功功率的冲击,使用串联电阻、降压或星三角变换等常规手段难以应对.
表1定频空气源热泵基本参数
Tab.1Basicparametersforairsourceheatpumpwithfixedfrequency


图2定频空气源热泵启动特性
Fig.2Actualmeasurementofstartupcharacteristicofairsourceheatpumpwithfixedfrequency
变频空气源热泵的铭牌参数如表2所示,其启动特性如图3所示.图3表明变频空气源热泵在电力电子功率变换设备的驱动下能平滑启动,有功功率与无功功率均未出现越限情况.
表2变频空气源热泵基本参数
Tab.2Basicparametersforairsourceheatpumpwithvariablefrequency


图3变频空气源热泵启动特性实测
Fig.3Actualmeasurementofstartupcharacteristicsofairsourceheatpumpwithvariablefrequency
通过两类型空气源热泵启动过程的定量和定性分析可知,空气源热泵启动的瞬时功率与空气源热泵的电动机特性有着较大关系.如定频空气源热泵所采用的异步电机,其瞬时有功功率可达到额定功率的4倍,总电流值可达到额定电流的7倍.因此,在同一变压器台区下,若多台设备同时启动可能造成变压器的瞬时过载与电压跌落.同时,在北京市大规模推广的城郊“煤改电”工程中,考虑到煤改电负荷的季节性变化与日变化,多采用非晶变压器,其空载损耗低,但过载能力不足,增加了电网的风险隐患.
针对规模化空气源热泵接入配电网,对变压器低压侧启动支撑能力的评估需求,并考虑到未来配电网增容改造的合理评估与运行控制的安全要求,本文以单体空气源热泵启动特性为基础,采用非贯序蒙特卡洛模拟计算得到两种类型多台空气源热泵共同工作时的启动特性.
非贯序蒙特卡洛模拟的基本思想是利用各空气源热泵运行状态之间的独立性,抽样判断出某一热泵的运行状态,从而得到电网系统的整体状态.该种评估方法被广泛应用到电力系统风险评估中,本文使用该方法并假设某一空气源热泵存在运行和停机两种状态,并用Si表示第i个设备的状态,1,0分别表示运行与停机状态,Pi表示停机概率,则有
(4)
式中,Ri为在[0,1]区间上随机抽取的值.
对一个含有M个空气源热泵的低压配电网随机重复抽取N次,可以得到电网的整体运行状态集合为S=(S1,S2,…,Sk,…,SN).当抽取次数N足够大时,可以近似确定某一状态Sk的概率为
(5)
式中,m(Sk)为状态Sk出现的次数.
本文将抽样次数的阈值作为终止条件,并在达到阈值时,检验方差系数.若满足则结束模拟;否则增加抽样阈值并继续抽样.
常用的蒙特卡洛模拟法有连续模型和离散模型两种.连续模型使用正态分布来近似模拟空气源热泵运行状态的不确定性;而离散模型则使用空气源热泵的功率及其对应的概率来描述.
由于离散模型并不能准确反映规模化空气源热泵运行过程中的不确定性和负荷变化,因此本文使用连续模型进行模拟.在模拟中假设定频空气源热泵和变频空气源热泵的启动同步率p和启动延迟时间q分别服从正态分布,即

(6)

(7)
式中:μp、σp和μq、σq分别为p和q的均值和方差;f(p)和f(q)为分布函数.
根据空气源热泵的定性和定量分析,本文定义了系统失稳损失风险和电流越限风险来评估电网稳定性.
1) 系统失稳损失风险.空气源热泵的运行状态按照某一概率函数抽样时,某些抽样值可能失稳,从而产生失稳损失,系统失稳风险值可表示为
(8)
式中:n为抽样次数;Pl为第i个失稳抽样值的次数占总抽样次数的比例;λ为失稳导致相应的经济损失.
2) 电流越限风险.该风险指标的表达式为
(9)
式中:PSk为第k个空气`源热泵状态Sk运行的概率;D为电流越限状态的集合;βSk为电流越限严重程度评价参数.
3) 综合风险指标.该指标由系统失稳损失风险和电流越限风险的加权和表示,基于多次交叉实验,本文设置权值分别为0.28和0.72,其表达式为
Rcom=0.28Rl+0.72PLSV
(10)
规模化空气源热泵启动时,电网风险评估流程主要包括以下两步:
1) 使用非贯序蒙特卡洛法对空气源热泵运行状态随机抽样,并根据式(6)、(7)计算此时各热泵的功率;
2) 计算电网各项风险发生的概率,并计算各项指标,从而分析规模化空气源热泵启动时对电网的影响.
为了验证所提模拟方法的有效性,本文以北京某郊区以空气源热泵为主要设备的村落台区低压配电网为研究对象,同时,设定每户接入空气源热泵分为定频与变频两种情况.
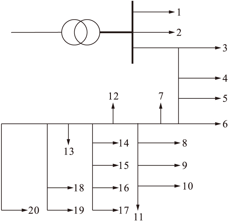
台区低压电网的拓扑结构如图4所示,台区下共有低压用户20户,每个用户为农家院,居住面积200 m2,变压器容量400 kW.其中,3、4、5、6、8、9、10、11、12、17、19、20号节点处安装定频空气源热泵,其他节点处安装变频空气源热泵.

图4煤改电村落台区低压电网拓扑结构
Fig.4Topologicalstructureoflowvoltagepowergridinvillageterrace(T)areawithchangefromcoaltoelectricity
在模拟中定频空气源热泵由于采用断续启停的工作方式,在优惠电价开始时刻同步率较高;而变频空气源热泵由于采用闭环控制,根据各个居室条件控制输出功率,所以同步率相对较低.又由于二者均采用微控制器,时间精度驱动,故延迟时间均值设定在0.5 s.本文以定频及变频两种类型空气源热泵实测曲线为基础,设定定频空气源热泵的启动同步率与启动延迟时间分别服从(0.8,0.4),(0.5,0.2)的正态分布;而变频空气源热泵的启动同步率与启动延迟时间分别服从(0.6,0.4),(0.5,0.2)的正态分布.
针对两种空气源热泵设定的启动同步率与启动延时的分布规律,对所选台区内空气源热泵的启动过程进行了模拟.定频空气源热泵模拟情况如图5所示;变频空气源热泵模拟情况如图6所示.由图5和图6的蒙特卡洛模拟结果可知,定频空气源热泵虽价格较为低廉,但启动冲击较大;而变频空气源热泵的启动过程更为平坦.

图5台区定频空气源热泵模拟
Fig.5SimulationofairsourceheatpumpwithfixedfrequencyinTarea

图6台区变频空气源热泵模拟
Fig.6SimulationofairsourceheatpumpwithvariablefrequencyinTarea
为了评估不同类型的空气源热泵对电网的影响,本文计算了部分节点的各种风险指标.系统失稳损失风险指标、电流越限风险指标及综合风险指标结果如图7~9所示.

图7部分节点系统失稳损失风险指标
Fig.7Riskindexofsysteminstabilitylossofpartialnodes

图8部分节点电流越限风险指标
Fig.8Riskindexofover-limitcurrentforpartialnodes

图9各节点综合风险指标
Fig.9Comprehensiveriskindexofeachnode
从图7可以看出,节点5的系统失稳损失风险值最大,而节点7的值最小,这表明节点7的可靠程度对电网的稳定性影响较大,而节点5的可靠程度对电网的稳定性影响较小,因此,在规模化空气源热泵同步启动时应格外关注节点7;从图8可看出,3、6、17、19、20节点发生电流越限的风险较高,这些节点极易发生电流冲击并影响电网的稳定性;从图9可以看出,节点6的综合风险指标最大,即该点极易导致电网的不稳定.
通过对台区两种类型空气源热泵启动特性的蒙特卡洛模拟结果可知,定频空气源热泵虽价格较为低廉,但启动冲击大,且对电网的影响更大;而变频空气源热泵则启动平缓,在未来推广中应综合考虑配电设施投资费用与运行安全,逐步增加变频空气源热泵所占比例.
大量空气源热泵同时启动,会冲击电网的稳定性,并影响电网的安全运行.本文使用定性和定量的方法分析了定频空气源热泵和变频空气源热泵的启动特性.仿真结果表明,定频空气源热泵在启动时有功功率与无功功率均出现了较大的冲击电流;而变频空气源热泵不仅能减少启动次数,且启动更加平滑.本文提出的评估方法能有效评估规模化空气源热泵启动时电网的稳定性和风险指标,为分析规模化空气源热泵对配电网稳定性带来的影响提供了有效的分析手段.
参考文献(References):
[1] Bourke G,Bansal P.Energy consumption modeling of air source electric heat pump water heaters [J].Applied Thermal Engineering,2010,30(13): 1769-1774.
[2] Wu W,Zhang X,Li X,et al.Comparisons of different working pairs and cycles on the performance of absorption heat pump for heating and domestic hot water in cold regions [J].Applied Thermal Engineering,2012,48(1):349-358.
[3] 毕宏彦,崔志洋,张伟.空气源热泵控制系统开发 [J].现代电子技术,2013(22):150-151.
(BI Hong-yan,CUI Zhi-yang,ZHANG Wei.Development of control system of air-source heat-pump [J].Modern Electronics Technique,2013(22):150-151.)
[4] 董旭,田琦,武斌.太阳能光热空气源热泵制热技术研究综述 [J].太原理工大学学报,2017,48(3):443-452.
(DONG Xu,TIAN Qi,WU Bin.Review of the research on the heating technology of solar thermal air source heat pump [J].Journal of Taiyuan University of Technology,2017,48(3):443-452.)
[5] 曾江,蔡东阳.基于组合权重的蒙特卡洛电压暂降评估方法 [J].电网技术,2016,40(5):1469-1475.
(ZENG Jiang,CAI Dong-yang.Monte Carlo method for evaluating voltage sags based on combined weights [J].Power System Technology,2016,40(5):1469-1475.)
[6] 叶莘,韦钢,马雷鹏,等.含分布式电源的直流配电网供电能力评估 [J].电力系统自动化,2017,41(9):58-64.
(YE Shen,WEI Gang,MA Lei-peng,et al.Evaluation of power supply capability of DC distribution network with distributed generation [J].Automation of Electric Power Systems,2017,41(9):58-64.)
[7] Zhang Z Y,Wang F,Da W F,et al.Experimental research on performance optimization of solar-air source heat pump water heater [J].Journal of Refrigeration,2013,664(5):1002-1006.
[8] Tangwe S L,Simon M,Meyer E L.Prediction of coefficient of performance and simulation design of an air-source heat pump water heater [J].Journal of Engineering,Design and Technology,2017,15(3):378-394.
[9] Cabrol L,Rowley P.Towards low carbon homes:a simulation analysis of building-integrated air-source heat pump systems [J].Energy and Buildings,2012,48(5):127-136.
[10] Ibrahim O,Fardoun F,Younes R,et al.Air source heat pump water heater: dynamic modeling,optimal energy management and mini-tubes condensers [J].Energy,2014,64(5):1102-1116.
[11] Hakkaki-Fard A,Aidoun Z,Ouzzane M.Improving cold climate air-source heat pump performance with refrigerant mixtures [J].Applied Thermal Engineering,2015,78(7):695-703.
[12] Vieira A S,Stewart R A,Beal C D.Air source heat pump water heaters in residential buildings in Austra-lia: identification of key performance parameters [J].Energy and Buildings,2015,91(7):148-162.
[13] 于娜,李晓桐,孟涛,等.基于对偶抽样蒙特卡洛法的有源配电系统可靠性评估 [J].电力电容器与无功补偿,2017(4):177-182.
(YU Na,LI Xiao-tong,MENG Tao,et al.Reliability assessment of active distribution systems based on dual sampling Monte Carlo method [J].Power Capacitor and Reactive Power Compensation,2017(4):177-182.)
[14] 邓旭阳,陈志光,梁志远,等.基于蒙特卡洛方法的继电保护风险评估 [J].电网与清洁能源,2016,32(1):24-31.
(DENG Xu-yang,CHEN Zhi-guang,LIANG Zhi-yuan,et al.Risk assessment of relay protection based on Monte Carlo method [J].Power Grid and Clean Energy,2016,32(1):24-31.)
[15] 陈鹏伟,陶顺,肖湘宁,等.主动配电网可靠性评估源荷模型改进及并行处理 [J].电力系统自动化,2016,40(18):68-75.
(CHEN Peng-wei,TAO Shun,XIAO Xiang-ning,et al.Improvement and parallel processing of source load model for reliability evaluation of active distribution network [J].Automation of Electric Power Systems,2016,40(18): 68-75.)
[16] 许鹏程,陈启,刘文霞,等.引入交叉熵与动态故障集的含风电大电网可靠性评估 [J].电力系统自动化,2016,40(13):28-34.
(XU Peng-cheng,CHEN Qi,LIU Wen-xia,et al.Reliability evaluation of wind power TV network with cross entropy and dynamic fault sets [J].Automation of Electric Power Systems,2016,40(13):28-34.)
[17] 陆丹,袁越.基于故障树蒙特卡洛模拟法的孤岛微电网薄弱环节识别 [J].电力自动化设备,2017,37(4):38-44.
(LU Dan,YUAN Yue.Identification of weak links in isolated microgrid based on fault tree Monte Carlo simulation method [J].Electric Power Automation Equipment,2017,37(4):38-44.)
[18] 雷为民,苗友忠,罗玮,等.电网电压不平衡情况下双馈风力发电变流器控制 [J].沈阳工业大学学报,2017,39(6):612-616.
(LEI Wei-min,MIAO You-zhong,LUO Wei,et al.Control of doubly-fed wind power generation conver-ter under unbalanced grid voltage [J].Journal of Shenyang University of Technology,2017,39(6):612-616.)
DING Yi-feng, GONG Cheng, MA Long-fei, XU Hui, SHAO Wen-jun
(Power Research Center, State Grid Beijing Electric Power Company, Beijing 100075, China)
Abstract:In order to solve the problem that when the a large number of air source heat pumps are simultaneously started, the power grid will get impacted and the safe and stable operation of power grid will be affected, an evaluation method based on non-sequential Monte Carlo simulation was proposed. Based on the study on the startup characteristics of both air-source heat pump with fixed frequency and DC air-source heat pump with variable frequency, the non-sequential Monte Carlo method and risk theory were used to simulate and analyze the stability characteristics and power grid risk when the large scale air source heat pumps were started. The research results of low-voltage distribution power grid for a certain village show that the proposed method can effectively assess the stability and risk indexes of power grid when the large scale air source heat pumps get started, which can provide an effective analytical method for the influence of large scale air source heat pump on the stability of power grid.
Keywords:air source heat pump; risk assessment; power grid; stability; non-sequential Monte Carlo; low voltage distribution power grid; servo motor; large scale
doi:10.7688/j.issn.1000-1646.2018.05.02
* 本文已于2018-08-29 15∶26在中国知网优先数字出版. 网络出版地址: http:∥kns.cnki.net/kcms/detail/21.1189.T.20180828.1128.010.html
作者简介:丁屹峰(1971-)男,山西太原人,高级工程师,博士,主要从事电网节能与能效等方面的研究.
基金项目:国网公司科技计划资助项目(52022316001B).
收稿日期:2017-11-24.
文章编号:1000-1646(2018)05-0486-06
文献标志码:A
中图分类号:TM 93
(责任编辑:景 勇 英文审校:尹淑英)