基于BLDCM驱动故障容错切换后的转矩脉动抑制*

白国长, 姬淼鑫

(郑州大学 机械工程学院, 郑州 450001)

摘 要: 为了抑制无刷直流电机驱动故障容错切换后的转矩脉动,在传统容错状态工作特性的基础上,提出了一种准Z源网络三相四开关逆变器的容错方法.通过故障相的诊断分析,设计了基于准Z源网络三相四开关逆变器的容错拓扑结构.利用MATLAB模拟故障容错状态,并建立了模拟遁甲钻井系统中无刷直流电机的控制系统实验平台进行实验验证.实验结果与仿真结果具有一致性,验证了准Z源网络三相四开关逆变器的容错方法在抑制转矩脉动,减小电机抖动和噪声上的可行性和有效性.

关 键 词: 无刷直流电机; 转矩脉动; 传统容错; 诊断; 准Z源网络; 三相四开关; 逆变器; 容错拓扑

由于无刷直流电机(BLDCM)功率密度大、效率高,故在航空、航天及遁甲钻井设备中得到广泛应用,且对可靠性要求极高,容错控制是提高其可靠性的重要方法[1].BLDCM系统中功率半导体器件是最易发生故障的薄弱环节,在三相六开关至三相四开关的容错切换电路中母线电流易发生畸变,尤其在换向过程中,母线电压与是其四倍大小的相反电动势无法达到平衡,致使电机产生较大的转矩脉动[2].高精度遁甲钻井设备和大型航天器容错后产生的转矩脉动是评价高精度伺服系统可靠性的重要指标[3-4],可对发生故障后的逆变器重新配置容错电路拓扑,并能够结合相应的控制算法维护系统的可靠性和稳定性[5-6].近年来,许多学者对电机功率管故障容错进行了研究.文献[7]提出每相施加一个转矩滞后控制,并为电机提供不同电压控制转矩,该方法简单有效,但滞环控制的引入会导致逆变器开关频率变得不固定;文献[8]提出了一种基于相电流模式识别的故障检测和多相容错策略,该方法稳健高效,但重构运行策略较为复杂;文献[9]提出了一种非工作桥臂换向(NWBAC)方案进行容错,消除了额外硬件成本,但该方法在控制策略上需分四种模式并需多步运行,实现过程相对繁琐和复杂;文献[10]提出了基于补偿电压矢量的四开关逆变器的过调制方法,提高了电源电压的利用率,但该方法需要根据不同的调制比确定不同的调制模式,增加了系统复杂度;文献[11-13]通过不平衡电压抑制方法降低电容不平衡分压对系统运行产生的不利影响,该方法可靠性较高,但算法复杂,不易实现.现有文献对电机功率管故障容错控制进行了许多算法和策略上的研究,但在容错切换后的电机转矩脉动抑制问题上都存在不足,因此,开展有关BLDCM逆变器故障容错切换转矩脉动抑制的研究具有重要理论意义和应用价值.

本文针对BLDCM逆变器故障容错运行时产生较大转矩脉动的问题,提出了一种准Z源网络容错三相四开关逆变器的新型控制电路拓扑.在诊断出故障相后,准Z源网络拓扑自动切换到容错桥臂前级,构成准Z源网络的功率变换电路,相比文献[8]该容错控制更加简单.采用准Z源直流变换器调整换相电压来抑制转矩脉动,根据获得的换向时刻信息,通过开关选择电路决定电源电压或准Z源网络输出电压作为电机逆变器直流母线的输入电压,根据不同的调制比可得到所需电压值,从而有效抑制电机的转矩脉动,并减小了电机的抖动和噪声.

1 无刷直流电机正常工作状态

1.1 传统三相六开关逆变器模型

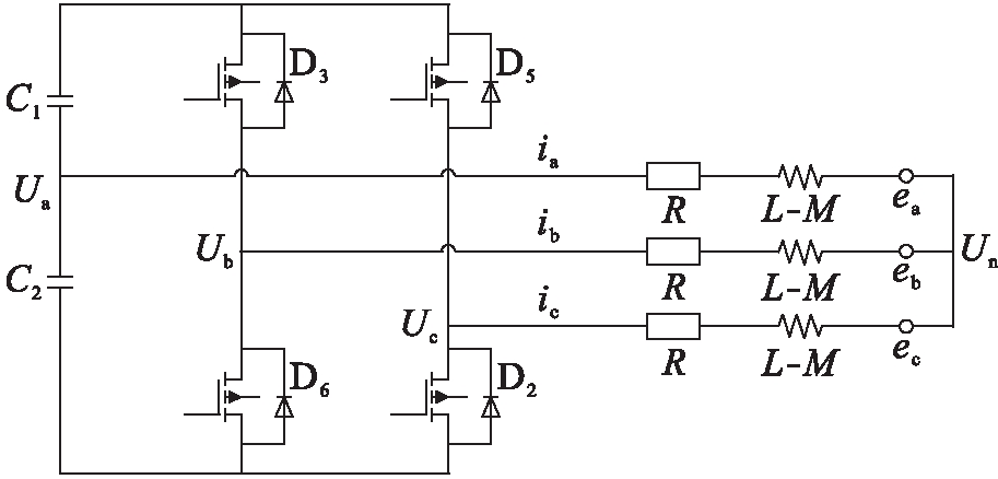
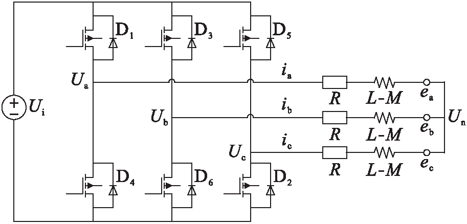
图1为无刷直流电机传统三相六开关逆变器拓扑图,图1中Un为中性点电压.三相绕组的电压平衡方程为

(1)

式中:UaUbUc为三相定子电压;iaibic为三相定子电流;eaebec为三相定子相反电动势;L为三相定子自感;M为三相定子绕组之间的互感;R为三相定子绕组的相电阻;P为微分算子.

图1 三相六开关逆变器拓扑图
Fig.1 Topology of three-phase four-switch inverter

1.2 无刷直流电机正常工作状态

利用六开关逆变器驱动三相BLDCM时,其本质问题是如何参照转子位置传感器的反馈信号并利用逆变器的电压矢量驱动BLDCM产生标准的相电流波形.表1为正常工作状态下六开关逆变器的开关器件导通顺序.

表1 六开关逆变器的开关器件导通顺序
Tab.1 Conduction sequence of switch devices for six-switch inverter

转子角度(°)工作相电流方程导通器件-30~30c、bia=-(ib+ic)=0D5、D630~90a、bic=-(ib+ia)=0D1、D690~150a、cib=-(ia+ic)=0D1、D2150~210b、cia=-(ib+ic)=0D3、D2210~270b、aic=-(ib+ia)=0D3、D4270~330c、aib=-(ia+ic)=0D5、D4

2 逆变器单管故障诊断

图2为逆变器单管开路故障.以功率变换器a相桥臂D1管故障为例,当a相桥臂正相导通受阻时,在正常工作条件下电流均可经过D4续流减小为零,而在续流过程中母线电流为零,因而可通过检测母线电流来诊断电路故障.

通过检测母线电流,可得出不同状态下电路是否发生故障.如果检测到某一状态下母线电流为0,则令其数值为1,反之为0.逆变器的开关器件故障诊断结果如表2所示.通过表2的故障诊断策略可快速有效地诊断出故障管,进而对相应的桥臂进行容错.

图2 逆变器单管开路故障
Fig.2 Single open circuit fault of inverter

表2 逆变器的开关器件故障诊断
Tab.2 Fault diagnosis of switch devices of inverter

状态1状态2状态3状态4状态5状态6故障管110000D6011000D1001100D2000110D3000011D4100001D5

3 准Z源网络三相四开关逆变器容错切换

3.1 容错切换原理

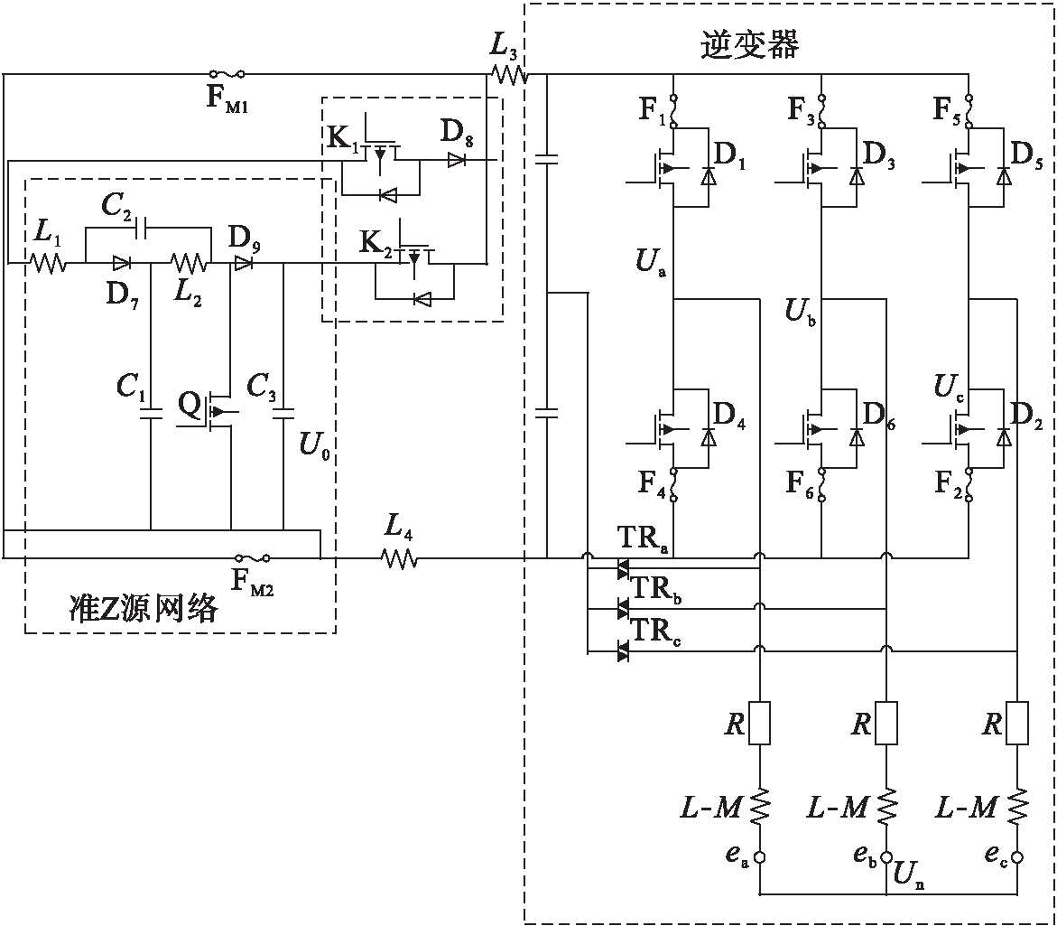
图3所示的主电路拓扑结构包括准Z源网络拓扑、Switch控制和逆变器拓扑结构.图3中Q为MOS管;K1、K2为信号开关;U0为准Z源网络的母线电压;FM1、FM2为保护开关;F1~F6为熔断开关;TRa、TRb、TRc为双向晶闸管.准Z源网络中的Q提供短路状态,Q的占空比决定了准Z源网络的输出电压,二极管D9和电容C3可使输出电压保持稳定.Q始终以一定占空比开通关断,并及时为电容充电以保证电压稳定.非换相时K1导通,K2关断,准Z源网络不接入主回路,电源给三相逆变器供电.换相时K2导通,K1关断,接入准Z源网络并调整换相电压.在换相期间Q短路,D9可以防止U0直接与地短路.此外,在换相时间段K2导通,U0高于电源电压,K1的晶体二极管导通,电流可能会流向电源,因而需要加入串联的反向二极管D8.电感L3L4可以确保在容错切换时电机逆变器母线电流不会瞬时骤减.

3.2 三相四开关主电路容错拓扑

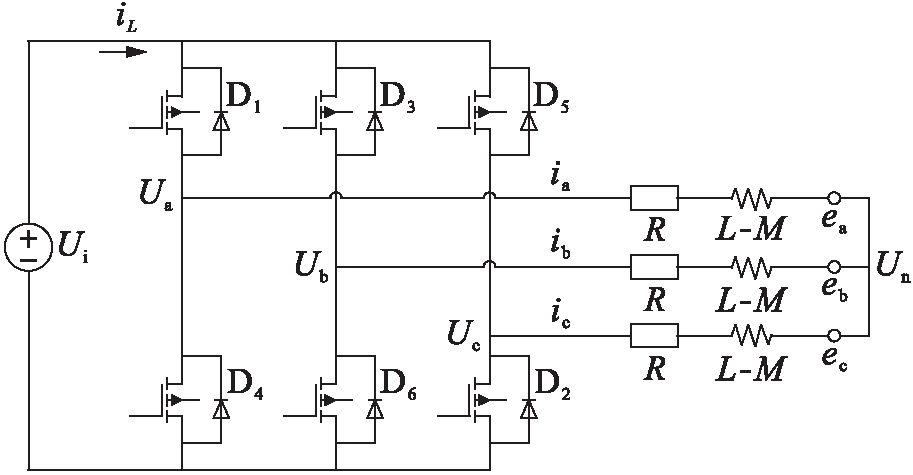
图3中母线间两串联电容的中点分别通过双向晶闸管连接到三相绕组端,在三个桥臂中分别串联两个快速熔丝.当某一桥臂功率器件发生短路或开路故障时,断开故障桥臂,同时打开相应的双向晶闸管,并重构如图4所示的三相四开关逆变器容错拓扑.三相四开关逆变器逻辑工作关系如表3所示.

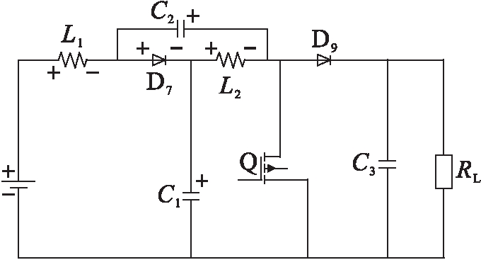
3.3 准Z源网络拓扑

当三相四开关逆变器容错运行换向时,相电压幅值减小,相电流畸变严重,转矩脉动增加幅度剧烈,使得电机产生严重的振动和噪声,同时对功率开关器件造成严重损耗,严重影响电机的可靠性.因此,本文在容错桥臂前切入准Z源网络,在线调整换相时刻的电压值,稳定相电流的输出,使得转矩脉动减小,确保容错工作状态稳定进行.图5为准Z源网络拓扑.MOS管Q代替逆变器实现直通状态并为电感储能.

图3 主电路容错拓扑结构
Fig.3 Fault-tolerant topological structure of main circuit

图4 三相四开关逆变器容错拓扑
Fig.4 Fault-tolerant topology of three-phase four-switch inverter

表3 三相四开关逆变器逻辑工作关系
Tab.3 Logic operating relationship for three-phase four-switch inverter

转子角度(°)工作相电流方程导通器件-30~30c、bia=-(ib+ic)=0D5、D630~90a、bic=-(ib+ia)=0D690~150a、cib=-(ia+ic)=0D2150~210b、cia=-(ib+ic)=0D3、D2210~270b、aic=-(ib+ia)=0D3270~330c、aib=-(ia+ic)=0D5

图5 准Z源网络拓扑
Fig.5 Quasi-Z source network topology

3.4 准Z源网络变换器升降压原理

图6为准Z源网络的两种工作状态.当准Z源网络处于短路状态时,电容C1C2相当于串联,C2正极接到C1负极,二极管D7反向截止.电容C1C2给电感L2储能,IL2增加,UL2为正值.同时,电源和电容C2释放电能并给电感L1储能,IL1上升,UL1为正值.当准Z源网络处于非短路状态时,IL1IL2下降,UL1UL2为负值.由于U0=Ui+UL1+UL2>Ui,因此,准Z源网络可以使母线电压升高.

图6 准Z源网络的两种工作状态
Fig.6 Two operating states of quasi-Z source network

假定一个开关周期为T,短路状态时间为T0,非短路状态时间为T1,则

T=T0+T1

(2)

(3)

式中,D为占空比.

短路状态下由图6a可以得到

UL1=Ui+UC2

(4)

UL2=UC1

(5)

U0=0

(6)

Ud=UC1+UC2

(7)

式中:Ui为电源输入电压;Ud为储能电压.

非短路状态下由图6b可以得到

UL1=Ui-UC1

(8)

UL2=-UC2

(9)

U0=UC1-UL2=UC1+UC2

(10)

在系统稳态状态下一个开关周期内电感的平均电压等于零,即

(11)

通过求解方程式,可得

(12)

(13)

(14)

当占空比D<0.5时,短路状态下的升压因子可以表示为

(15)

调整B的大小可以升高负载的输入电压,设降压调制比为M,则

U0=BMUi

(16)

由于BM∈(0~+∞),因此,准Z源变换器理论上可以输出任意期望电压值.

3.5 容错模式的控制策略

在理想120°电角度相反电动势波形中,电流迟滞较小.在换相时刻,如果相反电动势保持不变,转矩脉动与转速有关.本文通过检测母线电流诊断出逆变桥故障相,然后隔离故障相,进入准Z源网络的三相四开关容错拓扑模式.在容错模式下,通过控制准Z源网络在逆变桥前级的切入和断开,在线调整母线电压,确保换向时刻母线电压与是其四倍大小的相反电动势相等,从而有效抑制了三相四开关容错模式下的转矩脉动.

4 仿真及实验验证

4.1 仿真验证

为了验证上述容错切换方案的可行性和有效性,利用MATLAB/Simulink建立三相四开关的容错切换模型,仿真相关参数如表4所示.

表4 仿真参数设置
Tab.4 Setting of simulation parameters

电机额定电压V磁极数线电阻mΩ线电感mH额定转速(r·min-1)10001070351000

图7为仿真模式下传统容错拓扑得到的相电流与相反电动势波形图.图8为仿真模式下切入准Z源网络的三相四开关的相电流与相反电动势波形图.

图7 传统故障容错的仿真波形图
Fig.7 Simulated waveform for traditional fault-tolerance

比较图7a和图8a可知,切入本文提出的容错拓扑结构后,电流畸变量明显降低,相电流更加接近方波.比较图7b和图8b可知,切入本文提出的容错拓扑结构后,相反电动势顶部更加平滑,且更加接近120°梯形波.

图8 切入准Z源网络的仿真波形图
Fig.8 Simulated waveform with quasi-Z source network

为了直观验证容错后电机转矩脉动的抑制情况,需要进行转矩测试,结果如图9所示.对比图9a、b可知,电机发生故障后,切入准Z源网络的容错拓扑的电机转矩脉动相比传统容错拓扑明显减小.

图9 仿真转矩图
Fig.9 Simulated torque waveform

4.2 实验验证

为了验证上述容错切换方案在工程上的可实用性,建立了模拟遁甲钻井系统中无刷直流电机的控制系统实验平台(见图10).采用DSPTMS320F28335控制板核心,通过DSP程序实现调试,相关实验参数如表4所示.

图10 遁甲钻井电机系统实验平台
Fig.10 Experimental platform for drilling motor system

图11为实验条件下传统故障容错的相电流与相反电动势波形图.图12为实验条件下切入准Z源网络的三相四开关的相电流与相反电动势波形图.对比图11a和图12a可知,切入本文提出的容错拓扑结构后,相电流更加接近方波.对比图11b和图12b可知,切入本文提出的容错拓扑结构后,相反电动势顶部更加平滑,且更加接近120°梯形波.

图11 传统故障容错的实验波形图
Fig.11 Experiment waveform for traditional fault-tolerance

图12 切入准Z源网络的实验波形图
Fig.12 Experimental waveform with quasi-Z source network

图13为实验条件下传统故障容错与切入准Z源网络的三相四开关转矩图.由图13a、b可见,在故障模式下切入准Z源网络的容错拓扑的电机转矩脉动明显低于传统容错拓扑.

图13 实验转矩图
Fig.13 Experimental torque waveform

5 结 论

针对遁甲钻井设备中的无刷直流电机中所有环节一旦启动工作就不能更换的特殊条件,针对电机内部最易发生故障的逆变器环节,提出了一种准Z源网络容错的三相四开关拓扑.该方法在诊断出故障相后,将准Z源网络拓扑自动切换到容错桥臂前级,构成准Z源网络的功率变换电路.该拓扑根据获得的换相时刻信息,通过开关选择电路决定采用电源电压还是准Z源网络输出电压作为电机逆变器直流母线的输入电压.在容错切换中有效抑制了母线电压的瞬间骤变.通过准Z源网络实时调整换向时刻的母线电压,有效抑制了容错后的电机转矩脉动,减小了电机的抖动和噪声.

参考文献( References) :

[1]Fang J,Li W,Li H,et al.Online inverter fault diagnosis of buck-converter BLDC motor combinations [J].Power Electronics IEEE Transactions on Power Electronics,2015,30(5):2674-2688.

[2]Zhang X M,Han Q L.Output feedback stabilization of networked control systems with a logic zero-order-hold [J].Information Sciences,2016,381:78-91.

[3]王少鹏,张安堂,王君力.一种抑制无刷直流电机转矩脉动的调制方法 [J].空军工程大学学报(自然科学版),2017,18(3):73-78.

(WANG Shao-peng,ZHANG An-tang,WANG Jun-li.A modulation method to decrease commutation torque ripple of brushless DC motors [J].Journal of Air Force Engineering University(Natural Science Edition),2017,18(3):73-78.)

[4]Li H,Li W,Ren H.Fault-tolerant inverter for high-speed low-inductance BLDC drives in aerospace applications [J].IEEE Transactions on Power Electronics,2016,32(3):2452-2463.

[5]Salehifar M,Moreno-Equilaz M.Fault diagnosis and fault-tolerant finite control set-model predictive control of a multiphase voltage-source inverter supplying BLDC motor [J].ISA Transactions,2016,60:143-155.

[6]夏鲲,朱琳玲,曾彦能,等.基于准Z源网络的永磁无刷直流电机换相转矩脉动抑制方法 [J].中国电机工程学报,2015,35(4):971-978.

(XIA Kun,ZHU Lin-ling,ZENG Yan-neng,et al.Researches on the method of suppressing commutation torque ripple for brushless DC motors based on a quasi-Z-source net [J].Proceedings of the CSEE,2015,35(4):971-978.)

[7]Wang J,Huang X Y,Fang Y T,et al.A fault-tolerant direct torque control strategy for a brushless DC motor driven by a single sided matrix converter [C]//International Conference on Electrical Machines and Systems.Chiba,Japan,2017:1-5.

[8]Salehifar M,Arashloo R S,Moreno-Equilaz J M,et al.Fault detection and fault tolerant operation of a five phase PM motor drive using adaptive model identification approach [J].IEEE Journal of Emerging & Selected Topics in Power Electronics,2017,2(2):212-223.

[9]Zhang J,Zhang Z,Wang Y,et al.Fault-tolerant control without extra hardware for doubly salient brushless DC motor drive under open-circuit faults [C]//Conference of the IEEE Industrial Electronics Society.Florence,Italy,2016:2790-2795.

[10]安群涛,孙醒涛,赵克,等.容错三相四开关逆变器 控制策略 [J].中国电机工程学报,2010,30(3):14-20.

(AN Qun-tao,SUN Xing-tao,ZHAO Ke,et al.Control strategy for fault-tolerant three-phase four-switch inverters [J].Proceedings of the CSEE,2010,30(3):14-20.)

[11]李国飞,滕青芳,高锋阳,等.容错三相四开关逆变器PMSM的模型预测转矩控制 [J].信息与控制,2015,44(6):697-702.

(LI Guo-fei,TENG Qing-fang,GAO Feng-yang,et al.Model predictive torque control of fault-tolerant thee-phase four-switch inverter permanent magnet synchronous motor [J].Information and Control,2015,44(6):697-702.)

[12]Fabri G,Loggia E D,Tursini M,et al.Fault-tolerant design of motor-drives for high reliability applications [C]//IEEE International Forum on Research and Technologies for Society and Industry.Turin,Italy,2015:219-225.

[13]朱更辉,陈国振,韩耀飞.基于虚拟同步发电机的光伏并网逆变器控制策略 [J].沈阳工业大学学报,2017,39(4):366-370.

(ZHU Geng-hui,CHEN Guo-zhen,HAN Yao-fei.Control strategy of photovoltaic grid-connected inverter based on virtual synchronous generator [J].Journal of Shenyang University of Technology,2017,39(4):366-370.)

Torque ripple suppression after fault-tolerant switching based on BLDCM driving

BAI Guo-chang, JI Miao-xin

(School of Mechanical Engineering, Zhengzhou University, Zhengzhou 450001, China)

Abstract In order to suppress the torque ripple of brushless DC motor (BLDCM) after the fault-tolerant switching, based on the traditional fault-tolerant operating characteristics, a fault-tolerant method for a three-phase four-switch inverter with the quasi-Z source network was proposed. Through the diagnosis analysis of fault phase with the proposed novel fault-tolerant method, a fault-tolerant topological structure for the three-phase four-switch inverter based on the quasi-Z source network was designed. The fault-tolerant states were simulated with the MATLAB, and the experimental platform for simulating the control system of BLDCM in the drilling system was established to perform the experimental verification. The experimental results are consistent with the simulation results, suggesting the feasibility and effectiveness of fault-tolerant method for the three-phase four-switch inverter with the quasi-Z source network in suppressing torque ripple and reducing the vibration and noise of motor.

Key words brushless DC motor; torque ripple; traditional fault-tolerance; diagnosis; quasi-Z source network; three-phase four-switch; inverter; fault-tolerant topology

中图分类号: TM 464

文献标志码:A

文章编号:1000-1646(2019)03-0279-07

收稿日期 2017-11-23.

基金项目 国家自然科学基金资助项目(U1304510).

作者简介 白国长(1968-),男,河南许昌人,副教授,博士,主要从事无刷直流电机控制等方面的研究.

*本文已于2019-05-09 10∶30在中国知网优先数字出版. 网络出版地址: http:∥kns.cnki.net/kcms/detail/21.1189.T.20190507.1354.004.html

doi:10.7688/j.issn.1000-1646.2019.03.08

(责任编辑:尹淑英 英文审校:尹淑英)