基于遗传算法的混合供能系统*

丁屹峰, 杨 烁, 梁安琪, 赵宇彤, 张雅静

(国网北京市电力公司 电力科学研究院, 北京 100075)

摘 要: 针对充分有效使用各种能源的问题,提出了一种基于遗传算法的混合供能系统.该系统能根据全天电负荷和热力负荷的实时变化来调度火力发电厂、风力发电机、光伏发电机和燃气轮机的使用,利用遗传优化算法求解在系统经济使用最小的情况下,电热混合供能系统的各组件运行状态.基于IEEE14节点网络的仿真与测试结果表明,所提出的优化方法和供能系统可以有效解决电热混合功能系统的优化调度问题,保证能源互联网络的经济运行.

关 键 词: 混合供能; 电能; 天然气; 热能; 电网; 热储能; 电储能; 风力

为了缓解化石能源日益减少的问题和温室气体排放、全球变暖等环境问题,世界各国开始采纳可持续发展的策略并使用可再生能源混合供能[1].

天然气、电能和热能等能量载体分别依附于电网、气体管道混合热水管等传输网络,相互独立运行[2].随着经济的快速发展,电网负荷也在逐渐增加,传统的集中式供电系统已出现各种问题[3],因此,分布式发电技术和分布式电源在现今的电力系统所占的比例越来越大.然而,仅依靠分布式发电并不能有效解决能源紧张的问题,众多专家和学者提出了能源互联系统的观点[4].能源互联系统是一种可以最大化开发利用清洁能源和可再生能源的生产模式,其通过信息采集与处理技术、能源存储技术和电力电子转换技术实现一体化的能源生产与消费[5-7].能源互联系统主要以冷电混合供能为主,通常包括系统规划、信息通讯、管理调度、能源供应和安全防御5个部分.各单元可以在能源不足时,向网络请求能源;而在能源充足时,可实现不同种类能源的自由转换和高度耦合[8].

目前,针对能源互联系统的研究主要集中在系统建模和优化调度等方面,如文献[9]在考虑实时电价和制热收益的基础上建立了热电联产模型,并使用遗传算法优化各微电源的有功和无功出力;文献[10]主要解决热电联产系统的出力分配问题,在考虑设备特性、能源平衡和负荷波动的基础上,建立了一个非线性优化模型;文献[11]使用燃料消耗费用、分布式电源的运行与维护费用构建系统成本函数;文献[12]根据IP网络建立了功率消耗的基本模型,并使用该模型来估计系统所损耗的能源;文献[13]则致力于多种能源的实时调度问题,建立了一种概率优化模型.

本文基于现有的研究和技术,着力解决电热混合供能系统的优化调度问题.该系统构建了电力网、风力发电、光伏发电和天然气网发电模型,并建立相应的损耗函数和运行成本函数,使用多目标遗传优化算法实现各模块的最优调度,本文使用IEEE14节点网络验证了所提出系统的可行性.

1 混合供能系统架构

本文建立了电热混合供能系统,该系统包括风力和光伏组成的分布式发电网络、电力网络、天然气网络以及电储能、热储能、燃料电池和电热负荷.该网络的负荷由分布式发电网络、电力网络和天然气网络联合供能,储能设备能根据电力负荷的使用情况进行充放电.为了便于分析与优化整个供能网络,本文分别对各模块进行了建模.

1.1 分布式发电建模

1.1.1 光伏发电模型

光伏发电即将太阳能转化为电能,其原理如图1所示.

图1 光伏发电原理图
Fig.1 Principle diagram of photovoltaic power generation

图1中,RL为电力负荷,其两端电压、电流为ULILRs为串联电阻;RSH为内阻;光子在太阳能板上激发的电流值为IPH,其值由电池板的有效面积、温度T和太阳能的强度决定.光照强度为零时,UL形成的单向电流为IVD,且有

(1)

式中:A为常数因子,当电压较大时值为1,否则为2;q=1.6×10-19 C;K为玻尔兹曼常数;I0为饱和电流;E为电动势.

由图1可知

(2)

由于Rs的值通常较小,RSH的值通常较大,为了简化分析,通常忽略它们的影响,则有

(3)

1.1.2 风力发电模型

风力发电的实质是风驱动发动机叶片旋转,并带动发动机将风能转化为电能,其发电功率可表示为

(4)

式中:v为实时风速;v0为额定风速;vin为启动风速;vout为停机风速;PN为额定输出功率.

1.1.3 燃气轮机模型

燃气轮机通过燃烧天然气输出电能和热能,其具有废气排放少和环境污染小的特点.假设,外界空气的温度和压强分别为(T0P0),当空气通过过滤器和发电机后,其温度与压强分别变为(T1P1),经压缩机处理后变为(T2P2),然后与燃料混合燃烧,变为(T3P3),气体燃烧后进入涡轮机并驱动发电机旋转产生电能.燃烧过程中消耗的天然气量为

(5)

式中:ZMT(t)为1台燃气轮机在t时间内消耗的天然气量;PMT(t)为产生的电功率;LHVNG为转换系数,本文取9.7 kWh/m3ηMT为发电效率,且有

ηMT=a+bPMT(t)+c(PMT(t))2+

d(PMT(t))3

(6)

式中,abcd为效率系数,本文按照文献[16]将它们设置为a=0.092 6,b=0.836 5,c=-1.013 5,d=0.416 6.

1.2 储能系统建模

1.2.1 电储能设备

本文使用电储能设备在电网负荷低谷时存储电能,在电网负荷高峰时提供电能.电储能设备的额定容量为S0,其充放电倍率C为充放电电流的比率,C=I/S0,其中,I为充放电时的工作电流.设备的剩余电量SOC为剩余容量与总容量的比值,t时刻的剩余电量SOC(t)为

SOC(t)=(1-τ)SOC(t-1)+

(7)

式中:τ为自放电效率;SOC(t-1)为t-1时刻的容量;ηchηdis为储能设备的充放电效率;PchPdis为充放电功率.

1.2.2 热储能设备

使用热储能设备不仅可以有效缓解热负荷需求高峰时的供求矛盾,并能提高热能利用率.热储能设备的数学模型为

EHS(t)=(1-μ)EHS(t-1)+

(8)

式中:EHS(t),EHS(t-1)分别为t时刻和t-1时刻的容量;ηHS,chηHS,dis为设备吸热效率与散热效率;QHS,ch(t),QHS,dis(t)为设备吸热功率和散热功率;μ为设备散热损失率.

2 系统目标函数

本文结合用电费率结构建立混合供能系统的经济运行目标函数,并忽略传输过程所消耗的电能和热能,建立目标函数为

CPV(t)-Cwind(t)-CES(t)-CHS(t)]

(9)

式中:CG(t)为发电成本;CMT(t)为天然气成本;CGB(t)为售热收益;VMT(t)为燃气轮机在t时刻的启停状态;CPV(t)、Cwind(t)为光伏发电和风力发电的收益;CES(t)、CHS(t)为电、热储能设备的供电和供热收益.发电与天然气成本表达式为

(10)

式中:CCO为电厂燃料消耗的成本;PG(t)为时段t的发电功率;CCH4为天然气单价.

混合供能系统在运行过程中,也需要考虑电功率、热功率的约束以及各设备的运行约束.电功率平衡约束为

PG(t)+PPV(t)+Pwind(t)+PMT(t)+PE,dis(t)=

PL(t)+PE,ch(t)

(11)

式中:PPV(t)、Pwind(t)分别为时段t的太阳能发电功率、风力发电功率;PL(t)为负荷需求量;PE,dis(t)、PE,ch(t)为电储能设备的放电功率和充电功率.

热功率约束为

QMT(t)+QGB(t)+QHS,dis(t)=

QL(t)+QHS,ch(t)

(12)

式中:QMT(t)、QGB(t)为时段t内燃气轮机的产热功率和燃烧天然气产生的热功率;QHS,dis(t)、QHS,ch(t)为储能设备的放热功率和储热功率;QL(t)为热负荷的需求量.

电储能设备约束条件为

(13)

式中:γE,chγE,dis为最大充电倍率和最大放电倍率;S0为储能设备的额定储能容量.

热储能设备约束条件为

(14)

式中:γHS,chγHS,dis为最大储热倍率和最大放热倍率;SHS为储能设备的额定储热容量.

3 基于遗传算法的混合供能系统优化

遗传算法是从生物进化规律中创造出的一种能处理离散变量,并具有较强全局寻优能力的搜索算法.使用遗传算法求解混合供能系统的主要步骤如下:

1) 输入原始数据和优化的目标函数,并初始化各发电机组、电负荷、热负荷的值以及约束条件.

2) 系统和种群初始化,设置时刻t=0 s和种群大小Ngen=0,并根据式(11)~(14)所示的约束条件对初代种群进行编码.

3) 使用式(9)所示的函数求解步骤2)中所生成种群的适应度值.

4) 从步骤3)中计算出的种群适应度值中选出适应度最大的个体,并对该个体进行选择、交叉和变异操作.

5) 判断步骤4)中得到的新个体是否满足迭代终止条件,若满足则终止迭代并输出个体编码;否则修改各机组的运行状态,并设Ngen=Ngen+1,跳到步骤3)直至迭代终止.

为简化系统的优化过程,本文使用二进制编码对混合供能系统中所有设备进行编码,染色体的长度由储能单元的总数决定.使用轮盘法来实现选择操作,根据每个个体适应度值在种群中的概率确定个体被选择的概率,则个体选择的概率pi可表示为

(15)

式中:fi为个体i的适应度值;为种群中所有个体适应度值的和.

交叉操作通过随机对两条染色体在相同位置进行断裂和交换组合,形成两条新染色体.本文使用式(16)所示的方法对染色体hl进行交叉操作,操作公式为

(16)

变异操作即将染色体某一位置的编码由1变成0或者由0变成1,本文使用式(17)进行变异操作,即

gij=1-gij

(17)

式中,gij为第i条染色体的第j个基因.

4 实验与分析

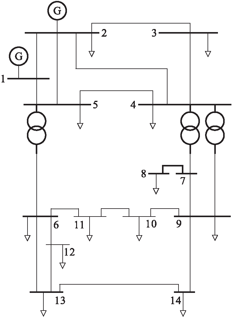
本文使用如图2所示的IEEE14节点系统进行仿真分析.该系统的节点1和节点2为10 kV级火力发电机组;节点3为风力和光伏发电机组;节点4和节点5为光伏储能设备,节点5为额定容量是100 MVA的变压器;节点6和节点7为燃气锅炉;节点9为热储能设备;节点10~14为电力负荷和热力负荷.其中,火力发电机组的额定容量为80 MW;光伏发电机组的额定容量为12 MW,功率上、下限为0和12 MW;风力发电机组的额定容量为30 MW,功率上、下限为0和30 MW;燃气锅炉的额定容量为20 MW,功率上、下限为0和20 MW;电储能设备的额定容量为10 MW,功率上、下限为-10和10 MW;热储能设备的额定容量为10 MW,功率上、下限为-10和10 MW.

图3~5为火电厂、风力发电机组和光伏发电机组在24 h内的实时功率图.从图3可以看出,发电功率与用电负荷的波动相关,呈现出谷、峰、平、峰、平的波形.在8~9时用电负荷变多,发电量也在变多;在21~23时用电负荷变少,发电量也随之减少.从图4可以看出,风力发电量具有较强的随机性,在夜间的风力要大于白天的风力,因此发电量也更多.从图5可以看出,光伏发电量随着光照强弱的变化而变化.在6~14时光照强度增加,发电量也随之增加;在14~19时光照强度减小,发电量也随之减小.图6为燃气轮机的发电和发热功率变化情况,从图6中可以看出,在0~6时受功率下限的限制,只有20 MW的发电功率和49 MW的发热功率;在7~10时,随着热力负荷的减小和电负荷的增加,燃气轮机以热定电;在17~21时,电热负荷均较大,故燃气轮机以电定热.图7为系统运行成本曲线,从图7中可以看出,在1~6时由于处于深夜时段,系统成本较平稳;在6~13时成本逐渐增加,并在11和12时达到次高峰;在13~17时成本减小;在17~20时成本再次增加,并达到最高峰;而在20~23时成本减小.

图2 IEEE14节点系统
Fig.2 IEEE14 node system

图3 火电厂实时功率图
Fig.3 Real-time power diagram of thermal power plant

5 结 论

本文提出了一种基于遗传算法的混合供能系统.通过分别建立风力发电机、光伏发电机和燃气轮机的模型以及电储能设备和热储能设备的模型,将混合功能系统的经济使用作为目标函数,并使用遗传算法优化求解,得到最优的电网调度方式.基于IEEE14节点网络的仿真与测试结果表明,本文所提出的优化方法和供能系统可有效解决电热混合功能系统的优化调度问题,确保能源互联网络的经济运行.

图4 风力发电机组实时功率图
Fig.4 Real-time power diagram of wind turbines

图5 光伏发电机组功率图
Fig.5 Power diagram of photovoltaic generators

图6 燃气轮机的发电和发热功率变化
Fig.6 Variation of generating and heating power of gas turbine

图7 系统运行成本曲线
Fig.7 Operation cost curve of system

参考文献:

[1]缪妙,李勇,曹一家,等.考虑环境因素的多能源系统交直流混合供能优化策略 [J].电力系统自动化,2018(4):128-134.

(MIAO Miao,LI Yong,CAO Yi-jia,et al.AC/DC hybrid energy supply optimization strategy for multi-energy systems considering environmental factors [J].Power System Automation,2018(4):128-134.)

[2]荆朝霞.供能设备模型对冷热电联供微网系统经济调度的影响 [J].南方电网技术,2016,10(8):32-39.

(JING Zhao-xia.Effect of energy supply equipment model on economic dispatch of microgrid system for CCHP [J].Southern Power Grid Technology,2016,10(8):32-39.)

[3]Huang S J,Huang K C,Hung T C,et al.Design of hybrid power supply system with energy regulation capability for hand-held tools [J].IEEE Transactions on Industrial Electronics,2017,64(2):1148-1156.

[4]Xiao J F.Multi-level energy management system for real-time scheduling of DC microgrids with multiple slack terminals [J].IEEE Transactions on Energy Conversion,2015,31(1):1-9.

[5]Wang D,Duan Q,Li Y,et al.Simulation of a solar-biogas hybrid energy system for heating,fuel supply,and power generation [J].International Journal of Energy Research,2017,9:89-97.

[6]张冬松,马琪.一种基于SVM的负载识别算法 [J].电子科技,2017,30(8):59-62.

(ZHANG Dong-song,MA Qi.A load identification algorithm based on SVM [J].Electronic Science and Technology,2017,30(8):59-62.)

[7]Beke T.A simple model for the energy supply of a stand-alone house using a hybrid wind-solar power system [J].European Journal of Physics,2016,37(1):804-819.

[8]闫峰.基于差分进化算法的供热节能控制系统 [J].沈阳工业大学学报,2017,39(3):328-332.

(YAN Feng.Heat-supply and energy-saving control system based on differential evolution algorithm [J].Journal of Shenyang University of Technology,2017,39(3):328-332.)

[9]Dou C X,Yue D,Guerrero J.Multi-agent system based event-triggered hybrid controls for high-security hybrid energy generation systems [J].IEEE Transac-tions on Industrial Informatics,2017,19(9):19-31.

[10]Blechinger P,Cader C,Bertheau P,et al.Global analysis of the techno-economic potential of renewable energy hybrid systems on small islands [J].Energy Policy,2016,98(8):674-687.

[11]Olatomiwa L,Mekhilef S,Ismail M S,et al.Energy management strategies in hybrid renewable energy systems:a review [J].Renewable and Sustainable Energy Reviews,2016,62(8):821-835.

[12]Marzband M,Ghazimirsaeid S,Uppal H,et al.A real-time evaluation of energy management systems for smart hybrid home microgrids [J].Electric Power Systems Research,2017,143(6):624-633.

[13]She P,Zhao L.Non-commutative composite water-fillings for energy harvesting and smart power grid hybrid system with peak power constraints [J].IEEE Transactions on Vehicular Technology,2016,65(4):2026-2037.

Hybrid energy supply system based on genetic algorithm

DING Yi-feng, YANG Shuo, LIANG An-qi, ZHAO Yu-tong, ZHANG Ya-jing

(Electric Power Research Institute, State Grid Beijing Electric Power Company, Beijing 100075, China)

Abstract Aiming at the problem of sufficient and effective utilization of various energy sources, a hybrid energy supply system based on the genetic algorithm was proposed. The system could schedule the utilization of thermal power plants, wind turbines, photovoltaic generators and gas turbines, according to the real-time changes of all-day electrical and thermal loads. In addition, the operating status of various components of electro-gas-thermal hybrid energy supply system was solved with the genetic optimization algorithm, under the condition of minimal economic involvement of system. The simulation and test results based on the IEEE14 node network show that the as-proposed optimization method and energy supply system can effectively solve the optimal scheduling problem of electro-gas-thermal hybrid energy supply system and ensure the economic operation of energy interconnection network.

Key words hybrid energy supply; electric energy; natural gas; thermal energy; power grid; thermal energy storage; electric energy storage; wind power

收稿日期 2018-06-12.

基金项目 国家电网公司科技项目(52022317001B).

作者简介 丁屹峰(1971-),男,山西太原人,高级工程师,博士,主要从事风电节能与能效分析等方面的研究.

*本文已于2019-08-28 14∶14在中国知网优先数字出版. 网络出版地址: http:∥kns.cnki.net/kcms/detail/21.1189.T.20190827.1739.026.html

doi:10.7688/j.issn.1000-1646.2019.05.04

中图分类号: TM 76

文献标志码:A

文章编号:1000-1646(2019)05-0501-05

(责任编辑:景 勇 英文审校:尹淑英)