基于改进积分滤波电路的实验室微弱漏电检测*

彭岚峰,朱海宽,陈 巍

(南昌大学 科学技术学院,南昌 330029)

摘 要:为了解决实验室微弱漏电难以检测的问题,提出了一种改进的积分滤波电路,以提高检测漏电事故的准确率.该积分滤波电路通过T型反馈电路、整形电路以及周期积分电路,对在一段时间内反复发生的漏电电流信号进行放大转化和整形,并结合时序控制完成对待检测信号的周期取样.同时依据周期取样信号的累积比较,实现实验室漏电事件的自动检测.结果表明,检测系统具有良好的效能和实用性,识别准确率可以达到96%以上.

关键词:微弱信号;漏电检测;实验室安全;T型检测电路;整形滤波电路;周期采样积分电路;阈值;信号处理

实验室用电安全是高校电力系统安全管理的难点.随着检测器件自动化水平的提高,实验室电路系统和用电设备的智能化监控管理逐步发展成熟,研究内容变的更加具体细致.检测设备线路的微弱漏电,提高用电安全隐患发现的时效性以及准确性,已成为科学管理实验室安全的重点[1-5].

常规的微弱电流检测主要通过对微弱电流信号进行放大,再转化为电压信号进行测量[6-9].为了得到期望精度的测量值,一般均需要配置高性能的运算放大器.之前大量研究实现了从单一运放到目前主流集成检测模块的电路改进,例如MAX471[10-12].然而,在实际应用检测过程中,实验室发生的各种微弱漏电事件由于用电条件复杂难以被及时检测发现,安全隐患的风险依然存在[13].造成这一现象的主要原因在于:实验室电路漏电信号本身通常具有快速变化的特点,没有确定的波形结构或频率特性,容易淹没在电路系统产生的热噪声中,且一旦出现,又通常具有持续性和周期性,即在一段时间内反复发生.现有的微弱信号检测电路的频率响应能力不足,对于这种快速变化的微弱信号识别效能有限[14-16].

针对以上问题,本文提出了一种改进积分滤波设计的微弱漏电检测系统.系统通过对采集得到的漏电电流信号进行放大转化,并进一步整形再结合时序控制,完成对待检测信号的周期取样.同时依据周期取样信号的累积比较,实现实验室漏电事件的自动检测.

1 电路设计及原理

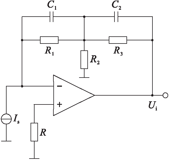
系统整体主要由4个模块构成,信号传递的第一步是将实验室的漏电电流信号进行采集,并进行放大.漏电电流检测一般要求高灵敏度,为了确保得到良好信噪比的放大信号,需要对检测输入的失调电流、偏置电流以及温度偏移、零线偏移等因素进行控制.考虑到电路设计成本和实验室推广便利性,本文采用如图1所示的T形反馈网络电路结构.其最大的特点就是结构简单,但却能够通过小的反馈电阻R1R3实现满足需求的增益放大信号.同时电路还具有补偿环路,可以滤除高频噪声干扰,保证漏电信号的被检测精度,且能够降低电路成本.

图1 漏电电流T型检测电路
Fig.1 T-type detection circuit for leakage current

检测的漏电电流Is从放大器负端被采集,经过放大转化生成漏电电压信号Ui.这里实际采集得到的漏电电流信号一般在几微安到十几毫安之间,转化生成电压信号Ui在几十毫伏到几伏之间,大约将原始采集的信号放大了100倍.同时因为电容滤波的存在,信号本身的高频热噪声被大量消除,从而在进入到周期取样和累计生成前,能够减小整形滤波的误差与难度.

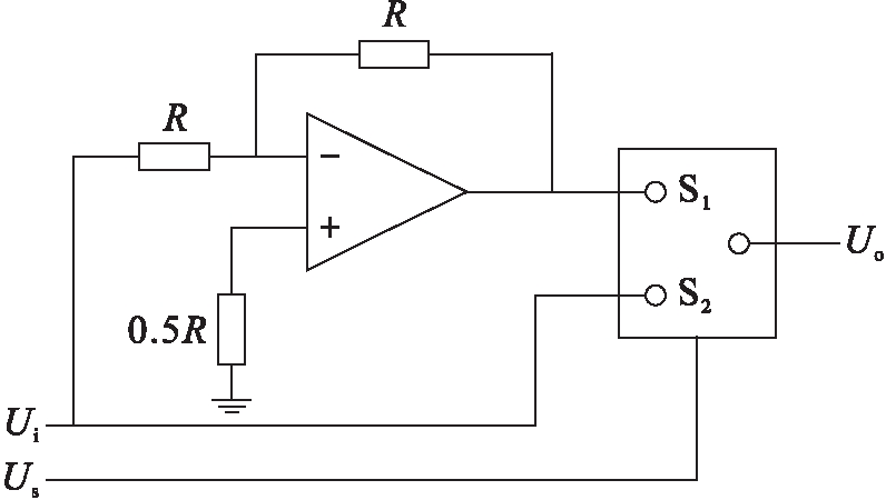
周期波动的漏电信号相对于参考电平信号具有正负波动特性.若直接进行周期采样累加,则可能因电压数据本身的正负叠加归零,使得检测失效.本文采用高精度绝对值电路进行整形滤波,具体的电路模型如图2所示.一组模拟开关S1、S2选通得到对应的漏电电压方法信号,依据信号的赋值和方向,进行波形翻转整形.具体电路实现过程为:首先确保漏电信号UiUs信号保持同步,后端的开关S1、S2配合Ui的正负进行对应的选择调节.当Ui为正值时,选择S2接通输出,电压信号为正;反之,则选择S1输出,并对输出的Uo信号取反,得到正值信号.开关组合设计的配合可以大幅消除非线性阻性器件对电压的波动干扰,同时,还避免了二极管检波管阈值电压的影响.

图2 整形滤波电路
Fig.2 Shaping filter circuit

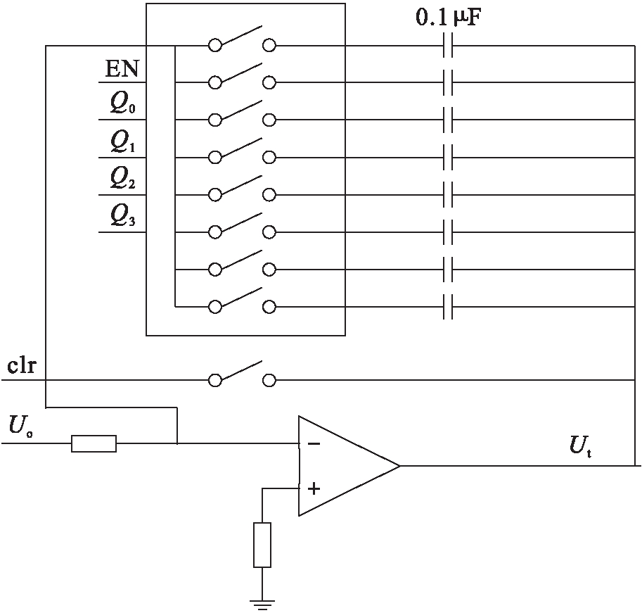
输出的电压信号Uo作为输入信号输入到最后的周期采样积分电路,具体的电路结构如图3所示.积分采样电路的核心是模拟开关芯片和积分电容.周期采样时序clr由外加的时序控制CPLD设计得到,作为时钟配合上位机的控制单元进行触发,并控制使能信号EN.接通开关芯片工作,选择Q0Q3进行顺次或间断采样.积分放大器相当于一个线性门函数积分器,将一个设定时段内电容上存储的数值进行累加合成.

将周期采样得到的积分累加信号与上位机通过样本训练得到的一个自适应阈值进行比较,即可判断实验室系统是否发生了微弱漏电事件.上述信号采集和分析的电路系统框图如图4所示.

这里系统配套的中央处理单元是一个上位机,其实现了整体信号控制.使用MSP430芯片配合CPLD编程辅助进行时序控制,保持与上位机之间的信号同步协调.芯片在进行连续检测过程中,设置在电路各个节点的漏电检测端,以一定的采样频率连续检测收集得到的信号,并将其进行放大、传递,进行累计检测.

图3 周期采样积分电路
Fig.3 Integral circuit for periodic sampling

图4 系统信号处理框图
Fig.4 System signal processing diagram

2 结构分析

取样积分包括两个步骤,先取样后积分.脉冲控制取样开关完成对输入信号的取样,积分器实现积分.假设积分器的输入电压为Ui(t),输出电压为Uo(t),积分电阻和电容分别为RC,则可得流过R的电流为

(1)

根据式(1)可得

(2)

采样积分采取多点取样积分方式,即每个信号周期取样M个点.对于线性门函数积分器,其性能与电路动态范围相关,取样次数M越大,其信噪比越大,两者之间的关系是信噪比约等于取样次数M的平方根.本文取样积分器设定的时间常数为Tc,对应门宽为Tg.

假设待检测的微弱信号为一近似周期函数,其数学表达式可表示为

(3)

式中:K为取样门增益;Um为取样电压.

ωTg→∞或ωTg→0时,高频分量与低频分量分别为

(4)

(5)

可得信号的高频分量与低频分量比值为

(6)

在式(6)比值大于3 dB时,对应的门宽需满足约束条件,即

(7)

3 实验验证与结果分析

实验室包括40台式计算机、两个集成服务器、一台网关、一个交换机以及用于供电的强电和弱电箱体、配套电线等结构.实验室中容易产生漏电的设备主要是老化的电线,计算机和外部供电段的接口,以及网关光电转换接口等位置.系统硬件电路对实验室布控的多个线路检测点进行了连续一周的全天监测.提取得到300个以上的不同漏电信号事件,持续时间从短暂的几秒钟到接续发生的几分钟.一般持续时间小于10 s的漏电信号与电路的局部震荡或者微小裂痕有关.该种事件在检测到后,即便是不做具体处理,也能自然恢复.检测关注的重点是持续1 min以上的漏电事件,其通常表示存在实质性的线路破损或者局部电路失灵.通过周期采样信号可以有效地追踪到此类信号,从而针对性地进行故障排查和维护.

图5展示了采集得到的一个持续2 min的连续漏电事件,信号经过T型反馈网络放大,其被增大转化为原来数值100倍的电压信号.上述电压信号经过整形滤波电路转变为正值,具体得到的数值波形如图5所示.

进一步将转化得到的信号作为输入,送入周期积分滤波电路.考虑到周期采集的频率需要确保采集得到的信号不会发生频率混叠失真,实际采集的周期信号取0.5 s、占空比为50%的方波信号.每个周期内采集得到4个数值信号,得到对应的采样生成信号如图6所示.

本文在积分生成对应的采样信号后,得到漏电信号的数值,并与不发生漏电时热噪声电平信号进行对比.对实验过程中的153例持续时间超过1 min的漏电检测事件进行分析,以正常检测得到的时间长度为1 min的信号集与短时漏电信号随机集为例,共同构成阈值分析数据集.抽取其中50%数量的信号,截取1 min计算阈值,并计算训练得到自适应的最优阈值,再将另外50%作为测试进行验证.

图5 滤波放大信号
Fig.5 Amplified filter signal

图6 周期采样信号
Fig.6 Periodic sampling signal

训练识别采用逻辑回归模型验证数据集,得到的受试者工作特征曲线(ROC)如图7所示.

图7 回归拟合ROC曲线
Fig.7 ROC curve by regression fitting

图7中的ROC随着样本分类训练数量的增加呈现快速上升趋势,且向灵敏度方向发生凸出,接近左上角.这说明实验采用的阈值拟合准确性较高,假阳性以及假阴性的数量均较少.由ROC曲线与右下方坐标轴围成的面积能够体现出本文识别方法的正确率.计算数据详细的分类检测的灵敏度、特异性以及准确率如表1所示.

表1 漏电检测评价参数
Tab.1 Evalution parameters of leakage detection

数据类型灵敏度特异性准确率/%训练数据集0.9530.96497.1测试数据集0.9610.97297.3

表1中的三项指标整体均保持在96%以上,这客观地说明,识别分类精度整体性能优越,且由训练集得到的拟合阈值具有比较好的泛化能力.在测试数据集中,同样能够保证其精确分类的作用,由此也说明了实验数据采集是相对充分的,分类模型对漏电事件的各种可能发生情况均可兼顾.

4 结 论

本文提出的改进积分滤波漏电检测电路能够对实验室中非平稳的漏电事件进行有效的高精度识别和检测,从而更好地保证实验室用电安全.同时,电路具有结构简单、制作成本低廉和易于推广等优点.进一步研究重点在于:一方面需要提高系统的集成水平,这主要是将现有的系统进行一体化集成并与检测点整合在一起,实现便于布控、分析;另一方面需要进一步采集实验室漏电事件,借鉴大数据分析处理模式,对更多的数据进行波形识别、特征提取以及数据挖掘,从而提高系统的普适性.同时也可以将多个实验室或者其他有类似需求的室内环境进行联动监测,提高检测的针对性与准确性.

参考文献(References):

[1] Aamo O.Leak detection,size estimation and localization in pipe flows [J].IEEE Transactions on Automatic Control,2016,61(1):1-14.

[2] Kang J,Park Y J,Lee J,et al.Novel leakage detection by ensemble CNN-SVM and graph-based localization in water distribution systems [J].IEEE Transactions on Industrial Electronics,2018,29(9):7-19.

[3] Guevara C,Santos M,Lpez V.Data leakage detection algorithm based on task sequences and probabilities [J].Knowledge-Based Systems,2017,120(6):236-246.

[4] 闫行,朱荣.基于传感器微弱电流矢量检测电路的设计 [J].自动化与仪表,2011,26(1):13-16.

(YAN Xing,ZHU Rong.Design of weak current vector detection circuit based on sensor [J].Automation and Instrument,2011,26(1):13-16.)

[5] 刘积慧,刘振宇,杨政,等.电力系统故障的微弱信号检测方法的研究 [J].计算机测量与控制,2018(1):76-79.

(LIU Ji-hui,LIU Zhen-yu,YANG Zheng,et al.Research on weak signal detection methods for power system faults [J].Computer Measurement and Control,2018(1):76-79.)

[6] 梁中华,姜雪松,任敏.一种适于高压变频器的光纤电流检测系统的研究 [J].沈阳工业大学学报,2007,29(5):534-537.

(LIANG Zhong-hua,JIANG Xue-song,REN Min.Research on an optical fiber current detection system suitable for high voltage converters [J].Journal of Shenyang University of Technology,2007,29(5):534-537.)

[7] Zhao Y,Zheng Y,Liu Y,et al.Intensity and compactness enabled saliency estimation for leakage detection in diabetic and malarial retinopathy [J].IEEE Tran-sactions on Medical Imaging,2016,36(1):51-63.

[8] Ling Z,Yang H.Small-target leak detection for a closed vessel via infrared image sequences [J].Infrared Physics &Technology,2016,81(6):109-116.

[9] 邢迎春.ATE电源监控单元中漏电检测传感设备的设计 [J].现代电子技术,2016,39(12):149-153.

(XING Ying-chun.Design of leakage detection sensor in ATE power supply monitoring unit [J].Modern Electronic Technology,2016,39(12):149-153.)

[10] 鲁丽彬.一种用于电池管理的高精度电流传感器设计与实现 [J].电子器件,2017,40(4):946-952.

(LU Li-bin.Design and implementation of a high-precision current sensor for battery management [J].Electronic Devices,2017,40(4):946-952.)

[11] 王会茗.馈电系统的漏电保护技术 [J].电子科技,2012,25(2):30-32.

(WANG Hui-ming.Leakage protection technology for feed system [J].Electronic Science and Technology,2012,25(2):30-32.)

[12] 姚常青,刘秉安.高灵敏可控制漏电保护器的设计 [J].电子设计工程,2014(18):162-164.

(YAO Chang-qing,LIU Bing-an.Design of highly sensitive controllable leakage protector [J].Electronic Design Engineering,2014(18):162-164.)

[13] Wu T,Liu J,Xu Z,et al.Light-weight,inter-procedural and callback-aware resource leak detection for android apps [J].IEEE Transactions on Software Engineering,2016,42(11):1054-1076.

[14] 刘理云,刘日新.一种智能选择性漏电保护系统的设计 [J].自动化与仪器仪表,2015(11):186-187.

(LIU Li-yun,LIU Ri-xin.Design of an intelligent selective leakage protection system [J].Automation and Instrumentation,2015(11):186-187.)

[15] Bentoumi M,Chikouche D,Mezache A,et al.Wavelet DT method for water leak-detection using a vibration sensor:an experimental analysis [J].IET Signal Processing,2017,11(4):396-405.

[16] Delgado J A,Begovich O,Besançon G.Exact-differentiation-based leak detection and isolation in a plastic pipeline under temperature variations [J].Journal of Process Control,2016,42(8):114-124.

Laboratory weak leakage detection based on improved integral filter circuit

PENG Lan-feng,ZHU Hai-kuan,CHEN Wei

(School of Science and Technology,Nanchang University,Nanchang 330029,China)

AbstractIn order to solve the problem of difficult detection of weak leakage in laboratory,an improved integral filter circuit was proposed to improve the accuracy of leakage detection.With a T-type feedback circuit,a shaping circuit and a periodic integration circuit,the leakage current signals that repeatedly occur over a period of time were amplified,converted and shaped by the as-proposed integral filter circuit,and the periodic sampling of signal waiting for detection was accomplished in combination with timing control.At the same time,according to the cumulative comparison of periodically sampled signals,the automatic detection of laboratory leakage was realized.The results show that the detection system has good efficiency and practicability,with a recognition accuracy over 96%.

Key wordsweak signal;leakage detection;laboratory safety;T-type detection circuit;shaping filter circuit;integral circuit for periodic sampling;threshold;signal processing

中图分类号:TN 911.8

文献标志码:A

文章编号:1000-1646(2019)06-0611-05

收稿日期2018-12-10.

基金项目国家自然科学基金资助项目(61563034);江西省教育厅科学技术研究项目(171460,171459).

作者简介彭岚峰(1986-),女,江西吉安人,讲师,硕士,主要从事电子技术应用等方面的研究.

** 本文已于2019-10-28 15∶55在中国知网优先数字出版.

网络出版地址:http:∥kns.cnki.net/kcms/detail/21.1189.T.20191028.1143.026.html

doi:10.7688/j.issn.1000-1646.2019.06.03

(责任编辑:景 勇 英文审校:尹淑英)