脉冲电压作用下晶闸管反向恢复期二次导通特性*

陈炫宇1, 岳 珂1, 陶风波2, 庞 磊1, 张乔根1

(1. 西安交通大学 电气工程学院, 西安 710049; 2. 国网江苏省电力有限公司 电力科学研究院, 南京 211103)

摘 要: 为了更好地认识脉冲电压作用下晶闸管反向恢复期二次导通特性,搭建了对应的实验研究平台,在利用小信号模型对二次导通过程进行理论分析的基础上,研究了脉冲电压幅值及脉冲施加时刻对高压大功率晶闸管反向恢复期二次导通特性的影响.结果表明,高压大功率晶闸管在反向恢复期内,容易因脉冲电压作用而发生二次导通,正向电压临界上升率极大降低;当通态电流幅值相同时,随施加脉冲延时的增大,引起晶闸管二次导通的脉冲电压幅值呈S型增长.

关 键 词: 脉冲电压; 大功率晶闸管; 反向恢复期; 二次导通; 晶闸管阀; 保护策略; 载流子

晶闸管凭借耐压等级高、通流能力强等优势在高压直流输电、无功补偿等大容量电力电子设备中得到广泛应用[1].高压大功率晶闸管一般采用大注入方式,在其关断过程中,基区存在大量的过剩载流子.通过迁移、扩散以及复合等方式消散时,在晶闸管上流过反向恢复电流,并形成明显的反向恢复过程.如在此过程中出现电网扰动、雷电冲击及串联晶闸管的不同步关断等情况,均可能造成晶闸管两端遭受电压脉冲冲击,引起误导通、器件损伤甚至击穿.因此,研究脉冲电压下晶闸管反向恢复期二次导通特性,对于确定器件保护策略,并进一步保证设备可靠运行具有重要意义.

反向恢复特性是晶闸管器件重要的动态特性,研究人员已从器件角度出发,对晶闸管反向恢复特性进行大量研究.一方面通过优化芯片结构设计、门阴极图形和制造工艺等方法,缩短器件反向恢复时间或改善恢复软度等;另一方面,研究通态电流幅值和电流变化率等因素对反向恢复特性的影响[2-3],用于优化晶闸管阻尼参数设计[4].同时,为描述反向恢复电流特征,多篇文献分别建立指数模型、双曲正切模型和logistic曲线模型等[5-7].目前,对于晶闸管在反向恢复期遭受脉冲电压的动态特性研究较少.

由于晶闸管在反向恢复期出现误导通时,容易引起器件失效,工程人员在器件应用过程中也对其二次导通特性进行关注.文献[8]对晶闸管进行反向恢复期脉冲电压耐受试验,发现二次导通可能引起极高的导通电流并发生击穿,对晶闸管是十分严峻的考验,需要加强恢复期的保护.以高压直流输电换流阀为例,反向恢复期保护(RP)是晶闸管级控制单元(TCU)针对晶闸管反向恢复期电压脉冲而采用的保护性触发,但目前的保护策略仍存在保护误动作、保护时间不合理或保护无效的缺陷[9].也有文献对反向恢复期内TCU保护的试验方法进行研究,能够对TCU的保护功能进行有效的测试[10-11],但只是对逻辑保护电路功能的检定,并未涉及晶闸管器件自身物理特性,且现有的保护策略设计仍缺乏一定依据.因此,需要针对高压大功率晶闸管反向恢复过程中遭受脉冲电压时的二次导通特性及变化规律进行更深入、全面的研究.

本文搭建电压脉冲作用下晶闸管反向恢复特性实验平台,并对二次导通过程进行理论分析,研究正向通态电流脉冲电压参数及脉冲施加时刻对反向恢复期内二次导通特性的影响.对于深入认识高压晶闸管动态特性及指导晶闸管反向恢复期内保护设计具有一定的参考价值.

1 实验系统

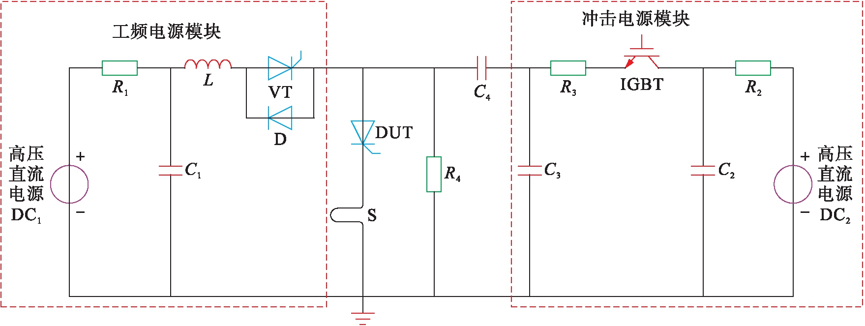
本文主要关注晶闸管反向恢复阶段在脉冲电压作用下动态特性,因此,实验系统涉及正向导通及反向恢复期脉冲电压两部分的叠加.由于大功率晶闸管电流扩散效应较为明显,为使晶闸管完全开通,需要较大的测试电流与较长的导通时间.本文选取正弦半波法产生正向导通电流,图1为反向恢复特性实验电路图,其中左半部分电路对应工频电源模块.高压直流电源DC1用于工频电源模块主电容C1充电,L与电容C1形成振荡回路,用于产生正向导通的工频半波电流,R1为充电电阻,D为续流二极管,VT为晶闸管开关,DUT为晶闸管试品,S为分流器.脉冲电压产生电路如图1中冲击电源模块所示,主要由R2C2充电回路、R3C3放电回路与全控开关IGBT组成,通过改变R3C3的大小调节叠加电压脉冲.由C4R4组成高通滤波电路,用于工频电源模块和冲击电源模块之间的隔离.IGBT驱动信号通过单片机进行延时控制,实现反向恢复过程中电压脉冲施加时刻的调节.

图1 脉冲电压作用下反向恢复特性实验电路
Fig.1 Experimental circuit for reverse recovery characteristics under pulse voltage

实验采用泰克高压探头P6015A测量电压,分压比为1 000∶1,带宽75 MHz,最高测量脉冲幅值40 kV.采用同轴结构分流器,阻值为0.05 Ω,由多个无感电阻并联且放置于金属屏蔽盒中.经测量,分流器方波响应时间为25 ns,高频截止频率可估算为10 MHz,满足实验要求.采用泰克DPO4104型数字示波器记录测得的电压电流波形,其模拟带宽为1 GHz,可满足实验要求.实验采用的试品为西安派瑞公司生产的5.6 kV/1 kA压接式高压大功率晶闸管.实验系统可产生最大工频电流幅值Ip为1 000 A,可产生最大脉冲电压幅值为1 200 V.

2 反向恢复期内二次导通过程

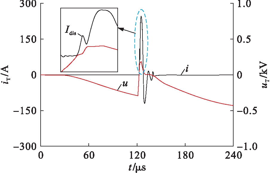
为更好地理解反向恢复期内晶闸管的动态特性,本文首先对二次导通过程进行分析.采用上述实验系统,使用5.6 kV/1 kA大功率晶闸管试品,设定通态电流幅值Ip=300 A,脉冲电压作用下反向恢复阶段波形如图2所示,红色为晶闸管阴阳极电压波形,黑色为电流波形,电压脉冲施加于t=120 μs,此时晶闸管电压与电流迅速升高,脉冲电压导致晶闸管流过容性位移电流Idis.在正向脉冲电压的作用下,晶闸管电流继续升高,此后,电压跌落接近于零,电流发生振荡,说明脉冲电压作用下晶闸管在反向恢复期内再次开通.

图2 脉冲电压作用下反向恢复阶段波形
Fig.2 Waveforms during reverse recovery period under effect of pulse voltage

由于引起导通的电压脉冲频率较高,晶闸管内部结电容无法忽略,因此,采用晶闸管高频等效小信号模型对由位移电流Idis引起的二次导通过程进行分析.晶闸管可等效为PNP与NPN两个晶体管,结构示意图如图3所示,其中,CT1CT2CT3均为等效电容.

图3 晶闸管等效晶体管结构示意图
Fig.3 Schematic diagram of transistor structure equivalent to thyristor

当晶闸管处于正向阻断模式时,如晶闸管阳极外施正向电压脉冲,则与CT2相比,CT1CT3较大.由于CT1CT2CT3是串联关系,可忽略CT1CT3的影响.在晶闸管阳极电压迅速上升的过程中,器件流过的容性位移电流为

(1)

式(1)最右边一项通常被忽略,于是得

(2)

容性位移电流Idis与外部施加的门极触发电流IG具有同样的效果,这种由电压上升率引起的触发导通是一种非理想的导通方式.

当晶闸管阳极承受正向电压时,晶闸管阳极电流由收集的电子电流ICN、空穴电流ICP和位移电流Idis组成,表示为

IA=ICP+ICN+Idis=αPIA+αNIK+Idis

(3)

式中:αPαN分别为晶闸管等效PNP、NPN晶体管的直流共基极电流放大系数;IAIK为阳极电流和阴极电流,在没有外施门极触发电流的情况下,则

IA=IK

(4)

将式(4)代入式(3)可得

(5)

由于在低电流等级时,电流增益更为敏感,因此,等效晶体管小信号电流放大系数α1α2通常大于直流放大系数,即

(6)

(7)

由式(5)~(7)可得

(8)

在阳极电压UAK恒定的情况下,晶闸管导通必须满足dIA/dIdis→∞.由于α1α2与器件电流密度正相关,当晶闸管遭受脉冲电压冲击时,若晶闸管内部PN结的电容效应引起的位移电流Idis具有足够幅值,使器件内的电流密度增大,则α1α2也随之增大.当α1+α2趋近于1时,晶闸管将会因脉冲电压过大而触发导通.而在晶闸管反向恢复过程中,由于晶闸管基区内仍有大量非平衡载流子,当承受电压脉冲时,外施电场因移除基区内载流子而产生的电流与Idis方向相同,将大幅增加晶闸管反向恢复期内二次导通的发生概率.

3 反向恢复期内二次导通特性

本文通过改变脉冲电压幅值和脉冲施加时刻,来研究晶闸管反向恢复期内二次导通特性.实验过程中固定电压脉冲波前时间为3.8 μs,器件采用与上文相同的5.6 kV/1 kA大功率晶闸管.

3.1 脉冲电压幅值对二次导通的影响

设定通态电流幅值Ip为300 A,脉冲延时Δt分别为90、100、110、120和130 μs.调节脉冲电压幅值,晶闸管反向恢复期内二次导通电流幅值与脉冲电压幅值关系如图4所示.由图4可以看出,二次导通电流幅值随着脉冲电压幅值增大而呈指数型增加.可以预见,反向恢复期内较低的电压脉冲幅值就足以产生可能引起晶闸管热损坏的导通电流.

图4 二次导通电流随脉冲电压幅值变化曲线
Fig.4 Changing curves of secondary conduction current with different amplitudes of pulse voltage

随着晶闸管反向恢复过程的进行,晶闸管阻断能力不断恢复,引起同样大小的导通电流需要更高的脉冲电压.因此,随着脉冲时延增加曲线的右移,同样电压引起的导通电流迅速降低.当Δt超过120 μs之后,晶闸管并未完全导通,故对应的dI/dU较小,曲线更为平缓.

3.2 脉冲施加时刻对二次导通的影响

由于反向恢复过程中晶闸管的阻断能力不断恢复,引起二次导通的条件也随之改变.为探究其规律,实验研究不同时刻引起晶闸管二次导通的脉冲电压幅值情况,如图5所示,变化趋势呈现S型增长.

图5 不同时刻引起二次导通的脉冲电压幅值
Fig.5 Pulse voltage amplitudes causing secondary conduction at different moments

基于半导体物理载流子运动机理,从反向恢复存储电荷的角度出发,讨论反向恢复期内晶闸管二次导通情况下,误触发脉冲电压幅值U与反向恢复过程中脉冲电压施加延时Δt之间的关系.

反向恢复电流由其峰值Irm开始,可近似地认为按指数规律衰减,时间常数为τr.从反向电流峰值Irm时刻t2起,反向恢复电流Ir在时刻t的值可表示为

(9)

电流连续性方程为

(10)

式中:τN基区少子空穴的寿命;K0为晶闸管中等效NPN晶体管的电流增益;I(t)为时刻t流过晶闸管的瞬时电流.在此过程中存储电荷Qr(t)也按指数规律衰减[10],可表示为

(11)

式中,Qm为反向恢复电流最大时晶闸管中的剩余存储电荷,其与Ip有关.

假设在反向恢复期内,外施脉冲电压造成晶闸管再次导通.tr为开通暂态上升时间,IF为反向恢复期内二次导通的临界导通电流,并假设IF是恒定值.晶闸管二次导通电流主要由QTQF产生,其中,QT为外施脉冲电压对晶闸管阳极注入的电荷,QF为反向恢复的剩余电荷.

考虑晶闸管二次导通阶段的存储电荷Qsc(t),首先,假定晶闸管初始导通时刻为零时刻,随着时间的变化,晶闸管二次导通电流Isc(t)近似地满足指数规律[12],即其可近似地表示为

Isc(t)=IF(1-e-t/τ*)

(12)

式中,τ*为导通过程近似处理的等效时间常数.将式(12)代入连续性方程式(10),可得在导通瞬态过程中存储电荷Q(t)的表达式,其同样满足指数衰减规律,即

Q(t)=Q0(1-e-t/τ*)

(13)

式中,Q0为器件导通电流稳态时基区过剩载流子电荷.

晶闸管反向恢复期内二次导通后,随着时间t的变化,晶闸管二次导通阶段剩余的存储电荷为

Qsc(t)=QT+Qr(t+t2t)-Q(t)

(14)

式中,QT与脉冲电压幅值成正比,即QT=C2U.

联立式(10)、(12)和(14)可得晶闸管二次导通阶段的存储电荷表达式为

IFτF(t)]V

(15)

式中,F(t)=τ-et/ττ+τ*et/τ-τ*et/τ/et/τ*.

t=tr时,Qsc(tr)近似等于电流达到IF时的基区存储电荷,于是用tr替换式(15)中的t,可得QT与Δt的关系式为

(16)

晶闸管开通时间较短,因此可认为其是恒定值,且临界导通电流IF也是恒定值,则式(16)中等号右边前两项之差是一个常数,这表明,二次导通前提下外施脉冲电压对晶闸管阳极注入的电荷Q将随着脉冲延时Δt的增大近似地呈指数增大.待晶闸管恢复电压阻断能力后,外施脉冲电压与Δt不再相关.

图5中,当100 μs≤Δt≤140 μs时,实验结论与理论分析结果基本相符.不同之处在于,为使数学表达式更加简洁,通常采用式(12)的指数模型来表征反向恢复电流的衰减过程,然而在反向恢复电流峰值Irm附近,指数模型无法准确地体现电流缓变的情况,造成反向恢复电流峰值阶段式(16)中所描述的增长趋势与实验结果的差异.

由于实验采用的脉冲波前时间均约为3.8 μs,而本实验中反向恢复期内引起二次导通的电压变化率在100~200 V/μs左右,远低于试品断态电压临界上升率1 000 V/μs.可见,反向恢复过程中晶闸管对电压变化率较敏感.

4 结 论

本文通过实验研究脉冲作用下晶闸管反向恢复器内二次导通特性,并从理论上分析反向恢复期内二次导通过程,结果表明:

1) 高压大功率晶闸管在反向恢复期内,极易因脉冲电压触发而产生二次导通.该脉冲电压上升率远小于器件断态电压临界上升率,甚至仅为后者的10%~20%.

2) 晶闸管反向恢复期内,晶闸管二次导通电流幅值随脉冲电压的增大呈指数型增长;随施加脉冲延时的增大,能够引起晶闸管二次导通的脉冲电压幅值呈S型增长.待晶闸管电压阻断能力恢复后,脉冲电压幅值与脉冲施加时刻不再相关.

对于晶闸管反向恢复期的保护,应设置更低的保护阈值,另外,可针对反向恢复期内不同时刻,调整不同的保护策略,优化保护设计.

参考文献(References):

[1]周启文,丁峰峰,潘磊,等.晶闸管旁路开关在UPFC中的应用 [J].电力工程技术,2019,38(1):146-151.

(ZHOU Qi-wen,DING Feng-feng,PAN Lei,et al.The application of thyristor bypass switch in UPFC [J].Electric Power Engineering Technology,2019,38(1):146-151.)

[2]黄华,方太勋,刘磊,等.晶闸管换流阀反向恢复特性建模及阻容参数优化设计 [J].电力自动化设备,2017(1):187-190.

(HUANG Hua,FANG Tai-xun,LIU Lei,et al.Mo-deling of reverse recovery characteristic and optimal design of resistance and capaciance parameters for thyristor converter valve [J].Electric Power Automation Equipment,2017(1):187-190.)

[3]岳珂,刘隆晨,孙玮,等.反向恢复特性在高功率晶闸管检测试验中的应用 [J].高电压技术,2017,43(1):103-109.

(YUE Ke,LIU Long-chen,SUN Wei,et al.Application of reverse recovery characteristics in high power thyristor testing [J].High Voltage Engineering,2017,43(1):103-109.)

[4]岳珂,孙玮,刘隆晨,等.载流子寿命与高压晶闸管反向恢复特性的关系 [J].高电压技术,2017,43(12):3944-3949.

(YUE Ke,SUN Wei,LIU Long-chen,et al.Research and analysis on reverse recovery characteristics of thyristor in converter valve of HVDC power transmission [J].High Voltage Engineering,2017,43(12):3944-3949.)

[5]Lee C W,Park S B.Design of a thyristor snubber circuit by considering the reverse recovery process [J].IEEE Trans on Power Electronics,1998,3(4):89-94.

[6]张静,汤广福,温家良,等.高压大功率晶闸管反向恢复特性动态模型 [J].电力电子技术,2015,49(4):50-53.

(ZHANG Jing,TANG Guang-fu,WEN Jia-liang,et al.Dynamic modelling of the turn off performance of high voltage power thyristor [J].Power Electro-nics,2015,49(4):50-53.)

[7]谢妍,陈柏超,陈耀军,等.模块化多电平变换器功率模块的电流与损耗 [J].沈阳工业大学学报,2014,36(3):246-251.

(XIE Yan,CHEN Bo-chao,CHEN Yao-jun,et al.Current and loss for power module of modular multilevel converter [J].Journal of Shenyang University of Technology,2014,36(3):246-251.)

[8]陆建挺,杨涛,申萌,等.HVDC晶闸管换流阀非周期触发试验中恢复期保护的探讨 [J].高压电器,2011,47(11):102-105.

(LU Jian-ting,YANG Tao,SHEN Meng,et al.Discussion on recovery protection for HVDC thyristor valve in the non-periodic firing tests [J].High Voltage Apparatus,2011,47(11):102-105.)

[9]苟锐锋,马振军.高压晶闸管换流阀电控型和光控型晶闸管反向恢复期的不同保护策略 [J].高电压技术,2016,42(12):3982-3988.

(GOU Rui-feng,MA Zhen-jun.Different protection tactics for electric triggered thyristor and light triggered thyristor valve about reverse recovery period [J].High Voltage Engineering,2016,42(12):3982-3988.)

[10]江戈,岳珂,胡宇,等.TCU结构换流阀组件中晶闸管级例行试验方法研究 [J].高压电器,2015,51(2):99-105.

(JIANG Ge,YUE Ke,HU Yu,et al.Research on routine test of thyristor level with TCU on HVDC converter valve [J].High Voltage Apparatus,2015,51(2):99-105.)

[11]刘隆晨,岳珂,庞磊,等.基于反向恢复特性的换流阀晶闸管级控制单元保护功能测试研究 [J].电网技术,2017,41(11):340-345.

(LIU Long-chen,YUE Ke,PANG Lei,et al.Study on protective function test of control unit of thyristor level in HVDC converter valve based on thyristor reverse recovery characteristics [J].Power System Technology,2017,41(11):340-345.)

[12]罗毅飞,肖飞,唐勇,等.续流二极管续流瞬态反向恢复电压尖峰机理研究 [J].物理学报,2014(21):325-333.

(LUO Yi-fei,XIAO Fei,TANG Yong,et al.Inves-tigation into the reverse recovery voltage peak mechanism of freewheeling diode at a switching transition [J].Acta Physica Sinica,2014(21):325-333.)

Secondary conduction characteristics of thyristor caused by pulse voltage during reverse recovery period

CHEN Xuan-yu1, YUE Ke1, TAO Feng-bo2, PANG Lei1, ZHANG Qiao-gen1

(1. School of Electrical Engineering, Xi’an Jiaotong University, Xi’an 710049, China; 2. Electric Power Research Institute, State Grid Jiangsu Electric Power Co.Ltd., Nanjing 211103, China)

Abstract In order to better understand the secondary conduction characteristics of thyristor caused by pulse voltage during reverse recovery period, a corresponding experimental platform was built. Based on the theoretical analysis of secondary conduction process with a small-signal model, the effects of pulse voltage amplitude and pulse applying moment on the secondary conduction characteristics of thyristor with high voltage and power during the reverse recovery period were studied. The results show that the thyristor with high voltage and power is liable to generate secondary conduction due to the effect of pulse voltage during the reverse recovery period, and the critical increasing rate of forward voltage greatly reduces. When the amplitude of on-state current remains unchanged, the pulse voltage causing the secondary conduction of thyristor increases in an S-shape curve mode with the increase of applied pulse delay.

Key words pulse voltage; high power thyristor; reverse recovery period; secondary conduction; thyristor valve; protection strategy; carrier

中图分类号: TN 34

文献标志码:A

文章编号:1000-1646(2020)04-0379-06

doi:10.7688/j.issn.1000-1646.2020.04.04

收稿日期 2019-07-15.

基金项目 国家自然科学基金面上项目(61772408); 国家电网公司科技项目(SGJSDK00KJJS1800292).

作者简介 陈炫宇(1995-),男,陕西西安人,硕士生,主要从事大功率半导体器件特性及换流阀可靠性评估等方面的研究.

*本文已于2020-07-15 15∶39在中国知网优先数字出版. 网络出版地址: http:∥kns.cnki.net/kcms/detail/21.1189.T.20200714.1330.016.html

(责任编辑:景 勇 英文审校:尹淑英)