直流输电换流阀晶闸管级阻抗测试系统设计*

刘隆晨a,汪万平a,苏明虹a,张 鹏b,唐世雄b

(国网四川省电力公司 a.电力科学研究院,b.特高压宜宾管理处,成都 610072)

摘 要:为了满足高压直流输电换流阀晶闸管级阻尼回路阻抗现场测试的需要,基于STM32F4ZGT6控制器的高精度参考电阻自动切换技术,提出了一种晶闸管级阻抗快速检测方法,并设计了测试系统的高频正弦信号产生模块、高精度基准电阻选择切换模块、电压信号调理采集模块和STM32控制模块.将晶闸管级阻抗测试系统应用于特高压换流阀晶闸管级的阻抗检测与结果判定.结果表明,阻抗测量误差小于5%,满足现场工程应用需求.

关 键 词:高压直流输电;换流阀;晶闸管级;例行试验;均压阻尼回路;阻抗模值;基准电阻;STM32模块

近年来,我国特高压直流输电工程建设发展迅速,换流站逐年增多[1],为满足换流站运维迫切需要,急需发展直流输电晶闸管换流阀设备的现场综合检测技术.换流阀是直流输电核心设备,而晶闸管级是换流阀最基本的电气单元[2].为了确保阀晶闸管级各项电气性能,防止晶闸管级故障可能导致的换相失败等系统性风险[3],满足换流阀设备及直流电网安全运行的需要,设备运维单位有必要定期对换流阀晶闸管级单元开展现场例行测试[4],而换流阀晶闸管级的阻抗参数是衡量换流阀能否安全、可靠运行的关键指标之一.

为了确保晶闸管级均压阻尼回路工作于正常阻抗范围内,在换流阀晶闸管级例行试验时开展阻抗检测是必要的.目前,少数国际知名换流阀制造厂商开发了用于晶闸管换流阀现场电气检测的测试系统[5-6],如ABB、西门子、阿尔斯通等.但这些测试设备普遍存在着功能单一、兼容性差等问题,尤其是阻抗测量偏差较大,在现场容易受到外部试验回路的影响,且达不到高精度测量的要求[7].国内对于换流阀晶闸管级单元的例行检测关键技术并未掌握,对于换流阀综合检测技术研究与设备研制尚处于初级阶段[8-9],少见晶闸管级阻抗测试的相关文献报道.

本文采用STM32F4ZGT6控制器实现5路高精度参考电阻自动切换,据此设计了一种晶闸管级均压阻尼回路阻抗测试方法及系统,为换流阀晶闸管级阻抗检测与现场应用奠定了基础.该型阻抗检测系统的处理器基于Cortex M4内核,可以进行浮点运算,数据处理更方便;STM32F4ZGT6的数模转换速度快(最快可达0.41 μs)、定时器功能强大、IO口支持复用功能、USART和SPI通信速度更快,处理速度可满足现场应用要求,且兼具低功耗等优点.检测系统具有高速模拟量输出通道,可输出不同频率的低压交流信号作为测试信号源;利用高速模拟量采集通道,采集被测回路的电压值.根据采集数据,计算被测阻抗的模值,最终实现对换流阀晶闸管级均压阻尼回路的快速精确检测.

1 系统原理与架构

1.1 系统设计原理

在晶闸管级阻抗试验中,只需要测量其阻抗的模值,试验一般采用伏安法进行测量,该方法简易可行.通过测量待测试品两端的电压和流过的电流,即可得到试品的阻抗模值.

本文设计的阻抗测量系统使用AD9850模块产生频率可调的正弦信号(带宽0~40 MHz,分辨率可达0.029 1 Hz),将待测试品与已知电阻串联,分别测量待测试品和已知电阻上的电压,最后求解出待测试品的阻抗模值.

1.2 系统架构

阻抗测试系统架构如图1所示,主要包括高频正弦信号产生模块(DDS)、高精度基准电阻选择切换模块、电压信号调理采集模块和STM32控制模块.高频正弦DDS模块可以产生频率可调的正弦信号,以满足测量不同频率下阻抗模值的现场试验要求.基准电阻模块采用精度为0.1%的电阻,考虑到该系统的阻抗测量量程要求为5~5 000 Ω,基准电阻设置为5档:5、20、100、500和1 000 Ω,以保证待测试品与基准电阻上的原始电压信号幅值不会过小,从而达到减小噪声信号干扰的目的.电压信号调理采集模块主要包括:三运放放大电路和AD637有效值转换芯片.STM32控制系统主要包括STM32F4ZGT6最小系统,以实现量程的自动选择,即参考电阻连接开关的切换、信号的采集和计算.

图1 阻抗测试系统架构

Fig.1 Impedance test system architecture

2 系统硬件设计

2.1 高频正弦信号发生模块

为确保输出的正弦高频信号平滑无畸变,系统采用AD9850直接频率合成器,外接125 MHz时钟,通过软件配置可实现单路模拟量的高速输出,并保证良好的单调性.控制采用Corte-M4内核STM32F407ZGT6,其外部IO配置灵活,可直接对AD9850进行控制.AD9850工作电压为5 V,输出信号为单极性模拟信号,信号范围为0~500 mV.设置高通滤波电路,滤除直流分量,将AD9850输出的单极性正弦信号调整为正弦交流信号.

2.2 电压信号调理模块

电压信号调理模块由三运放放大电路构成,该运放电路将信号放大,进而提高信噪比和精确度,以便后续电路能采集到可靠的电压值.

图2所示为三运放差分放大电路.图2中,U1A和U2A两个同相输入的运算放大器并联组成前端输入级,再与U3A差分运算放大器串联构成三运放放大电路.其中,前端输入级运放主要用于增加电路的输入阻抗,该电路具有如下显著特点:差模信号按差模增益放大,且远高于共模成分(噪声),其增益由电阻R25R26R27R28决定.

图2 三运放差分放大电路

Fig.2 Differential amplification circuit with three differential operational amplifiers

放大电路在使用过程中,需要注意上、下桥臂的对称性,即运算放大器、电容和电阻等组件参数的一致性和精确度.其中,电阻R25R26R27R28直接决定了放大器增益,而放大增益的一致性会直接影响测量结果的精确度,因此,需尽量保证上、下桥臂的放大增益相等.本文设计选用了精度为0.1%的精密电阻,以保证上、下桥臂的对称性,放大增益设置为5倍.

2.3 电压信号采集模块

由于STM32系统不能直接处理交流信号,因此需要将交流信号的有效值信息转化成直流电平信号,方便A/D采集和进一步处理.电压信号采集模块采用有效值转换芯片AD637将正弦电压信号转换成其有效值,以直流电平的形式输出给MCU,MCU再通过A/D采样得到待测试品和已知电阻的电压信号.

AD637芯片具有精度高、带宽大等特点,其有效识别精度为0.000 1 V、最大非线性为0.02%、有效输入值为0~2 V.AD637可保证测量误差不超过0.5 mV,只有被测信号有效值远小于1 V时,才会出现较大的测量误差.

3 系统软件设计

本系统软件设计主要包括:高频正弦波基本参数配置软件、AD采样软件和STM32阻抗计算算法软件设计,系统阻抗测量流程如图3所示.其中,STM32主要完成DAC、ADC驱动程序和控制功能,STM32控制输出已知频率正弦波的对应代码至AD9850.通过AD637采集阻尼回路的电压值,并将该数据回传给STM32处理器作进一步计算.系统各基准电阻对应的阻抗测量量程如表1所示.

表1 各个基准电阻测量量程

Tab.1 Measurement ranges of each benchmark resistance Ω

基准电阻R测量量程55~102010~5010050~200500200~100010001000~5000

4 测试结果与分析

4.1 测试结果

按图3所示的测量流程开展阻抗模拟测试,试验选取部分特定频率测量标准电阻试品,将测量结果与标准值比对,计算系统测量误差.不同频率(100 Hz~200 kHz)与不同电阻值(1 Ω~10 kΩ)条件下的阻抗测试结果如图4所示.由图4所示结果可看出,在100 Hz~200 kHz频率范围内,5 Ω~10 kΩ电阻测量可满足误差小于5%的要求.为了准确掌握换流阀的电气状态,在工程现场开展阀晶闸管级阻抗测试时,一般要求测量误差不可大于5%,将阻抗测量误差小于5%的区域连接起来,即可认为在此区域内的任意点(对应的频率与阻值)均能满足高精度测量要求.

图3 阻抗测量程序流程图

Fig.3 Flow chart of impedance measurement program

图4 不同频率下电阻试品测量结果

Fig.4 Measurement results of resistance samples at different frequencies

搭建电阻(36 Ω)与电容(1.27 μF)的串联试品,用作阀晶闸管级阻尼回路模型[10].阻抗测试系统与标准电桥的测量结果如表2所示,考虑到在不同频率下实际电容值和标定值存在差异,将系统测量结果与标准电桥测量结果相比较,发现相对误差小于2.5%,测量精度满足要求.

表2 不同频率下晶闸管级试品阻抗测量结果

Tab.2 Impedance measurement results of thyristor level samples at different frequencies

fHz标准电桥测量Ω实验测量Ω相对误差% 1001153.11012.31.21000132.8135.01.71000038.737.92.110000036.135.22.5

4.2 误差分析

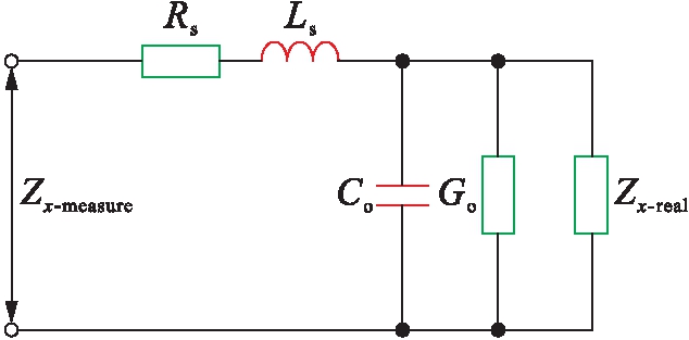
阻抗测试系统的测量误差除了来自于各模块自身的测量误差外,还与开关导通电阻和测量夹具、导线杂散参数[11]等因素有关.试验开关选用的是SRD-5VDC-SL-C型继电器,其标称导通电阻的最大值为100 mΩ.考虑测量回路的杂散参数时,阻抗测量的等效电路如图5所示.图5中,Rs为夹具和导线电阻,Ls为夹具和导线电感,Co为夹具开路杂散电容,Go为夹具开路电导,Zx-measure为实验测量值,Zx-real为真实阻抗值.

图5 阻抗测量等效电路图

Fig.5 Equivalent circuit diagram of impedance measurement

阻抗测试时可通过测量图中参数对结果进行如下补偿,即夹具短接测量残余阻抗Zs=Rs+jωLs;夹具开路测量杂散导纳Yo=Go+jωCo.利用ZsYo校正Zx-measure可得

针对开关存在导通电阻的问题,一般可在系统软件中进行修正(即将基准电阻的阻值加上导通电阻),也可以采用两组开关联动的方式,以达到补偿开关导通电阻的目的.采用此方法补偿测量误差,可有效提高测量精度,但由于增加了开关数量,控制电路结构将更为复杂.

5 系统应用

将研制的换流阀晶闸管级阻抗测试系统应用于特高压宜宾换流站极Ⅰ高、低端阀厅许继HVTV2000-800/5000E型换流阀晶闸管级阻抗检测试验,该型换流阀晶闸管级的测试电路图如图6所示.其由单个晶闸管及其控制单元TCU、散热器和均压阻尼电路组成.R11R16C1C2为晶闸管级阻尼回路(R11R16=50 Ω,C1=4.4 μF,C2=4.4 μF);R41R42为晶闸管级的均压回路(R41=R42=44 kΩ);R3C3为控制单元TCU的取能回路(R3=440 Ω、C3=1.23 μF).

图6 晶闸管级阻抗测试电路图

Fig.6 Circuit diagram of thyristor level impedance test

阻抗测试主要用于考核阀晶闸管级均压阻尼回路有无损坏、短路或开路.晶闸管级在不同频率下,表现出不同的阻抗特征.根据特定频率下阻抗测量值与标准值的比对,即可判断晶闸管级均压阻尼电路状态.阻抗测试系统的正弦发生器作为试验电源,先后输出频率分别为110 Hz、6 kHz的低压正弦波形,施加于晶闸管级两端.系统自动测量对应频率下晶闸管两端电压的峰值及流过的电流,计算得到相应频率的阻抗.

晶闸管级阻抗测试系统现场试验波形如图7所示.将阻抗测量值与标准阈值比较发现,其相对偏差在允许范围内.本文采用的换流阀晶闸管级阻抗标准阈值来源于换流阀生产厂家的设计值,考虑到系统测量存在误差,一般给出阀晶闸管级阻抗的正常范围.该型换流阀要求晶闸管级阻抗正常范围为:660~730 Ω(频率110 Hz)和26~36 Ω(频率6 kHz).测量结果表明:测试频率为110、6 000 Hz时,晶闸管级测试阻抗分别为687、30 Ω,满足工程应用要求.

图7 晶闸管级阻抗测试波形

Fig.7 Test waveform of thyristor level impedance

6 结 论

为了满足特高压换流阀晶闸管级现场阻抗高精度测试要求,本文采用STM32F407ZGT6高速控制器,基于5路高精度参考电阻自动切换架构,研制了一种换流阀晶闸管级阻抗快速检测系统,其由高频正弦信号发生模块、电压信号调理与采集模块、STM32控制模块和系统软件等部分组成.经实际检测验证与现场结果对比表明,该系统的阻抗测试精度高于95%,能够应用于换流阀晶闸管级均压阻尼回路阻抗值的精确检测,满足超特高压换流阀现场试验的实际需要.考虑到直流输电换流阀设备现场检测的迫切需求,该测试方法与检测系统具有工程实用价值和广泛的技术通用性,对其他任意阻抗测试装置的设计也具有积极的参考意义.

参考文献(References):

[1] 刘振亚.中国电力与能源[M].北京:中国电力出版社,2012.

(LIU Zhen-ya.China electric power and energy[M].Beijing:China Electric Power Publishing House,2012.)

[2] Zhou H G,Yang X H,Xu F.Equivalency of synthetic test circuit used for operational tests of thyristor valves for HVDC[C]//1st International Conference on Electric Power Equipment-Switching Technology.Xi’an,China,2011:1-6.

[3] 李福新.基于平稳小波与BP神经网络的换相失败检测算法[J].沈阳工业大学学报,2018,40(3):248-252.

(LI Fu-xin.Commutation failure detection algorithm based on stationary wavelet and BP neural network[J].Journal of Shenyang University of Technology,2018,40(3):248-252.)

[4] 查鲲鹏,周万迪,高冲,等.高压直流换流阀例行试验方法研究及工程实践[J].电网技术,2013,37(2):465-470.

(ZHA Kun-peng,ZHOU Wan-di,GAO Chong,et al.Research on routine test of HVDC converter valve and its engineering practice[J].Power System Technology,2013,37(2):465-470.)

[5] Nho E,Han B,Chung Y.New synthetic test circuit for thyristor valve in HVDC converter[J].IEEE Tran-sactions on Power Delivery,2012,27(2):2423-2424.

[6] Nho E,Han B,Chung Y.Synthetic test circuit for thyristor valve in HVDC converter with new high-current source[J].IEEE Transactions on Power Electronics,2014,29(7):3290-3296.

[7] Santos J,Pedro M.DSPIC-based impedance measuring instrument[J].Metrology and Measurement Systems,2011,18(2):185-198.

[8] 刘隆晨,岳珂,庞磊,等.基于反向恢复特性的换流阀晶闸管级控制单元保护功能测试研究[J].电网技术,2017,41(11):340-345.

(LIU Long-chen,YUE Ke,PANG Lei,et al.Study on protective function test of control unit of thyristor level in HVDC converter valve based on thyristor reverse recovery characteristics[J].Power System Technology,2017,41(11):340-345.)

[9] 刘隆晨,岳珂,庞磊,等.高压直流输电换流阀晶闸管级单元综合测试系统设计与实现[J].电网技术,2016,40(3):756-761.

(LIU Long-chen,YUE Ke,PANG Lei,et al.Design and implementation of synthetic test system for thyristor unit of HVDC converter valve[J].Power System Technology,2016,40(3):756-761.)

[10] Tang G F,Zha K P.Study on operation tests for FACTS thyristor valves[J].IEEE Transactions on Power Delivery,2013,28(3):1525-1532.

[11] 周万迪,高冲,汤广福,等.直流换流阀阻尼电阻脉冲功率试验方法研究[J].电网技术,2013,37(1):89-93.

(ZHOU Wan-di,GAO Chong,TANG Guang-fu,et al.Study on pulse power test method for damping resistor in HVDC converter valve[J].Power System Technology,2013,37(1):89-93.)

Design of impedance test system for thyristor level HVDC converter valve

LIU Long-chena, WANG Wan-pinga, SU Ming-honga, ZHANG Pengb, TANG Shi-xiongb

(a.Electric Power Research Institute, b.UHV Yibin Administrative Office, State Grid Sichuan Electric Power Corporation, Chengdu 610072, China)

AbstractIn order to satisfy the needs for in-situ impedance test of the thyristor level damping loop in a HVDC converter valve, a rapid detection method for thyristor level impedance was proposed based on the automatic switching technology for high precision reference resistances of STM32F4ZGT6 controller.In addition, the high frequency sinusoidal signal generator module, high precision benchmark resistance selection switching module, voltage signal conditioning acquisition module and STM32 control module of test system were designed.This thyristor level impedance test system was applied to the thyristor level impedance test and result determination of UHVDC converter valve.The results show that the impedance measurement error is less than 5% and it meets the needs for in-situ engineering application.

Key wordsHVDC power transmission; converter valve; thyristor level; routine test; equalizing damping circuit; impedance module value; benchmark resistance; STM32 module

中图分类号:TM 721

文献标志码:A

文章编号:1000-1646(2020)05-0488-05

收稿日期2019-05-02.

基金项目国家自然科学基金项目(51807154);国家电网有限公司科技项目(52199718000W).

作者简介刘隆晨(1987-),男,四川巴中人,高级工程师,博士,主要从事高压直流输电技术、换流阀检测试验技术等方面的研究.

*本文已于2020-09-11 10∶44在中国知网优先数字出版.网络出版地址:http:∥kns.cnki.net/kcms/detail/21.1189.T.20200909.2048.029.html

doi:10.7688/j.issn.1000-1646.2020.05.02

(责任编辑:景 勇 英文审校:尹淑英)